搜索
汉力达液压金币充值官方微信群液压资料下载
楼主: carter23999

A6VM马达工作原理

  [复制链接]
  • 打卡等级:无名新人
  • 打卡总天数:3
  • 打卡总奖励:15
 楼主| 发表于 2014-6-28 08:52:05 | 显示全部楼层
路人 发表于 2014-6-27 21:24
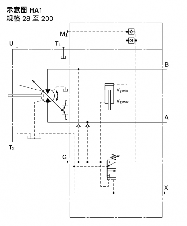
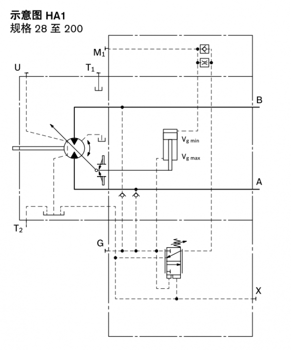
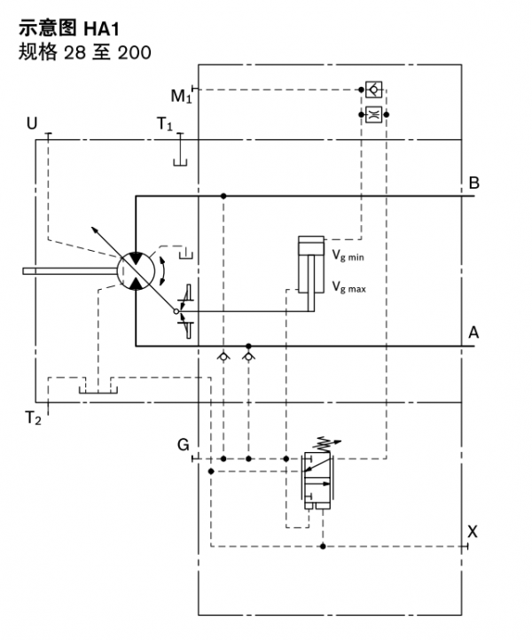
建议看下HD控制方式,是从最大排量变成最小排量,HA控制方式是这款马达HD控制部位的变量部位反过来安装了

HD控制方式的确是从大排量到小排量,但是是通过换向阀来实现切换,马达对应就2种转速,而HA.T是通过伺服缸来实现从小到大无极变量,对应马达速度是无极变化的。
回复

使用道具 举报

  • 打卡等级:无名新人
  • 打卡总天数:4
  • 打卡总奖励:16
发表于 2014-6-28 09:10:04 | 显示全部楼层
carter23999 发表于 2014-6-28 08:52
HD控制方式的确是从大排量到小排量,但是是通过换向阀来实现切换,马达对应就2种转速,而HA.T是通过伺服 ...

都是通过换向阀操作而改变流道,进而改变排量的。HD控制方式也有反馈弹簧和调压弹簧,同样在最大排量和最小排量之间实现无极变量。
回复

使用道具 举报

  • 打卡等级:无名新人
  • 打卡总天数:3
  • 打卡总奖励:15
 楼主| 发表于 2014-6-28 09:33:50 | 显示全部楼层
路人 发表于 2014-6-28 09:10
都是通过换向阀操作而改变流道,进而改变排量的。HD控制方式也有反馈弹簧和调压弹簧,同样在最大排量和最 ...

不好意思,我说的是应该是HZ两点控制方式
回复

使用道具 举报

  • 打卡等级:无名新人
  • 打卡总天数:3
  • 打卡总奖励:15
 楼主| 发表于 2014-6-28 09:34:40 | 显示全部楼层
这有个对比
傲游截图20140627161152.png
傲游截图20140628093633.png
回复

使用道具 举报

  • 打卡等级:无名新人
  • 打卡总天数:3
  • 打卡总奖励:15
 楼主| 发表于 2014-6-28 09:36:07 | 显示全部楼层
HZ
HZ.png
回复

使用道具 举报

  • 打卡等级:无名新人
  • 打卡总天数:3
  • 打卡总奖励:15
 楼主| 发表于 2014-6-28 09:38:11 | 显示全部楼层
路人 发表于 2014-6-28 09:10
都是通过换向阀操作而改变流道,进而改变排量的。HD控制方式也有反馈弹簧和调压弹簧,同样在最大排量和最 ...

HD中变量活塞跟图中还是不一样的。
回复

使用道具 举报

  • 打卡等级:无名新人
  • 打卡总天数:24
  • 打卡总奖励:174
发表于 2014-8-4 04:50:12 | 显示全部楼层
A6VM马达也用于行走机械。
回复

使用道具 举报

  • 打卡等级:无名新人
  • 打卡总天数:1
  • 打卡总奖励:5
发表于 2014-8-4 08:35:12 | 显示全部楼层
学习  学习  好好研究一下
回复

使用道具 举报

发表于 2017-2-25 19:31:03 | 显示全部楼层
很有用,谢谢 谢谢 谢谢
回复

使用道具 举报

  • 打卡等级:以坛为家
  • 打卡总天数:647
  • 打卡总奖励:1970
发表于 2017-5-28 09:55:32 | 显示全部楼层
HD控制加个冲洗阀,是闭式系统用的吧
回复

使用道具 举报

您需要登录后才可以回帖 登录 | 立即注册

本版积分规则