搜索
金币充值液压资料下载官方微信群
查看: 25377|回复: 34

A6VM马达工作原理

  [复制链接]
  • 打卡等级:无名新人
  • 打卡总天数:3
  • 打卡总奖励:15
发表于 2014-6-26 20:07:22 | 显示全部楼层 |阅读模式
本帖最后由 carter23999 于 2014-6-26 20:23 编辑

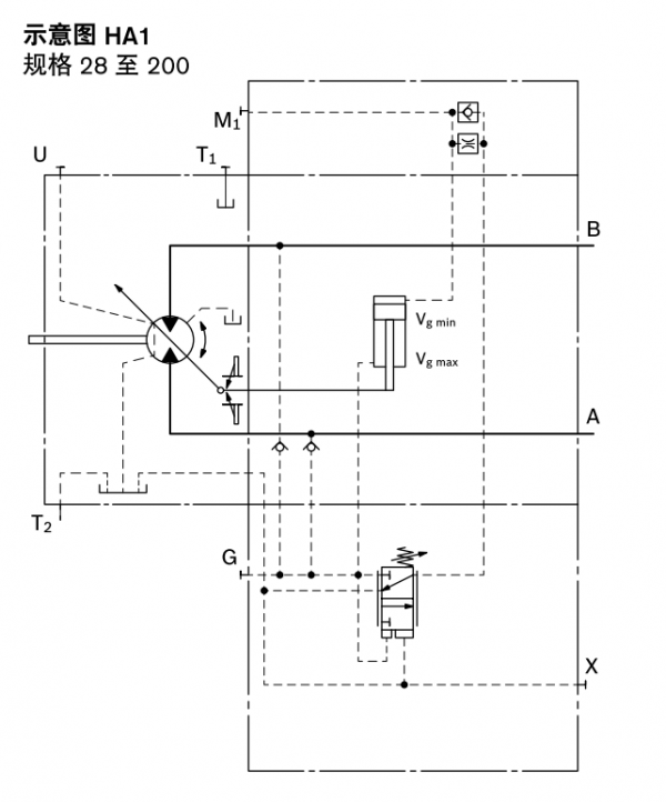
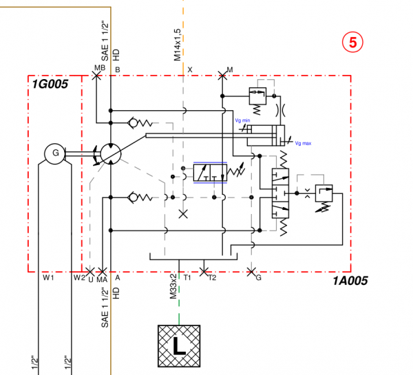
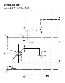
马达力士乐A6VM系列,工作状态为Vgmax状态,此时马达为低速大扭矩,x为远程压力控制油口。请问哪位大侠见过这种控制方式,用于什么地方?
傲游截图20140626181745.png
  • 打卡等级:伴坛终老
  • 打卡总天数:3542
  • 打卡总奖励:9749
发表于 2014-6-26 21:53:02 | 显示全部楼层

RE: A6VM马达工作原理

旋挖钻机动力头马达
回复

使用道具 举报

  • 打卡等级:偶尔看看
  • 打卡总天数:61
  • 打卡总奖励:174
发表于 2014-6-27 08:08:50 | 显示全部楼层
推荐你看一下相关的书
回复

使用道具 举报

  • 打卡等级:偶尔看看
  • 打卡总天数:124
  • 打卡总奖励:830
发表于 2014-6-27 08:34:17 | 显示全部楼层
看着原理图还是挺复杂的
回复

使用道具 举报

  • 打卡等级:无名新人
  • 打卡总天数:3
  • 打卡总奖励:15
 楼主| 发表于 2014-6-27 08:46:16 | 显示全部楼层
spinning1976 发表于 2014-6-26 21:53
旋挖钻机动力头马达

请问下这是种什么控制方式?接近样本中的HA.T控制方式。当变量活塞无杆腔开始充油后,样本上马达是从Vgmin逐渐到Vgmax(排量逐渐增加,转速逐渐降低),而在上面图中却是从Vgmax到Vgmin(排量逐渐减少,转速逐渐增加),为什么同一个动作(变量活塞无杆腔开始充油),却有不同的结果?
回复

使用道具 举报

  • 打卡等级:无名新人
  • 打卡总天数:3
  • 打卡总奖励:15
 楼主| 发表于 2014-6-27 08:49:14 | 显示全部楼层
分开旅行 发表于 2014-6-27 08:08
推荐你看一下相关的书

样本来回看了好几遍,实在不知道什么控制方式?可以推荐几本相关的书吗?谢谢。
回复

使用道具 举报

  • 打卡等级:无名新人
  • 打卡总天数:4
  • 打卡总奖励:8
发表于 2014-6-27 13:08:54 | 显示全部楼层
仔细观察样本,有两个安装面的
回复

使用道具 举报

  • 打卡等级:无名新人
  • 打卡总天数:3
  • 打卡总奖励:15
 楼主| 发表于 2014-6-27 13:55:24 | 显示全部楼层
wawaadd 发表于 2014-6-27 13:08
仔细观察样本,有两个安装面的

把样本HA控制部分又看了一遍,不好意思,实在无法找到2个安装面的地方,还望高人指点一二。另外,照你这么说,可以根据实际初始状态时是在Vgmax还是Vgmin选择安装面,这个是自己选择,还是在订购时说明由厂家设定好,希望高人不吝赐教,谢谢了。
回复

使用道具 举报

  • 打卡等级:无名新人
  • 打卡总天数:4
  • 打卡总奖励:8
发表于 2014-6-27 15:56:57 | 显示全部楼层
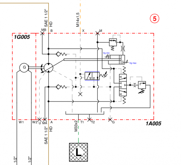
5.jpg
10.jpg
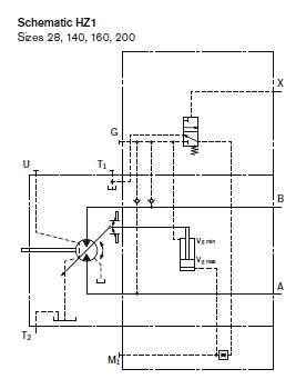
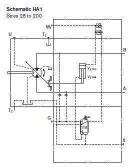
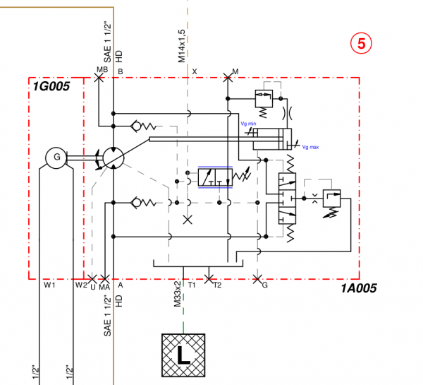
新样本的画法,改成和安装形式相关性更强的
回复

使用道具 举报

  • 打卡等级:无名新人
  • 打卡总天数:3
  • 打卡总奖励:15
 楼主| 发表于 2014-6-27 16:11:51 | 显示全部楼层
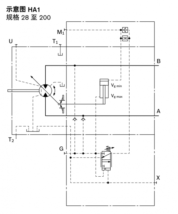
样本上是从Vgmin逐渐到Vgmax,但我图中是相反的,这个怎么解释呢?
傲游截图20140627161152.png
回复

使用道具 举报

您需要登录后才可以回帖 登录 | 立即注册

本版积分规则