搜索
汉力达液压金币充值官方微信群液压资料下载
查看: 6392|回复: 3

HCD库比例流量阀的建模

[复制链接]
发表于 2014-8-10 10:49:48 | 显示全部楼层 |阅读模式
参照一篇硕士论文中,比例流量阀的建模,该比例流量阀是由节流阀和定差减压阀串联组成的,但是我根据仿照其建模过程以及参数设置,得不到想要的流量与输入电流的关系曲线,貌似节流阀的控制对输出负载没有多大的控制作用,这是哪儿出错了呢?
参数设置:定差减压阀弹簧刚度 10N/mm
                 定差减压阀阀芯直径 16mm
                 定差减压阀阀杆直径 10mm
                 定差减压阀阀芯质量  0.03kg
                 定差减压阀其他腔活塞直径 16mm
                 比例节流阀弹簧刚度  24.5N/mm
                 比例节流阀阀芯直径 10mm
                 比例节流阀阀杆直径 5mm
                 比例节流阀阀芯质量 0.03kg
                 电磁比例系数           k=95
弹簧预紧力、file:///C:\Documents and Settings\Administrator\Application Data\Tencent\Users\122682501\QQ\WinTemp\RichOle\SKV2@MC(MA_OV7LXGO51SA0.jpg初始刻阀芯位移量都不知道怎么设置?file:///C:\Documents and Settings\Administrator\Application Data\Tencent\Users\122682501\QQ\WinTemp\RichOle\SKV2@MC(MA_OV7LXGO51SA0.jpgfile:///C:\Documents and Settings\Administrator\Application Data\Tencent\Users\122682501\QQ\WinTemp\RichOle\SKV2@MC(MA_OV7LXGO51SA0.jpg
file:///C:\Documents and Settings\Administrator\Application Data\Tencent\Users\122682501\QQ\WinTemp\RichOle\SKV2@MC(MA_OV7LXGO51SA0.jpg

  • 打卡等级:常驻居民
  • 打卡总天数:365
  • 打卡总奖励:2062
发表于 2014-8-11 14:23:29 | 显示全部楼层
论文的例子不一定正确,首先你得确定这个建模是否可行,然后进行试参,检查运行结果!
回复

使用道具 举报

 楼主| 发表于 2014-8-13 10:38:43 | 显示全部楼层
喔喔...这样,谢谢
起初,是想弄懂液压系统每个小模型搭建和设置,然后再结合整个系统进行运行仿真,现在论文里所给的参数模糊,比如,一些阀的搭合量,弹簧腔的弹簧预紧力等等
论文参照是——《液压长管道阀控系统压力与流量传输特性研究》,中南大学
回复

使用道具 举报

 楼主| 发表于 2014-8-13 16:49:16 | 显示全部楼层
霍森 发表于 2014-8-13 10:38
喔喔...这样,谢谢
起初,是想弄懂液压系统每个小模型搭建和设置,然后再结合整个系统进行运行仿真,现在 ...

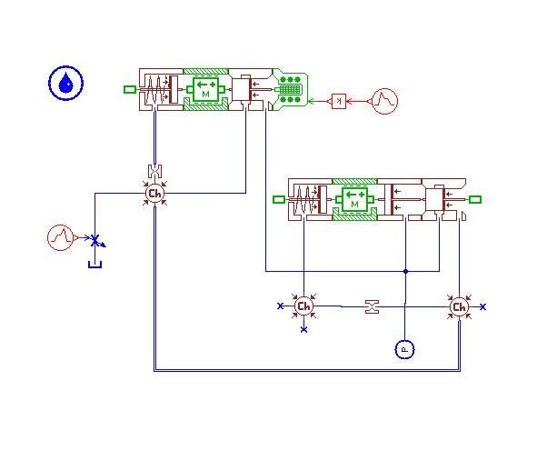
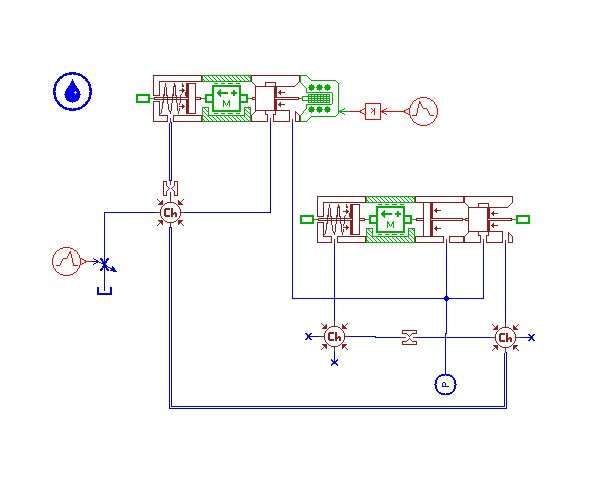
这是参照文章HCD库搭建的比例调速阀的模型
liuliang .jpg
回复

使用道具 举报

您需要登录后才可以回帖 登录 | 立即注册

本版积分规则