设为首页
收藏本站
所有帖子
关于我们
联系我们
微信群
开启辅助访问
搜索
搜索
本版
用户
门户
Portal
资讯
液压资讯
观点
观点
产品
液压产品
技术
液压技术
合集
导读
Guide
下载
签到
金币
论坛
BBS
登录
立即注册
腾讯QQ
账号
自动登录
找回密码
密码
登录
立即注册
只需一步,快速开始
好友
动态
收藏
分享
帖子
日志
记录
相册
留言板
勋章
任务
道具
设置
退出
液压圈
»
论坛
›
液压系统
›
液压技术
›
各位大神,请教一下长孔流量计算的问题 ...
负载敏感资料下载
|
液压培训资料下载
|
液压样本下载
|
AMESim资料下载
|
力士乐资料下载
|
挖掘机资料下载
|
标准资料下载
|
多路阀资料下载
返回列表
查看:
3701
|
回复:
2
各位大神,请教一下长孔流量计算的问题
[复制链接]
achills
achills
当前离线
积分
5
注册时间
2014-10-8
最后登录
1970-1-1
IP卡
狗仔卡
发表于 2014-10-8 19:14:25
|
显示全部楼层
|
阅读模式
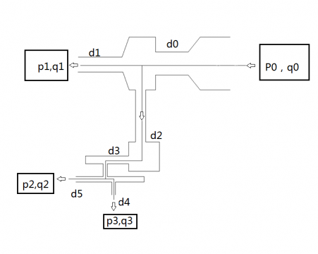
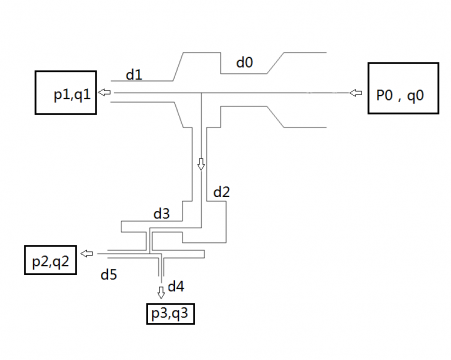
各位大神,请教一下长孔流量计算的问题
现有如上液体管路,液体沿箭头方向走,P0 Q1 Q2 已知,所有孔和管路的直径都是已知的,
孔D4的外部液体压力已知,
请问如何求得 P1 P2 P3 q3?
该用怎样的公式和思路呢?
谢谢!
流量
相关帖子
.
川崎20T级挖掘机负流量液压系统原理图
.
流量控制
.
急需一款高流量、高频往复的变量泵!!!
.
力士乐流量阀fk,fg
.
全液压转向系统中流量放大器的匹配选型。
.
请教卸荷溢流阀流量问题
.
关于阻尼器中液压阀流量的问题
.
AMEsim建模仿真问题请教
.
一张图分清正流量负流量负载敏感系统
.
系统震动和噪声
回复
使用道具
举报
提升卡
置顶卡
变色卡
卖女孩的火柴
卖女孩的火柴
当前离线
积分
1127
注册时间
2011-10-9
最后登录
1970-1-1
IP卡
狗仔卡
打卡等级:伴坛终老
打卡总天数:2602
打卡总奖励:6434
发表于 2014-10-10 11:36:35
|
显示全部楼层
你要搞啥
回复
使用道具
举报
qiuqingwu15
qiuqingwu15
当前离线
积分
56
注册时间
2012-8-28
最后登录
1970-1-1
IP卡
狗仔卡
打卡等级:常驻居民
打卡总天数:407
打卡总奖励:1475
发表于 2014-10-11 08:02:49
|
显示全部楼层
孔D4外部的液体压力已知是什么意思?不是P3吗
回复
使用道具
举报
返回列表
高级模式
B
Color
Image
Link
Quote
Code
Smilies
您需要登录后才可以回帖
登录
|
立即注册
本版积分规则
发表回复
回帖后跳转到最后一页
快速回复
返回顶部
返回列表