搜索
汉力达液压金币充值官方微信群液压资料下载
查看: 9388|回复: 15

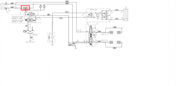
这个单向阀(红色框里面的)作用,去掉会有什么影响

  [复制链接]
发表于 2015-1-13 22:05:59 | 显示全部楼层 |阅读模式
这个单向阀(红色框里面的)作用,去掉会有什么影响

这个单向阀(红色框里面的)作用,去掉会有什么影响

这个单向阀(红色框里面的)作用,去掉会有什么影响
发表于 2015-1-14 07:49:34 | 显示全部楼层
去掉的话应该那个蓄能器无法正常工作了就。看图片楼主这个应该使用的力士乐的LT系列脚踏行车制动吧?
回复

使用道具 举报

  • 打卡等级:常驻居民
  • 打卡总天数:491
  • 打卡总奖励:2565
发表于 2015-1-14 07:55:49 | 显示全部楼层
这不是快速接头吗?
回复

使用道具 举报

  • 打卡等级:无名新人
  • 打卡总天数:2
  • 打卡总奖励:18
发表于 2015-1-14 08:33:49 | 显示全部楼层
这不是液压锁吗?
回复

使用道具 举报

发表于 2015-1-14 09:08:06 | 显示全部楼层
蓄能器保压力
回复

使用道具 举报

发表于 2015-1-14 09:13:56 | 显示全部楼层
哪个是反向梭阀,作用是把那两个带蓄能器的制动回路分隔开。具体的可以看一下力士乐LT13系列制动阀的样本
回复

使用道具 举报

  • 打卡等级:以坛为家
  • 打卡总天数:806
  • 打卡总奖励:2252
发表于 2015-1-14 10:12:01 | 显示全部楼层
本帖最后由 hebutllj 于 2015-1-14 10:15 编辑

就是双单向阀。。。。。
回复

使用道具 举报

  • 打卡等级:初来乍到
  • 打卡总天数:44
  • 打卡总奖励:323
发表于 2015-1-14 10:37:44 | 显示全部楼层
两制动器之间及与转向器之间会出现干扰。
回复

使用道具 举报

  • 打卡等级:初来乍到
  • 打卡总天数:58
  • 打卡总奖励:229
发表于 2015-1-14 21:32:45 | 显示全部楼层
cqzyouxiang 发表于 2015-1-14 10:37
两制动器之间及与转向器之间会出现干扰。

同意此说法
回复

使用道具 举报

  • 打卡等级:初来乍到
  • 打卡总天数:58
  • 打卡总奖励:229
发表于 2015-1-14 21:37:33 | 显示全部楼层
还有个别作用,应该是如果一侧的制动器出现故障也不会影响到另一侧,起到安全保护作用
回复

使用道具 举报

您需要登录后才可以回帖 登录 | 立即注册

本版积分规则