搜索
汉力达液压金币充值官方微信群液压资料下载
查看: 12699|回复: 10

双向平衡阀问题,新人求助!!

[复制链接]
发表于 2017-5-5 03:22:54 | 显示全部楼层 |阅读模式
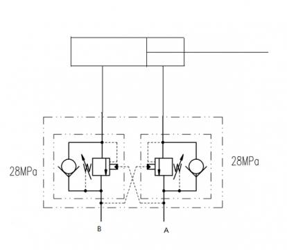
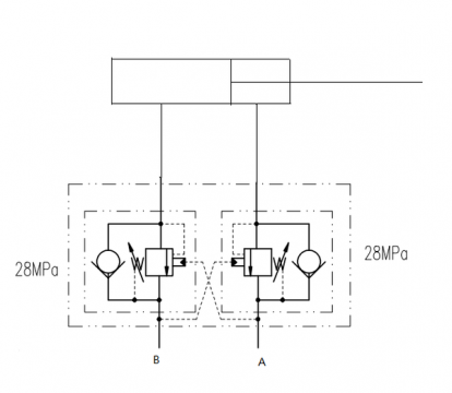
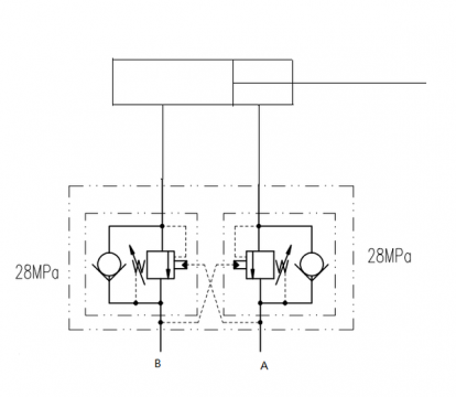
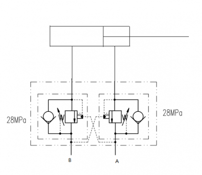
请问双向平衡阀中那个调节弹簧有什么用?我调整之后对系统压力有影响么?如果调整之后是不是设定压力、先导压力都变化了?
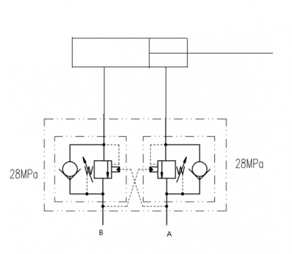
 楼主| 发表于 2017-5-5 06:24:47 | 显示全部楼层

图片怎么没传上来
双向平衡阀.jpg
回复

使用道具 举报

  • 打卡等级:无名新人
  • 打卡总天数:1
  • 打卡总奖励:4
发表于 2017-5-5 06:50:58 | 显示全部楼层
这个一般是不调的。出厂已经调好了。如果调了能保持负载的压力就变化了
回复

使用道具 举报

 楼主| 发表于 2017-5-5 06:56:50 | 显示全部楼层
莫宇恩 发表于 2017-5-5 06:50
这个一般是不调的。出厂已经调好了。如果调了能保持负载的压力就变化了

调整之后系统压力有变化么?
回复

使用道具 举报

  • 打卡等级:偶尔看看
  • 打卡总天数:64
  • 打卡总奖励:156
发表于 2017-5-5 07:54:24 | 显示全部楼层
系统压力无变化,液压缸回油背压有变化。
回复

使用道具 举报

  • 打卡等级:即来则安
  • 打卡总天数:220
  • 打卡总奖励:642
发表于 2017-5-5 07:55:48 | 显示全部楼层
不低于负载的压力就没问题
回复

使用道具 举报

  • 打卡等级:无名新人
  • 打卡总天数:1
  • 打卡总奖励:4
发表于 2017-5-5 08:19:17 | 显示全部楼层
hebqwl 发表于 2017-5-5 06:56
调整之后系统压力有变化么?

跟系统压力没关系
回复

使用道具 举报

  • 打卡等级:无名新人
  • 打卡总天数:1
  • 打卡总奖励:5
发表于 2017-5-5 13:22:12 | 显示全部楼层
调节弹簧是调节设定压力,先导开启压力的变化是因为设定压力发生变化。
回复

使用道具 举报

  • 打卡等级:无名新人
  • 打卡总天数:1
  • 打卡总奖励:5
发表于 2017-5-5 13:24:36 | 显示全部楼层
调节弹簧的作用是调节平衡阀的设定压力。调整之后会造成系统开启压力的提高。
回复

使用道具 举报

  • 打卡等级:偶尔看看
  • 打卡总天数:76
  • 打卡总奖励:210
发表于 2017-5-5 14:41:08 | 显示全部楼层
用来调节溢流阀的溢流值呀,调的越大,系统所能承载的负荷也就越大(当然这应该有个范围限制)。
回复

使用道具 举报

您需要登录后才可以回帖 登录 | 立即注册

本版积分规则