搜索
金币充值液压资料下载官方微信群
查看: 8882|回复: 12

力士乐流量、压力、功率控制

[复制链接]
  • 打卡等级:常驻居民
  • 打卡总天数:462
  • 打卡总奖励:896
发表于 2015-3-12 12:56:35 | 显示全部楼层 |阅读模式
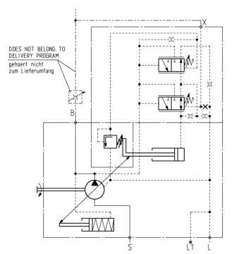
哪位大侠知道,附图中力士乐恒功率的控制阀如何工作?

原理

原理

控制阀

控制阀
  • 打卡等级:即来则安
  • 打卡总天数:202
  • 打卡总奖励:669
发表于 2015-3-12 22:20:55 | 显示全部楼层
资料下载里有书
回复

使用道具 举报

  • 打卡等级:即来则安
  • 打卡总天数:252
  • 打卡总奖励:1118
发表于 2015-3-15 21:44:08 | 显示全部楼层
仔细阅读力士乐的样本,非常详细,如果没有,可以到力士乐官方网站下载; 仔细研究研究那个L形杠杆,看懂这个杠杆,恒功率就明白了。
回复

使用道具 举报

  • 打卡等级:初来乍到
  • 打卡总天数:38
  • 打卡总奖励:275
发表于 2015-3-27 08:05:05 | 显示全部楼层
我记得力士乐培训的培训师说过DFLR是假恒功率!
回复

使用道具 举报

发表于 2015-3-27 10:21:56 | 显示全部楼层
zhouxun 发表于 2015-3-27 08:05
我记得力士乐培训的培训师说过DFLR是假恒功率!

你说的是A10VO泵的DFLR,那个泵的恒功率其实是2个弹簧的双折线近似拟合恒功率双曲线,效果肯定不如A11VO泵的杠杆机构那个恒功率好的
回复

使用道具 举报

发表于 2015-3-31 11:34:07 | 显示全部楼层
交流学习 发表于 2015-3-15 21:44
仔细阅读力士乐的样本,非常详细,如果没有,可以到力士乐官方网站下载; 仔细研究研究那个L形杠杆,看懂这个杠 ...

你说的是a11v的恒功率原理,楼主贴的是a10v的,两原理不一样
回复

使用道具 举报

发表于 2015-3-31 11:35:52 | 显示全部楼层
zhouxun 发表于 2015-3-27 08:05
我记得力士乐培训的培训师说过DFLR是假恒功率!

差不多,真正做到恒功率的是a11v的原理
回复

使用道具 举报

  • 打卡等级:初来乍到
  • 打卡总天数:38
  • 打卡总奖励:275
发表于 2015-3-31 11:52:18 | 显示全部楼层
暖风 发表于 2015-3-31 11:35
差不多,真正做到恒功率的是a11v的原理

A4的LR
回复

使用道具 举报

发表于 2015-3-31 22:50:34 | 显示全部楼层
建议你看一下张海平老师的《液压速度控制技术》,里面有A10V恒功率控制的原理讲解。
如果需要,我给你贴一下书中的彩图。
回复

使用道具 举报

  • 打卡等级:初来乍到
  • 打卡总天数:38
  • 打卡总奖励:275
发表于 2015-4-1 16:53:11 | 显示全部楼层
去下载里下一本书,<液压变量泵<马达>变量调节原理与应用>,里面有详细谅解,找不到可以联系,我发给你
回复

使用道具 举报

您需要登录后才可以回帖 登录 | 立即注册

本版积分规则