设为首页
收藏本站
所有帖子
关于我们
联系我们
微信群
开启辅助访问
搜索
搜索
本版
用户
门户
Portal
资讯
液压资讯
观点
观点
产品
液压产品
技术
液压技术
合集
导读
Guide
下载
签到
金币
论坛
BBS
登录
立即注册
腾讯QQ
账号
自动登录
找回密码
密码
登录
立即注册
只需一步,快速开始
好友
动态
收藏
分享
帖子
日志
记录
相册
留言板
勋章
任务
道具
设置
退出
液压圈
»
论坛
›
液压系统
›
AMESim
›
求教图中管道器件在哪里找到的
负载敏感资料下载
|
液压培训资料下载
|
液压样本下载
|
AMESim资料下载
|
力士乐资料下载
|
挖掘机资料下载
|
标准资料下载
|
多路阀资料下载
返回列表
查看:
3683
|
回复:
1
求教图中管道器件在哪里找到的
[复制链接]
Promise
Promise
当前离线
积分
28
注册时间
2015-5-27
最后登录
1970-1-1
IP卡
狗仔卡
打卡等级:无名新人
打卡总天数:5
打卡总奖励:40
发表于 2015-6-12 14:56:49
|
显示全部楼层
|
阅读模式
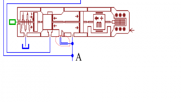
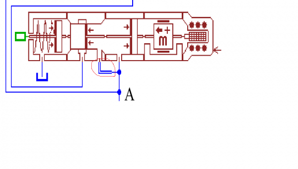
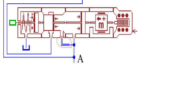
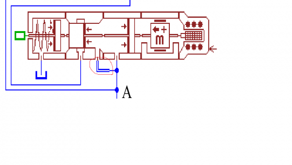
图中红色标记部分的器件是管道吗?在哪里能找到?谢谢各位大神,可以告诉我下在哪个栏目找到的,英文是什么或者简单截图讲解发到
243801308@qq.com
谢谢各位大神!!!
管道
求教图中管道器件在哪里找到的
相关帖子
.
请问AMESIM中管道表面粗糙度在哪里设置?
.
为什么链接管道的时候会出现这种状况,求大神帮助!
.
关于AMESim管道子模型的问题
.
管道尺寸的问题求解答
.
空气压缩管道—钢性铝管的应用
.
皓世管道
.
液压系统适用温度
.
快关蝶阀液压缸设计疑惑
.
摆线泵出现内转子断裂最有可能是什么原因引起的?
.
两种管道流动的讨论,求进,看一下不会怀孕0.0
回复
使用道具
举报
提升卡
置顶卡
变色卡
lgz2868
lgz2868
当前离线
积分
823
注册时间
2013-5-16
最后登录
1970-1-1
IP卡
狗仔卡
发表于 2015-6-13 21:06:04
|
显示全部楼层
就是用普通的三通连接上去的连线,在子模型时选取了除direct之外的子模型
回复
使用道具
举报
返回列表
高级模式
B
Color
Image
Link
Quote
Code
Smilies
您需要登录后才可以回帖
登录
|
立即注册
本版积分规则
发表回复
回帖后跳转到最后一页
浏览过的版块
资料下载
液压泵马达
液压技术
液压电磁阀
快速回复
返回顶部
返回列表