搜索
金币充值液压资料下载官方微信群
查看: 30358|回复: 30

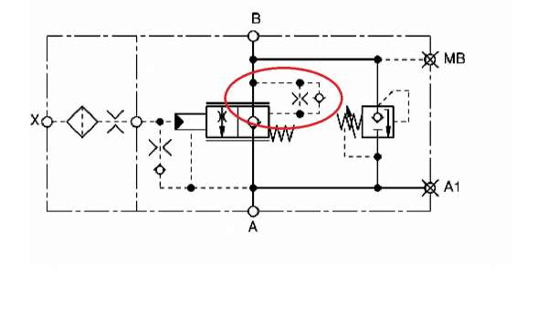
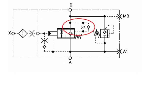
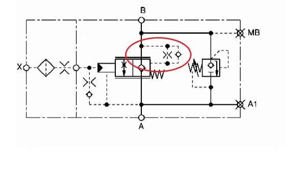
分析一下布赫平衡阀中红圈处油路的作用

  [复制链接]
  • 打卡等级:伴坛终老
  • 打卡总天数:3542
  • 打卡总奖励:9749
发表于 2015-7-26 11:20:12 | 显示全部楼层 |阅读模式
如图,大家分析一下。这里的节流孔和单向阀并接什么意思?

布赫平衡阀

布赫平衡阀
  • 打卡等级:无名新人
  • 打卡总天数:9
  • 打卡总奖励:60
发表于 2015-7-26 11:30:45 | 显示全部楼层
起到突然换向时的液压冲击,其实防止重载或者高速的情况下的液压惯性,起缓冲的作用。
回复

使用道具 举报

  • 打卡等级:伴坛终老
  • 打卡总天数:3542
  • 打卡总奖励:9749
 楼主| 发表于 2015-7-26 12:02:48 | 显示全部楼层
xuefeng1985 发表于 2015-7-26 11:30
起到突然换向时的液压冲击,其实防止重载或者高速的情况下的液压惯性,起缓冲的作用。

你指的突然换向指的是工作状态转非工作状态?还是别的?当x口有压力时主阀芯卸油由于有单向阀会快速动作,关闭时这个节流口干嘛的?

点评

***关闭速度,防止液压冲击。  发表于 2015-7-26 12:45
回复

使用道具 举报

  • 打卡等级:无名新人
  • 打卡总天数:9
  • 打卡总奖励:60
发表于 2015-7-26 13:15:37 | 显示全部楼层
抗衡阀与液压锁的作用是一样的,只是抗衡阀能够抗冲击。
回复

使用道具 举报

  • 打卡等级:论坛老炮
  • 打卡总天数:1338
  • 打卡总奖励:3434
发表于 2015-7-26 14:07:30 | 显示全部楼层
B腔有压力时保证平衡阀安全的锁死。
在运动过程中B腔压力越大,平衡阀开口越小。如起重机的变副回路,下落过程中力矩不断增大,B口压力越来越高,平衡阀开口变小,从而保证下落的匀速运动。
好像布赫叫做过补偿技术。
个人分析未必正确。
回复

使用道具 举报

  • 打卡等级:初来乍到
  • 打卡总天数:44
  • 打卡总奖励:323
发表于 2015-7-26 18:10:11 | 显示全部楼层
改善阀动作的平稳性。
回复

使用道具 举报

  • 打卡等级:伴坛终老
  • 打卡总天数:3542
  • 打卡总奖励:9749
 楼主| 发表于 2015-7-26 22:10:06 | 显示全部楼层
iyeya 发表于 2015-7-26 14:07
B腔有压力时保证平衡阀安全的锁死。
在运动过程中B腔压力越大,平衡阀开口越小。如起重机的变副回路,下落 ...

有道理,但这不能解释节流孔的作用啊
回复

使用道具 举报

  • 打卡等级:无名新人
  • 打卡总天数:4
  • 打卡总奖励:8
发表于 2015-7-26 23:03:16 | 显示全部楼层
可以先考察一下实际的结构,找找这个阻尼口的位置
回复

使用道具 举报

  • 打卡等级:论坛老炮
  • 打卡总天数:1341
  • 打卡总奖励:2112
发表于 2015-7-27 07:40:38 | 显示全部楼层
本帖最后由 qqqqqqwwww 于 2015-7-27 08:15 编辑

节流孔是从节流位到单向截止位时起作用,防止冲击,防止速度的突然变化,保护主阀芯;而单向阀是从截止位到节流位时,主阀芯卸油,快速动作。即主阀芯快开慢关。
回复

使用道具 举报

  • 打卡等级:论坛老炮
  • 打卡总天数:1338
  • 打卡总奖励:3434
发表于 2015-7-27 08:26:34 | 显示全部楼层
spinning1976 发表于 2015-7-26 22:10
有道理,但这不能解释节流孔的作用啊

阻尼孔应该是提高稳定性的,防止阀芯波动。
回复

使用道具 举报

您需要登录后才可以回帖 登录 | 立即注册

本版积分规则