设为首页
收藏本站
所有帖子
关于我们
联系我们
微信群
开启辅助访问
搜索
搜索
本版
用户
门户
Portal
资讯
液压资讯
观点
观点
产品
液压产品
技术
液压技术
合集
导读
Guide
下载
签到
金币
论坛
BBS
登录
立即注册
腾讯QQ
账号
自动登录
找回密码
密码
登录
立即注册
只需一步,快速开始
我的
日志
记录
收藏
勋章
任务
道具
动态
设置
退出
液压圈
»
论坛
›
液压系统
›
AMESim
›
比例减压阀AEMSim建模求指导!
负载敏感资料下载
|
液压培训资料下载
|
液压样本下载
|
AMESim资料下载
|
力士乐资料下载
|
挖掘机资料下载
|
标准资料下载
|
多路阀资料下载
返回列表
查看:
5568
|
回复:
2
比例减压阀AEMSim建模求指导!
[复制链接]
menghuyouyou
menghuyouyou
当前离线
积分
17
注册时间
2015-7-20
最后登录
1970-1-1
IP卡
狗仔卡
发表于 2015-8-26 22:08:30
|
显示全部楼层
|
阅读模式
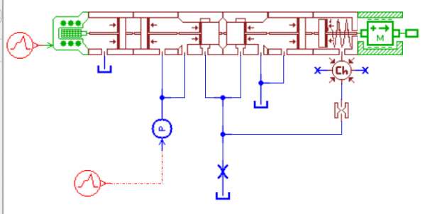
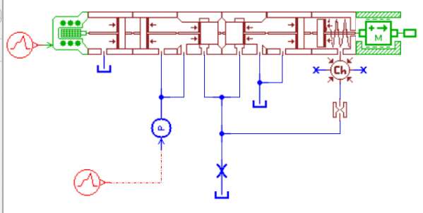
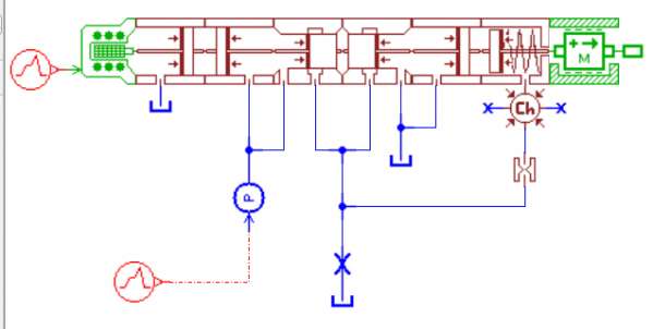
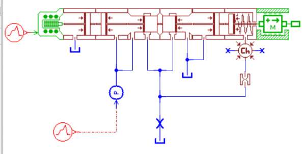
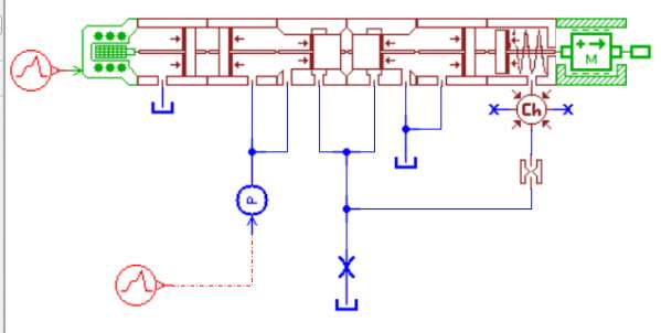
求助各位大神!本人刚学AEMSim不久,自己试着建立了比例减压阀的AEMSim模型,自己对建模的正确性不是很肯定,求指导!另外针对比例流量阀的建模,对流量阀最后的腔不知怎么处理?是否有好心人建立下比例流量阀的模型,供学习下,非常感谢!
比例减压阀
比例减压阀AEMSim建模求指导!
比例减压阀AEMSim建模求指导!
比例减压阀AEMSim建模求指导!
相关帖子
.
川崎比例减压阀
.
湿式全液压制动系统中的驻车制动阀。
.
比例减压阀
.
防爆的比例减压阀
.
关于力士乐A8泵的问题
.
力士乐3DR三通比例减压阀的功能使用
.
挖掘机液压泵电比例减压阀
.
德国Thomas 比例减压阀和通断电磁阀样本
.
德国Thomas 比例减压阀和通断电磁阀样本
.
“反电流” 电磁比例减压阀!
回复
使用道具
举报
提升卡
置顶卡
变色卡
tuodenian
tuodenian
当前离线
积分
14
注册时间
2015-8-19
最后登录
1970-1-1
IP卡
狗仔卡
发表于 2015-8-28 14:59:58
|
显示全部楼层
我也看弄这个阀,可以加qq交流吗?
1253912675
回复
使用道具
举报
tuodenian
tuodenian
当前离线
积分
14
注册时间
2015-8-19
最后登录
1970-1-1
IP卡
狗仔卡
发表于 2015-8-28 15:01:24
|
显示全部楼层
我也在弄这个阀,可以加QQ交流吗?1253912675
回复
使用道具
举报
返回列表
高级模式
B
Color
Image
Link
Quote
Code
Smilies
您需要登录后才可以回帖
登录
|
立即注册
本版积分规则
发表回复
回帖后跳转到最后一页
浏览过的版块
液压泵马达
建议区
资料下载
工程机械
液压辅件
液压电磁阀
公告区
快速回复
返回顶部
返回列表