搜索
汉力达液压金币充值官方微信群液压资料下载
查看: 5730|回复: 8

[起重机械] 关于力士乐A8泵的问题

  [复制链接]
  • 打卡等级:初来乍到
  • 打卡总天数:46
  • 打卡总奖励:140
发表于 2016-4-21 20:58:36 | 显示全部楼层 |阅读模式
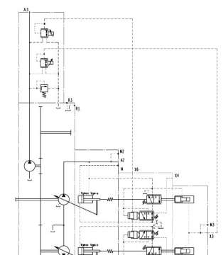
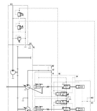
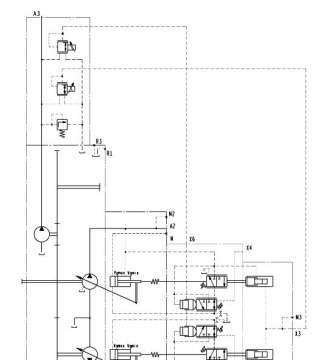
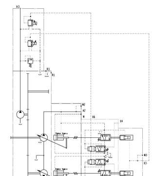
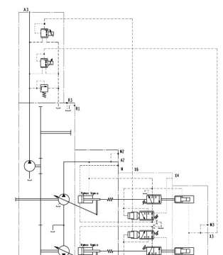
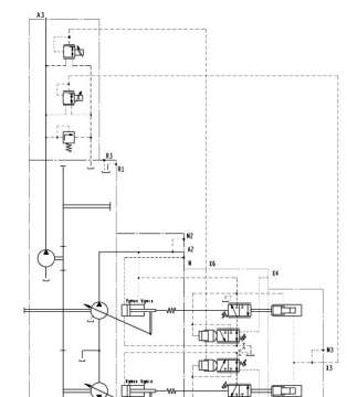
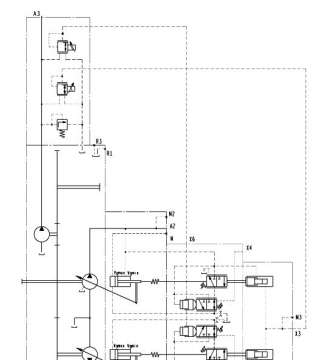
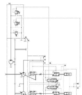
工程机械力士乐A8VO140LA1S有几点不清楚的地方;
1.功率控制电比例减压阀和负载传感电比例减压阀的具体作用是什么?电气方面是通过采集哪些方面的数据做比较改变泵排量的?
2.发动机会输入一个总的功率假设为P0 KW, 哪么A8泵的恒功率的设置是怎么得出来的?  假设恒功率为P KW , 是否因为是分功率控制,所以每个泵都可以独立使用恒功率P KW, 如何两泵一起用,只要满足P1+P2=P0就可以呢?


因为不是很清楚,所以描述上会有问题,请对A8泵了解的朋友解答一下,如果有相关资料,如果可以请发我一份,我的邮箱如下:
2747572452@qq.com  ,,非常感谢!!!!愿意与各位交朋友;





关于力士乐A8泵的问题

关于力士乐A8泵的问题

关于力士乐A8泵的问题

关于力士乐A8泵的问题
  • 打卡等级:偶尔看看
  • 打卡总天数:78
  • 打卡总奖励:362
发表于 2016-4-26 10:11:19 | 显示全部楼层
1、功率越权控制【功率控制+电比例减压阀】,是为充分发挥发动机能力,并达到节能的效果。
     发动机的输出扭矩随转速而变化,如果泵只有恒功率而无越权控制,那么泵的设定扭矩只能设定为发动机最大输出扭矩的百分之七八十或八九十(看具体性能曲线和使用转速),这意味着在发动机能力的浪费。
     泵增加恒功率越权控制后,可以随时调整泵的最大输入扭矩,使之与发动机的最大输出扭矩相匹配,充分利用发动机能力并达到节能的效果。
     具体应用中,通常通过发动机失速控制来实现。
回复

使用道具 举报

  • 打卡等级:偶尔看看
  • 打卡总天数:78
  • 打卡总奖励:362
发表于 2016-4-26 10:19:09 | 显示全部楼层
2、负载敏感越权控制【负载敏感+电比例减压阀(压差远程调节)】,是为适应主机的精细化操作要求。
     我们知道,在LUDV系统中,泵上的负载敏感阀设定压差,直接影响多路阀每一联的输出流量。当设定压差确定后,不同的阀芯开口,对应不同的流量。如果主机要求精细化操作时,希望将整个动作速度减慢,但是通过微调操作手柄来实现低速操作,操作难度很大,稳定性差。此时可以通过压差的越权控制将设定压差降低下来,于是同样的阀芯开口下,流量比原来降低了,速度降下来了。
回复

使用道具 举报

  • 打卡等级:偶尔看看
  • 打卡总天数:78
  • 打卡总奖励:362
发表于 2016-4-26 10:25:04 | 显示全部楼层
3、常规的双泵分功率控制(区别于双泵总功率控制),是两个泵各自分得最大功率的一半。
     但对于这种分功率带越权控制的,通过在电控上优化,两个泵的功率分配可以更加灵活。不过这不是泵本身能解决的,得依赖外部的控制程序。
回复

使用道具 举报

  • 打卡等级:偶尔看看
  • 打卡总天数:78
  • 打卡总奖励:362
发表于 2016-4-26 17:45:40 | 显示全部楼层
7小时前发的帖子,怎么第一条还没审核通过呢?
特意分成几条来发,就是回复内容一多就要审核好久,没料到第一条内容就写多了。。。
回复

使用道具 举报

  • 打卡等级:初来乍到
  • 打卡总天数:46
  • 打卡总奖励:140
 楼主| 发表于 2016-5-3 23:06:01 来自手机 | 显示全部楼层
hyc 发表于 2016-4-26 10:11
1、功率越权控制【功率控制+电比例减压阀】,是为充分发挥发动机能力,并达到节能的效果。
     发动机的 ...

非常感谢,你能举个实际应用的例子来说明一下么,或者有这方面的资料能发一份吗?
回复

使用道具 举报

  • 打卡等级:初来乍到
  • 打卡总天数:46
  • 打卡总奖励:140
 楼主| 发表于 2016-5-3 23:14:24 来自手机 | 显示全部楼层
hyc 发表于 2016-4-26 10:11
1、功率越权控制【功率控制+电比例减压阀】,是为充分发挥发动机能力,并达到节能的效果。
     发动机的 ...

     泵增加恒功率越权控制后,可以随时调整泵的最大输入扭矩,这个是通过什么方法做到的?
回复

使用道具 举报

  • 打卡等级:初来乍到
  • 打卡总天数:46
  • 打卡总奖励:140
 楼主| 发表于 2016-5-3 23:43:03 来自手机 | 显示全部楼层
hyc 发表于 2016-4-26 10:25
3、常规的双泵分功率控制(区别于双泵总功率控制),是两个泵各自分得最大功率的一半。
     但对于这种分 ...

如果只是单泵工作状态,应该可以输出所有功率吧
回复

使用道具 举报

  • 打卡等级:偶尔看看
  • 打卡总天数:78
  • 打卡总奖励:362
发表于 2016-5-4 18:13:39 | 显示全部楼层
Darren 发表于 2016-5-3 23:06
非常感谢,你能举个实际应用的例子来说明一下么,或者有这方面的资料能发一份吗?

中大吨位挖掘机是典型应用案例。网上搜了下,找到一个相关的论文,你自己了解下吧。
补充:通过调节比例减压阀的输出压力即可调节泵的最大输出功率。
网址:http://wenku.baidu.com/view/60a5ef8783d049649b6658b3.html
回复

使用道具 举报

您需要登录后才可以回帖 登录 | 立即注册

本版积分规则