搜索
汉力达液压金币充值官方微信群液压资料下载
查看: 9447|回复: 9

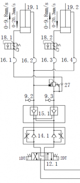
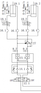
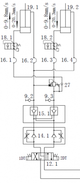
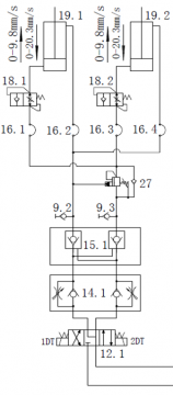
如下图,液压锁、平衡阀、防爆阀是否可以不用这么多,油缸始终受压应力。

    [复制链接]
  • 打卡等级:无名新人
  • 打卡总天数:22
  • 打卡总奖励:89
发表于 2015-9-10 11:04:43 | 显示全部楼层 |阅读模式
如下图,液压锁、平衡阀、防爆阀是否可以不用这么多,油缸始终受压应力。

如下图,液压锁、平衡阀、防爆阀是否可以不用这么多,油缸始终受压应力。

如下图,液压锁、平衡阀、防爆阀是否可以不用这么多,油缸始终受压应力。

Mobile crane.pdf

652.74 KB, 下载次数: 114

售价: 5 金钱  [记录]

如下图,液压锁、平衡阀、防爆阀是否可以不用这么多,油缸始终受压应力。

  • 打卡等级:无名新人
  • 打卡总天数:4
  • 打卡总奖励:13
发表于 2015-9-10 11:44:07 | 显示全部楼层
个人觉得平衡阀可以不要了
回复

使用道具 举报

  • 打卡等级:即来则安
  • 打卡总天数:250
  • 打卡总奖励:1426
发表于 2015-9-10 13:50:58 | 显示全部楼层
改成出口节流的话感觉可以不要平衡阀
回复

使用道具 举报

  • 打卡等级:论坛老炮
  • 打卡总天数:1145
  • 打卡总奖励:1768
发表于 2015-9-10 14:30:40 | 显示全部楼层
液压锁可以去掉,平衡阀不能去
回复

使用道具 举报

  • 打卡等级:无名新人
  • 打卡总天数:1
  • 打卡总奖励:5
发表于 2015-9-10 18:50:13 | 显示全部楼层
我觉得如果你能够将换向阀和双向单项节流阀相当于起到换向和调节速度的作用;
液压锁我认为可以取消;
平衡阀起到下降限速的作用,所以不能取消,
防爆阀认为不能取消,因为防爆阀和平衡阀之间有软管连接,也就是我认为你的平衡阀不是板式连接,如果板式连接估计要多增加一个平衡阀。个人看法。
回复

使用道具 举报

  • 打卡等级:偶尔看看
  • 打卡总天数:61
  • 打卡总奖励:386
发表于 2015-9-11 08:03:25 | 显示全部楼层
平衡阀放油缸口,其他去掉就行,防爆阀问题多
回复

使用道具 举报

  • 打卡等级:无名新人
  • 打卡总天数:21
  • 打卡总奖励:94
发表于 2015-9-18 11:00:59 | 显示全部楼层
受教,谢谢了,大师
回复

使用道具 举报

发表于 2016-10-5 23:38:11 来自手机 | 显示全部楼层
在这里逛一逛感觉全是老司机,
回复

使用道具 举报

  • 打卡等级:偶尔看看
  • 打卡总天数:89
  • 打卡总奖励:128
发表于 2022-10-20 15:30:36 | 显示全部楼层
这个问题我也一直拿不准
回复

使用道具 举报

  • 打卡等级:常驻居民
  • 打卡总天数:554
  • 打卡总奖励:715
发表于 2022-10-25 16:12:35 | 显示全部楼层
液压锁、平衡阀、防爆阀,有点多,呵呵
回复

使用道具 举报

您需要登录后才可以回帖 登录 | 立即注册

本版积分规则