设为首页
收藏本站
所有帖子
关于我们
联系我们
微信群
开启辅助访问
搜索
搜索
本版
用户
门户
Portal
资讯
液压资讯
观点
观点
产品
液压产品
技术
液压技术
合集
导读
Guide
下载
签到
金币
论坛
BBS
登录
立即注册
腾讯QQ
账号
自动登录
找回密码
密码
登录
立即注册
只需一步,快速开始
好友
动态
收藏
分享
帖子
日志
记录
相册
留言板
勋章
任务
道具
设置
退出
液压圈
»
论坛
›
液压系统
›
AMESim
›
关于HCD建模比例换向阀
负载敏感资料下载
|
液压培训资料下载
|
液压样本下载
|
AMESim资料下载
|
力士乐资料下载
|
挖掘机资料下载
|
标准资料下载
|
多路阀资料下载
返回列表
查看:
3511
|
回复:
2
关于HCD建模比例换向阀
[复制链接]
shi25194
shi25194
当前离线
积分
46
注册时间
2015-9-16
最后登录
1970-1-1
IP卡
狗仔卡
打卡等级:无名新人
打卡总天数:10
打卡总奖励:26
发表于 2016-4-24 11:36:56
|
显示全部楼层
|
阅读模式
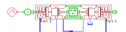
阀的开口量怎么设置阀的开口量呢?我想做个比例换向阀。随着发现的动作,阀的流量跟着变化的那种。
换向阀
关于HCD建模比例换向阀
相关帖子
.
供应力士乐塑机应用新型换向阀
.
求购二位四通球型换向阀
.
力士乐WH10液控换向阀,怎么安装到集成块上?
.
比例换向阀阀芯问题
.
水液压缸自动换向设计
.
比例系统设计
.
请教
.
关于三位换向阀建模
.
请教怎么在AMESim中设置换向阀的阀芯位移X
.
关于解决卸荷时的换向阀的压力冲击问题
回复
使用道具
举报
提升卡
置顶卡
变色卡
lisenlin
lisenlin
当前离线
积分
180
注册时间
2017-7-26
最后登录
1970-1-1
IP卡
狗仔卡
打卡等级:即来则安
打卡总天数:268
打卡总奖励:443
发表于 2019-5-8 18:52:51
|
显示全部楼层
我会搭比例换向阀
回复
使用道具
举报
我要做大牛
我要做大牛
当前离线
积分
11
注册时间
2019-5-27
最后登录
1970-1-1
IP卡
狗仔卡
发表于 2019-7-1 21:36:17
|
显示全部楼层
lisenlin 发表于 2019-5-8 18:52
我会搭比例换向阀
请教一下mass和bao主要设置哪些参数
回复
使用道具
举报
返回列表
高级模式
B
Color
Image
Link
Quote
Code
Smilies
您需要登录后才可以回帖
登录
|
立即注册
本版积分规则
发表回复
回帖后跳转到最后一页
浏览过的版块
液压泵马达
快速回复
返回顶部
返回列表