设为首页
收藏本站
所有帖子
关于我们
联系我们
微信群
开启辅助访问
搜索
搜索
本版
用户
门户
Portal
资讯
液压资讯
观点
观点
产品
液压产品
技术
液压技术
合集
导读
Guide
下载
签到
金币
论坛
BBS
登录
立即注册
腾讯QQ
账号
自动登录
找回密码
密码
登录
立即注册
只需一步,快速开始
好友
动态
收藏
分享
帖子
日志
记录
相册
留言板
勋章
任务
道具
设置
退出
液压圈
»
论坛
›
液压元件
›
液压电磁阀
›
一个三位四通电磁换向阀左边得电阀芯向哪边移动? ...
负载敏感资料下载
|
液压培训资料下载
|
液压样本下载
|
AMESim资料下载
|
力士乐资料下载
|
挖掘机资料下载
|
标准资料下载
|
多路阀资料下载
返回列表
查看:
13866
|
回复:
9
一个三位四通电磁换向阀左边得电阀芯向哪边移动?
[复制链接]
yepeng7890
yepeng7890
当前离线
积分
6
注册时间
2016-5-3
最后登录
1970-1-1
IP卡
狗仔卡
发表于 2016-5-10 16:01:54
|
显示全部楼层
|
阅读模式
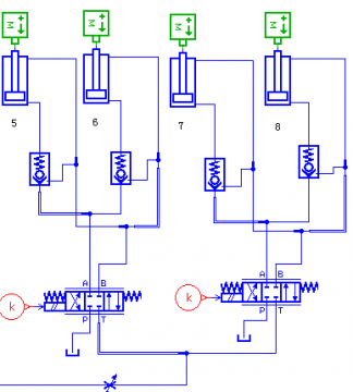
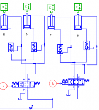
电磁阀的型号是DSG-01-3C2-D24
电磁换向阀
,
四通
一个三位四通电磁换向阀左边得电阀芯向哪边移动?
相关帖子
.
电磁换向阀流量问题
.
工程机械液驱电控B开关电磁铁-张海平
.
电磁换向阀常见3大故障原因,附排除方法
.
求购二位四通球型换向阀
.
求一个三位四通手动换向阀的连接底板
.
请教各位大神,Y型机能三位四通电磁换向阀元件级建模怎么建啊
.
电磁换向阀 阀芯材质
.
新人求教,三位四通H型换向阀详细建模
.
带应急操作手柄的电磁换向阀
回复
使用道具
举报
提升卡
置顶卡
变色卡
zzfjct
zzfjct
当前离线
积分
1370
注册时间
2013-7-28
最后登录
1970-1-1
IP卡
狗仔卡
打卡等级:偶尔看看
打卡总天数:78
打卡总奖励:170
发表于 2016-5-10 17:00:12
|
显示全部楼层
左边得电实现左边功能,反之亦然。
回复
使用道具
举报
wd634588254
wd634588254
当前离线
积分
71
注册时间
2016-5-3
最后登录
1970-1-1
IP卡
狗仔卡
打卡等级:即来则安
打卡总天数:197
打卡总奖励:557
发表于 2016-5-10 18:42:28
|
显示全部楼层
赞同上面大师
回复
使用道具
举报
lygbeyondgod
lygbeyondgod
当前离线
积分
565
注册时间
2015-6-3
最后登录
1970-1-1
IP卡
狗仔卡
打卡等级:常驻居民
打卡总天数:349
打卡总奖励:1339
发表于 2016-5-11 17:28:22
|
显示全部楼层
这些都是基本的知识,多看看书,多看看样本
回复
使用道具
举报
aresfire
aresfire
当前离线
积分
18
注册时间
2013-2-22
最后登录
1970-1-1
IP卡
狗仔卡
打卡等级:无名新人
打卡总天数:1
打卡总奖励:4
发表于 2016-5-12 16:24:43
|
显示全部楼层
amesim里面可以在三位四通阀模型里面设置各口关于阀芯的函数关系。
回复
使用道具
举报
llchy668
llchy668
当前离线
积分
661
注册时间
2013-2-23
最后登录
1970-1-1
IP卡
狗仔卡
打卡等级:以坛为家
打卡总天数:722
打卡总奖励:1090
发表于 2016-5-25 21:51:22
|
显示全部楼层
你可以理解弹簧是对中的,电磁铁得电是压缩弹簧推着阀芯运动...
回复
使用道具
举报
陆林海
陆林海
当前离线
积分
2
注册时间
2017-2-2
最后登录
1970-1-1
IP卡
狗仔卡
发表于 2017-2-2 05:50:25
|
显示全部楼层
一般来说左边通电向右边移动
回复
使用道具
举报
永喜
永喜
当前离线
积分
9
注册时间
2017-3-25
最后登录
1970-1-1
IP卡
狗仔卡
发表于 2017-3-27 20:49:46
|
显示全部楼层
只要记住,通电就是推动阀芯
回复
使用道具
举报
yangqs2004
yangqs2004
当前离线
积分
237
注册时间
2015-10-29
最后登录
1970-1-1
IP卡
狗仔卡
打卡等级:常驻居民
打卡总天数:462
打卡总奖励:1316
发表于 2017-3-28 22:16:29
|
显示全部楼层
这。。是不是画错了啊?P口不是接油泵的吗?点解接回油的?这个好像是单头的!只有左边是有电磁铁!
回复
使用道具
举报
返回列表
高级模式
B
Color
Image
Link
Quote
Code
Smilies
您需要登录后才可以回帖
登录
|
立即注册
本版积分规则
发表回复
回帖后跳转到最后一页
浏览过的版块
资料下载
AMESim
液压技术
快速回复
返回顶部
返回列表