设为首页
收藏本站
所有帖子
关于我们
联系我们
微信群
开启辅助访问
搜索
搜索
本版
用户
门户
Portal
资讯
液压资讯
观点
观点
产品
液压产品
技术
液压技术
合集
导读
Guide
下载
签到
金币
论坛
BBS
登录
立即注册
腾讯QQ
账号
自动登录
找回密码
密码
登录
立即注册
只需一步,快速开始
好友
动态
收藏
分享
帖子
日志
记录
相册
留言板
勋章
任务
道具
设置
退出
液压圈
»
论坛
›
液压系统
›
AMESim
›
实现我这个功能有必要用matlab与amesim做联合仿真吗 ...
负载敏感资料下载
|
液压培训资料下载
|
液压样本下载
|
AMESim资料下载
|
力士乐资料下载
|
挖掘机资料下载
|
标准资料下载
|
多路阀资料下载
返回列表
查看:
3236
|
回复:
0
实现我这个功能有必要用matlab与amesim做联合仿真吗
[复制链接]
horizon2210
horizon2210
当前离线
积分
26
注册时间
2016-4-20
最后登录
1970-1-1
IP卡
狗仔卡
发表于 2016-7-21 10:56:38
|
显示全部楼层
|
阅读模式
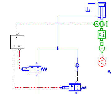
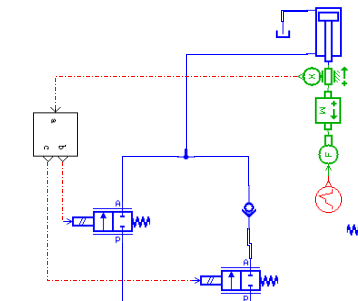
我想通过一个位移传感器感受位移 然后控制一个进油换向阀和回油换向阀
相当于上升的时候依靠油压 下降的时候依靠自身重量下降
matlab
,
联合
实现我这个功能有必要用matlab与amesim做联合仿真吗
相关帖子
.
关于Amesim与matlab联合仿真,迭代无法终止
.
simunlink和amesim联合仿真问题
.
win10 ,AMESIM MATLAB 联合仿真
.
AMESIM-MATLAB(simulink)联合仿真
.
AMEsim和simulink联合仿真问题
.
AMEsim R10和Matlab 2008a可以联合仿真吗
.
LMSAMESim与LABVIEW 联合仿真
.
AMESim与LABVIEW联合仿真
.
simulink和AMEsim联合仿真求助
.
AMESim和matlab联合仿真。使用PID控制有一个s函数编程求问。
回复
使用道具
举报
提升卡
置顶卡
变色卡
返回列表
高级模式
B
Color
Image
Link
Quote
Code
Smilies
您需要登录后才可以回帖
登录
|
立即注册
本版积分规则
发表回复
回帖后跳转到最后一页
浏览过的版块
液压技术
企业名录
快速回复
返回顶部
返回列表