搜索
汉力达液压金币充值官方微信群液压资料下载
查看: 7403|回复: 6

平衡阀与单向节流阀

  [复制链接]
  • 打卡等级:无名新人
  • 打卡总天数:10
  • 打卡总奖励:48
发表于 2016-8-24 21:23:15 | 显示全部楼层 |阅读模式
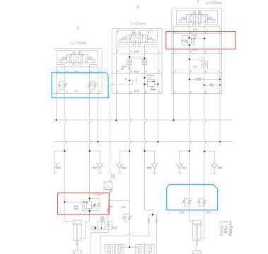
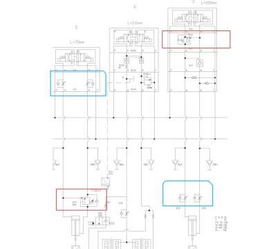
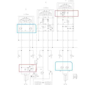
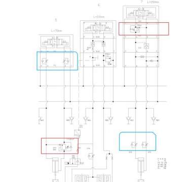
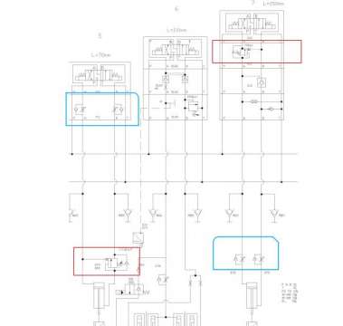
请问图中平衡阀安装在单向节流阀后 节流阀采用进口节流 而平衡阀安装在单向节流阀前 就采用回路节流

平衡阀与单向节流阀

平衡阀与单向节流阀

  • 打卡等级:论坛老炮
  • 打卡总天数:970
  • 打卡总奖励:2845
发表于 2016-8-24 22:56:57 | 显示全部楼层
这样平衡阀的出油口没背压
回复

使用道具 举报

  • 打卡等级:论坛老炮
  • 打卡总天数:970
  • 打卡总奖励:2845
发表于 2016-8-24 22:59:00 | 显示全部楼层
出油口没背压的同时控制油取的油缸入口压力,个人理解
回复

使用道具 举报

  • 打卡等级:偶尔看看
  • 打卡总天数:144
  • 打卡总奖励:704
发表于 2016-8-25 20:38:21 | 显示全部楼层
如果平衡阀开启比过小,背压可能会起油缸在超越负载情况下运动不平稳;其次背压可能会引起平衡阀关闭缓慢,引起油缸停留位置不准确;
回复

使用道具 举报

  • 打卡等级:无名新人
  • 打卡总天数:10
  • 打卡总奖励:48
 楼主| 发表于 2016-8-25 20:42:28 | 显示全部楼层
rk9004 发表于 2016-8-25 20:38
如果平衡阀开启比过小,背压可能会起油缸在超越负载情况下运动不平稳;其次背压可能会引起平衡阀关闭缓慢, ...

谢谢回答  {:8_254:}{:8_254:}
- 本文出自液压圈,原文地址:https://www.iyeya.cn/thread-44748-1-1.html
回复

使用道具 举报

  • 打卡等级:论坛老炮
  • 打卡总天数:1166
  • 打卡总奖励:1813
发表于 2016-8-29 07:50:34 | 显示全部楼层
wgj 发表于 2016-8-25 20:42
谢谢回答  
- 本文出自液压圈,原文地址:https://www.iyeya.cn/thread-44748-1-1 ...

系统存在回油背压,出口背压将会直接叠加在设定值上。设定压力增加值等于(1十先导比)的倍数。
回复

使用道具 举报

  • 打卡等级:无名新人
  • 打卡总天数:10
  • 打卡总奖励:48
 楼主| 发表于 2016-9-6 21:03:07 | 显示全部楼层
qqqqqqwwww 发表于 2016-8-29 07:50
系统存在回油背压,出口背压将会直接叠加在设定值上。设定压力增加值等于(1十先导比)的倍数。

谢谢 谢谢
- 本文出自液压圈,原文地址:https://www.iyeya.cn/thread-44748-1-1.html
回复

使用道具 举报

您需要登录后才可以回帖 登录 | 立即注册

本版积分规则