设为首页
收藏本站
所有帖子
关于我们
联系我们
微信群
开启辅助访问
搜索
搜索
本版
用户
门户
Portal
资讯
液压资讯
观点
观点
产品
液压产品
技术
液压技术
合集
导读
Guide
下载
签到
金币
论坛
BBS
登录
立即注册
腾讯QQ
账号
自动登录
找回密码
密码
登录
立即注册
只需一步,快速开始
好友
动态
收藏
分享
帖子
日志
记录
相册
留言板
勋章
任务
道具
设置
退出
液压圈
»
论坛
›
液压系统
›
AMESim
›
求大神指点
负载敏感资料下载
|
液压培训资料下载
|
液压样本下载
|
AMESim资料下载
|
力士乐资料下载
|
挖掘机资料下载
|
标准资料下载
|
多路阀资料下载
返回列表
查看:
3644
|
回复:
3
求大神指点
[复制链接]
15852911786
15852911786
当前离线
积分
77
注册时间
2016-8-25
最后登录
1970-1-1
IP卡
狗仔卡
打卡等级:偶尔看看
打卡总天数:81
打卡总奖励:252
发表于 2016-9-18 09:54:21
|
显示全部楼层
|
阅读模式
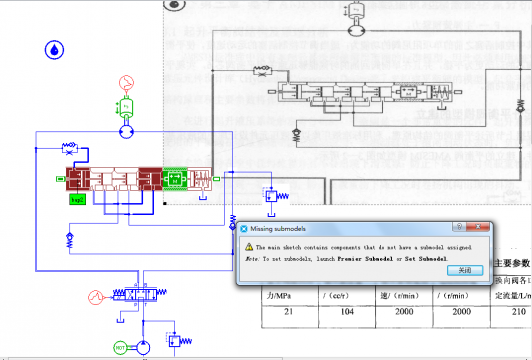
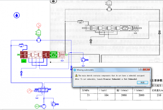
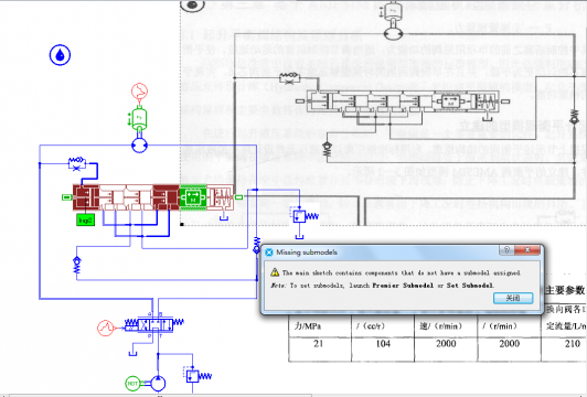
这是我在看论文时,建的
平衡阀
模型。出现这种提示,是什么原因。怎么更正。而且我感觉论文里这个平衡阀建的有问题。。。。但我不敢确定。。。
求大神指点
求大神指点
平衡阀
,
论文
,
模型
相关帖子
.
平衡阀引压点位置的问题
.
黄山工业泵 HSNH2900螺杆泵 模型
.
国产替代哈威/HAWE多路阀 & 国产高品质液压锁/防抖平衡阀
.
分享一款 松下伺服电机模型 型号:MSMF5AZL1C2
.
PRB 25 手动泵 模型
.
外啮合齿轮泵模型
.
HYDAC 贺德克 RFM内置回油过滤器 模型
.
SW管接头模型,需要的自行下载
.
流量控制与压力控制阀芯
.
德国wessel平衡阀样本
回复
使用道具
举报
提升卡
置顶卡
变色卡
交流学习
交流学习
当前离线
积分
386
注册时间
2011-7-27
最后登录
1970-1-1
IP卡
狗仔卡
打卡等级:即来则安
打卡总天数:252
打卡总奖励:1118
发表于 2016-9-18 22:45:32
|
显示全部楼层
子模型有问题,仔细分析分析子模型。
回复
使用道具
举报
15852911786
15852911786
当前离线
积分
77
注册时间
2016-8-25
最后登录
1970-1-1
IP卡
狗仔卡
打卡等级:偶尔看看
打卡总天数:81
打卡总奖励:252
楼主
|
发表于 2016-9-19 08:43:19
|
显示全部楼层
嗯,我也知道子模型有问题,这个没有可选子模型。。。然后就不会了
回复
使用道具
举报
15852911786
15852911786
当前离线
积分
77
注册时间
2016-8-25
最后登录
1970-1-1
IP卡
狗仔卡
打卡等级:偶尔看看
打卡总天数:81
打卡总奖励:252
楼主
|
发表于 2016-9-19 09:22:01
|
显示全部楼层
谢谢大家,该问题已解决。只需要将质量块放到第二个位置即可。。。至于为什么会这样,还希望大神指点。
回复
使用道具
举报
返回列表
高级模式
B
Color
Image
Link
Quote
Code
Smilies
您需要登录后才可以回帖
登录
|
立即注册
本版积分规则
发表回复
回帖后跳转到最后一页
浏览过的版块
供求信息
液压技术
资料下载
快速回复
返回顶部
返回列表