搜索
汉力达液压金币充值官方微信群液压资料下载
查看: 8465|回复: 7

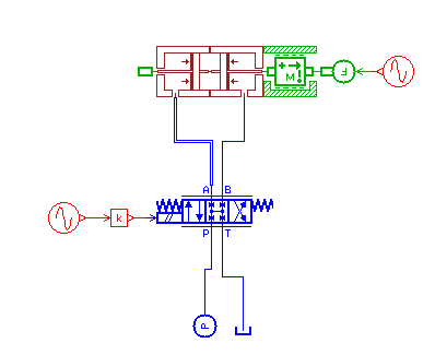
为什么那个质量块多了一个感叹号,并且参数设置也不一样了!

[复制链接]
  • 打卡等级:无名新人
  • 打卡总天数:27
  • 打卡总奖励:83
发表于 2016-9-29 16:30:37 | 显示全部楼层 |阅读模式
为什么那个质量块多了一个感叹号,并且参数设置也不一样了!

为什么那个质量块多了一个感叹号,并且参数设置也不一样了!

为什么那个质量块多了一个感叹号,并且参数设置也不一样了!
发表于 2016-10-9 14:54:57 | 显示全部楼层
你的质量块的子模型选错了应该选ms005 而且你油缸的两头应该用HCD库里面的容积腔当死区
回复

使用道具 举报

  • 打卡等级:无名新人
  • 打卡总天数:1
  • 打卡总奖励:4
发表于 2017-3-24 09:21:00 | 显示全部楼层
yiliya 发表于 2016-10-9 14:54
你的质量块的子模型选错了应该选ms005 而且你油缸的两头应该用HCD库里面的容积腔当死区

只有一个子模型没法选啊
回复

使用道具 举报

  • 打卡等级:无名新人
  • 打卡总天数:1
  • 打卡总奖励:4
发表于 2017-3-24 09:21:56 | 显示全部楼层
问题解决了吗我也遇到相同的问题了
回复

使用道具 举报

发表于 2017-4-21 20:50:23 | 显示全部楼层
阿里先生1314 发表于 2017-3-24 09:21
问题解决了吗我也遇到相同的问题了

先别点自动选子模型,手动选择质量块的子模型
回复

使用道具 举报

  • 打卡等级:无名新人
  • 打卡总天数:2
  • 打卡总奖励:2
发表于 2017-4-22 19:20:08 | 显示全部楼层
a334605123 发表于 2017-4-21 20:50
先别点自动选子模型,手动选择质量块的子模型

没回答到点上。
质量块存在的价值在于始终参与F=ma计算速度和位移等信息,如果外界已经给定速度和位移,那质量块就没有存在的价值了,仿真中应该避免。
回复

使用道具 举报

发表于 2017-4-24 09:08:25 | 显示全部楼层
libin1200 发表于 2017-4-22 19:20
没回答到点上。
质量块存在的价值在于始终参与F=ma计算速度和位移等信息,如果外界已经给定速度和位移, ...

我也是刚学,也碰到了这个问题,查了下说是代数环,具体的也不清楚,根据自己的解决的经验回复了下,谢谢你的指点
回复

使用道具 举报

发表于 2017-6-15 21:12:19 | 显示全部楼层
直接将那个质量块删了,在调入,可以从新手动选子模型吗
回复

使用道具 举报

您需要登录后才可以回帖 登录 | 立即注册

本版积分规则