设为首页
收藏本站
所有帖子
关于我们
联系我们
微信群
开启辅助访问
搜索
搜索
本版
用户
门户
Portal
资讯
液压资讯
观点
观点
产品
液压产品
技术
液压技术
合集
导读
Guide
下载
签到
金币
论坛
BBS
登录
立即注册
腾讯QQ
账号
自动登录
找回密码
密码
登录
立即注册
只需一步,快速开始
好友
动态
收藏
分享
帖子
日志
记录
相册
留言板
勋章
任务
道具
设置
退出
液压圈
»
论坛
›
液压元件
›
液压多路阀
›
日立阀原理
负载敏感资料下载
|
液压培训资料下载
|
液压样本下载
|
AMESim资料下载
|
力士乐资料下载
|
挖掘机资料下载
|
标准资料下载
|
多路阀资料下载
返回列表
查看:
5050
|
回复:
2
日立阀原理
[复制链接]
lovetsing
lovetsing
当前离线
积分
192
注册时间
2012-7-6
最后登录
1970-1-1
IP卡
狗仔卡
打卡等级:无名新人
打卡总天数:2
打卡总奖励:7
发表于 2017-4-17 13:54:54
|
显示全部楼层
|
阅读模式
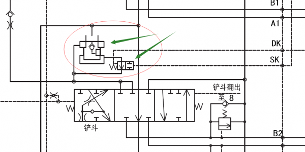
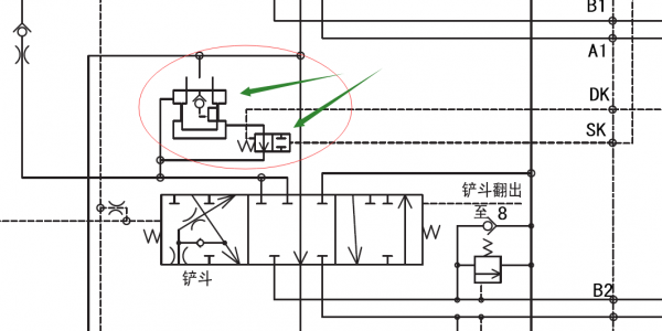
日立原理图有个小阀,不知道是怎么动作?是单向阀吗?看不明白这个功能符号
日立
这个阀是个什么原理了,怎么动作
相关帖子
.
日立EX350挖掘机的装修手册
.
求助 各位大神 日立ZX70 做动作掉转速
.
哪位大神有日立挖机的HPV118泵的原理图
.
日立350主泵调节器3D模型 SW2012 自己对实物画的
.
日立螺杆机保养
.
日立螺杆机自检说明
.
挖掘机系统原理图总帖,均为PDF格式文件
.
日立hpv系列泵资料
.
日立 ZX330液压图
.
日立ZX70挖掘机装修手册
回复
使用道具
举报
提升卡
置顶卡
变色卡
lovetsing
lovetsing
当前离线
积分
192
注册时间
2012-7-6
最后登录
1970-1-1
IP卡
狗仔卡
打卡等级:无名新人
打卡总天数:2
打卡总奖励:7
楼主
|
发表于 2017-4-17 15:32:03
|
显示全部楼层
就是这个玩意儿,看不懂
回复
使用道具
举报
lovetsing
lovetsing
当前离线
积分
192
注册时间
2012-7-6
最后登录
1970-1-1
IP卡
狗仔卡
打卡等级:无名新人
打卡总天数:2
打卡总奖励:7
楼主
|
发表于 2017-4-17 15:33:04
|
显示全部楼层
就是这个东西,提动头如何提动
回复
使用道具
举报
返回列表
高级模式
B
Color
Image
Link
Quote
Code
Smilies
您需要登录后才可以回帖
登录
|
立即注册
本版积分规则
发表回复
回帖后跳转到最后一页
浏览过的版块
公告区
资料下载
液压泵马达
供求信息
液压技术
快速回复
返回顶部
返回列表