设为首页
收藏本站
所有帖子
关于我们
联系我们
微信群
开启辅助访问
搜索
搜索
本版
用户
门户
Portal
资讯
液压资讯
观点
观点
产品
液压产品
技术
液压技术
合集
导读
Guide
下载
签到
金币
论坛
BBS
登录
立即注册
腾讯QQ
账号
自动登录
找回密码
密码
登录
立即注册
只需一步,快速开始
好友
动态
收藏
分享
帖子
日志
记录
相册
留言板
勋章
任务
道具
设置
退出
液压圈
»
论坛
›
液压系统
›
AMESim
›
AMEsim有偿找人帮忙做一个简单的液压系统仿真 ...
负载敏感资料下载
|
液压培训资料下载
|
液压样本下载
|
AMESim资料下载
|
力士乐资料下载
|
挖掘机资料下载
|
标准资料下载
|
多路阀资料下载
返回列表
查看:
4485
|
回复:
0
AMEsim有偿找人帮忙做一个简单的液压系统仿真
[复制链接]
1422394855
1422394855
当前离线
积分
8
注册时间
2017-5-20
最后登录
1970-1-1
IP卡
狗仔卡
发表于 2017-5-20 13:12:48
|
显示全部楼层
|
阅读模式
qq1422394855有意加我q
系统仿真
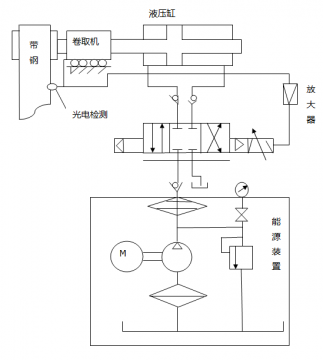
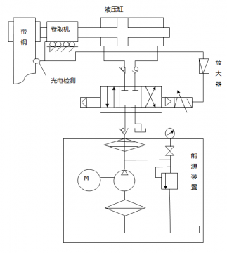
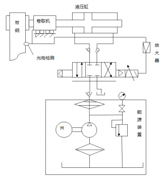
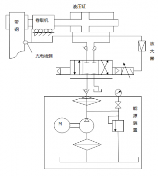
AMEsim有偿找人帮忙做一个简单的液压系统仿真
相关帖子
.
矿用车举升系统仿真请教前辈
.
液压系统仿真伺服阀问题
.
分享Amesim乘用车制动系统仿真模型-可仿真踏板感制动距离等等
.
求AMEsim机械液压系统仿真安装软件
.
AMEsim机械液压系统仿真
.
基于MATLAB高空作业车电液比例调平系统仿真研究
.
求一篇飞机起落架液压系统仿真
.
网络研讨会车辆制动系统仿真解决方案及国内案例分享
.
系统仿真,三位六通换向阀没有中位Y型的怎么自己建一个
.
请问液压系统仿真是管路参数设置什么啊
回复
使用道具
举报
提升卡
置顶卡
变色卡
返回列表
高级模式
B
Color
Image
Link
Quote
Code
Smilies
您需要登录后才可以回帖
登录
|
立即注册
本版积分规则
发表回复
回帖后跳转到最后一页
快速回复
返回顶部
返回列表