搜索
汉力达液压金币充值官方微信群液压资料下载
查看: 12836|回复: 18

一个电液阀控制两组多路阀怎么联接

[复制链接]
  • 打卡等级:偶尔看看
  • 打卡总天数:60
  • 打卡总奖励:97
发表于 2017-7-13 16:36:03 | 显示全部楼层 |阅读模式
两组多路阀想共用一个油源,如通过电液阀连接后,回油管怎么接?

一个电液阀控制两组多路阀怎么联接

一个电液阀控制两组多路阀怎么联接
  • 打卡等级:无名新人
  • 打卡总天数:5
  • 打卡总奖励:6
发表于 2017-7-14 08:25:26 | 显示全部楼层
T口耐压吗??????????????????
回复

使用道具 举报

  • 打卡等级:偶尔看看
  • 打卡总天数:60
  • 打卡总奖励:97
 楼主| 发表于 2017-7-14 23:09:53 | 显示全部楼层
zhanghaibowin 发表于 2017-7-14 08:25
T口耐压吗??????????????????

T 口要求压力不大于10bar
回复

使用道具 举报

  • 打卡等级:无名新人
  • 打卡总天数:5
  • 打卡总奖励:6
发表于 2017-7-15 08:10:30 | 显示全部楼层
zhang1088 发表于 2017-7-14 23:09
T 口要求压力不大于10bar

你这张图里存在的问题:
1、左边两联多路阀T口没连接油箱,另,确定该多路阀是串联的吗?如果是,那么第一联有动作,则第二联动作不了。
2、电液换向阀如果在中位,左边的多路阀动作,电液换向阀T口压力会超过你要求的1MPa
回复

使用道具 举报

  • 打卡等级:偶尔看看
  • 打卡总天数:60
  • 打卡总奖励:97
 楼主| 发表于 2017-7-17 16:25:57 | 显示全部楼层
zhanghaibowin 发表于 2017-7-15 08:10
你这张图里存在的问题:
1、左边两联多路阀T口没连接油箱,另,确定该多路阀是串联的吗?如果是,那么第 ...

左边多路阀和右边回油用三通联接成一个。电液阀中位机能改成P通T形式了。T口与其余两组串联
回复

使用道具 举报

  • 打卡等级:无名新人
  • 打卡总天数:5
  • 打卡总奖励:6
发表于 2017-7-18 08:58:37 | 显示全部楼层
zhang1088 发表于 2017-7-17 16:25
左边多路阀和右边回油用三通联接成一个。电液阀中位机能改成P通T形式了。T口与其余两组串联

1.左边的多路阀与您描述的不一致,T口是断开的。
2.电液阀中位机能和您描述的也相差甚远。

建议:用正确的图来问正确的问题,提高严谨性
回复

使用道具 举报

  • 打卡等级:偶尔看看
  • 打卡总天数:60
  • 打卡总奖励:97
 楼主| 发表于 2017-7-18 09:33:24 | 显示全部楼层
本帖最后由 zhang1088 于 2017-7-18 09:37 编辑
zhanghaibowin 发表于 2017-7-18 08:58
1.左边的多路阀与您描述的不一致,T口是断开的。
2.电液阀中位机能和您描述的也相差甚远。

您说的对,是我左阀回油画错了。订电液阀时因货源问题将中位机能修改了,没再更新这个图片。现更新如图
对您的专业和关注表示佩服。我对液压尚处于摸索阶段,有不明处还望不吝赐教
捕获3.JPG
回复

使用道具 举报

  • 打卡等级:无名新人
  • 打卡总天数:5
  • 打卡总奖励:6
发表于 2017-7-18 15:28:43 | 显示全部楼层
zhang1088 发表于 2017-7-18 09:33
您说的对,是我左阀回油画错了。订电液阀时因货源问题将中位机能修改了,没再更新这个图片。现更新如图
...

你太客气了,赐教不敢当,现在这个图我认为没什么问题,只是两组多路阀不能同时工作,再就是要控制好回油背压,防止误动作。。。
回复

使用道具 举报

  • 打卡等级:偶尔看看
  • 打卡总天数:60
  • 打卡总奖励:97
 楼主| 发表于 2017-7-18 20:31:28 | 显示全部楼层
zhanghaibowin 发表于 2017-7-18 15:28
你太客气了,赐教不敢当,现在这个图我认为没什么问题,只是两组多路阀不能同时工作,再就是要控制好回油 ...

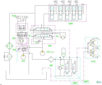
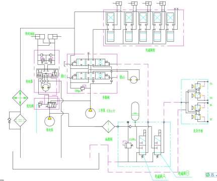
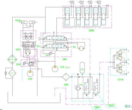
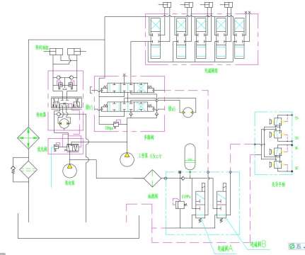
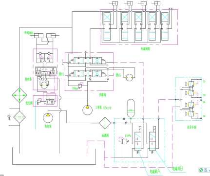
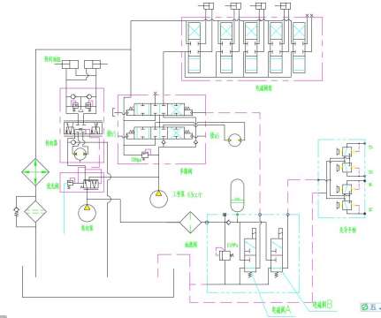
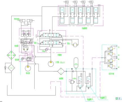
借用这个帖子再请教个问题。图片中原来是一台装载机的液压系统,后将装载机手动多路阀拆下,另接了一个先导控制的多路阀(不使用装载机的工作机构),先导油源取自转向泵。
现在出现问题,1.油源阀P口必须在转动方向器后才有压力,2.压力建立后电磁阀A得电后,发动机立即憋熄火。
请问可能是哪部分弄错了。
捕获4.JPG
回复

使用道具 举报

  • 打卡等级:偶尔看看
  • 打卡总天数:60
  • 打卡总奖励:97
 楼主| 发表于 2017-7-18 20:33:46 | 显示全部楼层
zhanghaibowin 发表于 2017-7-18 15:28
你太客气了,赐教不敢当,现在这个图我认为没什么问题,只是两组多路阀不能同时工作,再就是要控制好回油 ...

在发动机熄火前电磁阀组连接的油缸可以正常动作
回复

使用道具 举报

您需要登录后才可以回帖 登录 | 立即注册

本版积分规则