搜索
金币充值液压资料下载官方微信群
楼主: 泛舟

DFR/DFR1能否实现远程压力控制

    [复制链接]
  • 打卡等级:论坛老炮
  • 打卡总天数:1197
  • 打卡总奖励:1861
发表于 2013-8-7 09:30:42 来自手机 | 显示全部楼层
游勇 发表于 2012-3-20 11:56
按以下接管子便可以。若不用流量控制,可以把节流阀去掉,一般会在出口加一个方向阀作快慢速控制;在X口加一 ...

游老师 ,小方向阀p口前通常设一个直径1毫米的固定节流口,若没有这个节流口,是不是启动时压力显示为0,而不是FR的设定值14bar。若有这个节流口,是不是它产生的阻尼大于FR的14bar,从而压力表显示14bar,不知我的说法对不对?

点评

请提供油路图。  发表于 2013-8-7 10:33
回复

使用道具 举报

  • 打卡等级:论坛老炮
  • 打卡总天数:1197
  • 打卡总奖励:1861
发表于 2013-8-7 12:24:48 | 显示全部楼层
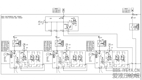
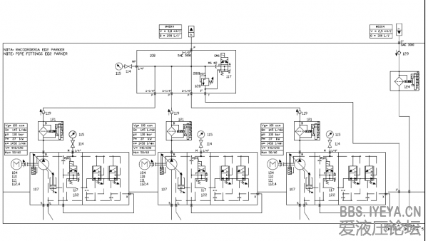
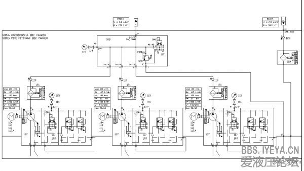
游老师,我已经把原理图发过去了,请你看看,多谢。

补充内容 (2014-2-3 00:01):

SCT62104A液压站.pdf

169.36 KB, 下载次数: 44

售价: 5 金钱  [记录]

评分

参与人数 1金钱 +10 收起 理由
泛舟 + 10 很经典的液压站图

查看全部评分

回复

使用道具 举报

  • 打卡等级:论坛老炮
  • 打卡总天数:1197
  • 打卡总奖励:1861
发表于 2013-8-7 12:38:49 | 显示全部楼层
还有,游老师,图中200BAR的安全阀与一个通径6的换向阀并联,前面有一个直径2毫米的节流孔,这个换向阀起卸荷作用吗?感觉直径2毫米也太小了吧?不知道这个换向阀具体起什么作用。

点评

变量泵是通过泵上的方向阀卸荷,而安全阀上的6通径是让***液压回路上的压力慢慢卸荷以减低冲击。  发表于 2013-8-7 16:29
回复

使用道具 举报

  • 打卡等级:初来乍到
  • 打卡总天数:30
  • 打卡总奖励:74
发表于 2013-8-7 16:42:20 | 显示全部楼层
你的想法大致上是对的。变量泵内的方向阀通过1mm节流子是保证油泵在卸荷时是低压低排量。直径1mm节流子在14Bar压差时排量为2~3升/分。由于变量泵要14Bar才能变量,若没有节流子,6通径方向阀可能要在油泵排量达100升/分才可使油泵变量,所以去掉节子後,压力还是会到14Bar,但油泵是大排量中卸荷。
A10V unload.png
回复

使用道具 举报

  • 打卡等级:论坛老炮
  • 打卡总天数:1197
  • 打卡总奖励:1861
发表于 2013-8-7 18:32:35 | 显示全部楼层
游勇 发表于 2013-8-7 16:42
你的想法大致上是对的。变量泵内的方向阀通过1mm节流子是保证油泵在卸荷时是低压低排量。直径1mm节流子在14 ...

多谢游老师解开我的疑惑。
回复

使用道具 举报

  • 打卡等级:无名新人
  • 打卡总天数:14
  • 打卡总奖励:14
 楼主| 发表于 2013-8-8 23:31:58 | 显示全部楼层
游勇 发表于 2013-8-7 16:42
你的想法大致上是对的。变量泵内的方向阀通过1mm节流子是保证油泵在卸荷时是低压低排量。直径1mm节流子在14 ...

安全阀上的6通径换向阀是布置在泵出口单向阀的出口,目的是为了泄压单向阀后至换向阀间的压力,以便更好单向阀后的相关阀时,可避免换阀时所产生的喷油现象。有的液压回路则在单向阀后的PT口间连接有截止阀,实现单向阀后的安全阀上的6通径换向阀的功能。
回复

使用道具 举报

  • 打卡等级:无名新人
  • 打卡总天数:14
  • 打卡总奖励:14
 楼主| 发表于 2013-8-8 23:35:25 | 显示全部楼层
qqqqqqwwww 发表于 2013-8-7 12:24
游老师,我已经把原理图发过去了,请你看看,多谢。

qqqqqqwwww:您好!可否提供该原理图的泵的详细型号。谢谢!
回复

使用道具 举报

  • 打卡等级:论坛老炮
  • 打卡总天数:1197
  • 打卡总奖励:1861
发表于 2013-8-9 07:16:44 来自手机 | 显示全部楼层
scgbb 发表于 2013-8-8 23:35
qqqqqqwwww:您好!可否提供该原理图的泵的详细型号。谢谢!

A10vso100DFR/31RppA12N00
回复

使用道具 举报

  • 打卡等级:论坛老炮
  • 打卡总天数:1197
  • 打卡总奖励:1861
发表于 2013-8-9 21:41:23 | 显示全部楼层
scgbb 发表于 2013-8-8 23:31
安全阀上的6通径换向阀是布置在泵出口单向阀的出口,目的是为了泄压单向阀后至换向阀间的压力,以便更好单 ...

谢谢scgbb老师的点拨,我今天又把各个线上的液压原理图又梳理了一遍,确如老师所说:在泵的单向阀出口和Y机能换向阀之间有6通径的卸荷阀,并且换向阀P口前有直径1.0或者1.2的节流子,那么我又有个疑问:问什么只设置6通径的换向阀,为什么不设置10通径的卸荷不更快吗?设置此换向阀的作用无非就是泵停止运转后使单向阀后至换向阀间的压力卸荷,泵停止运转,换向阀就动作失电,一般是常开的,系统正常工作时得电关闭。还请老师明示,多谢。
回复

使用道具 举报

  • 打卡等级:无名新人
  • 打卡总天数:14
  • 打卡总奖励:14
 楼主| 发表于 2013-8-9 22:44:24 | 显示全部楼层
换向阀P口前有直径1.0或者1.2的节流子,那么我又有个疑问:问什么只设置6通径的换向阀,为什么不设置10通径的卸荷不更快吗
由于换向阀前的节流子为直径1.0或者1.2,设置10通径的效果与6通径的效果是一致的。1.0或者1.2的节流子在保证换向阀长期使用后,因磨损所产生的泄漏流量损失也可忽略不计。
我们一般在更换单向阀后的阀时,会对所换的之路的换向阀进行来回换向,就可实现换向阀后至油缸后AB油路进行泄压,保证在拆螺丝后,从不出现喷油现象。由于喷油现象会伤人,另恒容易击穿阀的密封圈。
回复

使用道具 举报

您需要登录后才可以回帖 登录 | 立即注册

本版积分规则