设为首页
收藏本站
所有帖子
关于我们
联系我们
微信群
开启辅助访问
搜索
搜索
本版
用户
门户
Portal
资讯
液压资讯
观点
观点
产品
液压产品
技术
液压技术
合集
导读
Guide
下载
签到
金币
论坛
BBS
登录
立即注册
腾讯QQ
账号
自动登录
找回密码
密码
登录
立即注册
只需一步,快速开始
好友
动态
收藏
分享
帖子
日志
记录
相册
留言板
勋章
任务
道具
设置
退出
液压圈
»
论坛
›
液压系统
›
液压技术
›
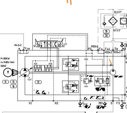
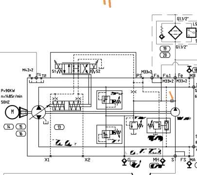
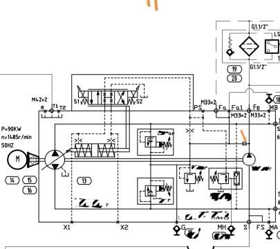
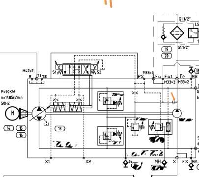
液压图中黄色箭头指的方块啥意思
负载敏感资料下载
|
液压培训资料下载
|
液压样本下载
|
AMESim资料下载
|
力士乐资料下载
|
挖掘机资料下载
|
标准资料下载
|
多路阀资料下载
1
2
/ 2 页
下一页
返回列表
查看:
1660
|
回复:
11
液压图中黄色箭头指的方块啥意思
[复制链接]
zgayy0915
zgayy0915
当前离线
积分
382
注册时间
2022-9-15
最后登录
1970-1-1
IP卡
狗仔卡
打卡等级:常驻居民
打卡总天数:474
打卡总奖励:769
发表于 2024-1-21 22:31:12
|
显示全部楼层
|
阅读模式
液压图中黄色箭头指的方块啥意思
回复
使用道具
举报
提升卡
置顶卡
变色卡
qq378779921
qq378779921
当前离线
积分
673
注册时间
2012-11-3
最后登录
1970-1-1
IP卡
狗仔卡
打卡等级:论坛老炮
打卡总天数:1193
打卡总奖励:1883
发表于 2024-1-22 08:27:13
|
显示全部楼层
内部的堵丝 外置过滤就堵上,不用外部过滤就拆下来
回复
使用道具
举报
hebutllj
hebutllj
当前离线
积分
116
注册时间
2015-1-8
最后登录
1970-1-1
IP卡
狗仔卡
打卡等级:以坛为家
打卡总天数:807
打卡总奖励:2253
发表于 2024-1-22 14:05:58
|
显示全部楼层
可更换元件。可以是通路,也可以是堵,取决于过滤方式
回复
使用道具
举报
hebutllj
hebutllj
当前离线
积分
116
注册时间
2015-1-8
最后登录
1970-1-1
IP卡
狗仔卡
打卡等级:以坛为家
打卡总天数:807
打卡总奖励:2253
发表于 2024-1-22 14:07:23
|
显示全部楼层
可选堵或通路,取决于过滤方式,图中压油口过滤,应该用堵才对
回复
使用道具
举报
四筒
四筒
当前离线
积分
695
注册时间
2012-9-9
最后登录
1970-1-1
IP卡
狗仔卡
打卡等级:以坛为家
打卡总天数:852
打卡总奖励:1098
发表于 2024-1-22 18:57:13
来自手机
|
显示全部楼层
是个内部的堵头
回复
使用道具
举报
aners123
aners123
当前离线
积分
7
注册时间
2022-11-4
最后登录
1970-1-1
IP卡
狗仔卡
打卡等级:无名新人
打卡总天数:5
打卡总奖励:5
发表于 2024-1-22 19:25:40
|
显示全部楼层
梭阀! 应该是简单画
回复
使用道具
举报
aners123
aners123
当前离线
积分
7
注册时间
2022-11-4
最后登录
1970-1-1
IP卡
狗仔卡
打卡等级:无名新人
打卡总天数:5
打卡总奖励:5
发表于 2024-1-22 19:27:39
|
显示全部楼层
分析应该是梭阀,要不就是个油流指示器
回复
使用道具
举报
incer6
incer6
当前离线
积分
302
注册时间
2019-7-31
最后登录
1970-1-1
IP卡
狗仔卡
打卡等级:常驻居民
打卡总天数:316
打卡总奖励:390
发表于 2024-1-22 20:36:06
|
显示全部楼层
偶然所见,是不是这个
回复
使用道具
举报
zhaozhihui
zhaozhihui
当前离线
积分
642
注册时间
2023-4-25
最后登录
1970-1-1
IP卡
狗仔卡
打卡等级:以坛为家
打卡总天数:621
打卡总奖励:1021
发表于 2024-1-22 21:12:50
|
显示全部楼层
参考力士乐样本:
1.不通过Fe、Fa间过滤时,补油泵的油通过方块;
2.通过Fe、Fa间过滤时,补油泵的油不通过方块;
为不同配置设置的,算截止阀吧。
回复
使用道具
举报
wmxhit
wmxhit
当前离线
积分
153
注册时间
2022-6-30
最后登录
1970-1-1
IP卡
狗仔卡
打卡等级:无名新人
打卡总天数:11
打卡总奖励:12
发表于 2024-1-23 00:45:54
来自手机
|
显示全部楼层
是个堵头吧,
不接滤清器时,这地方是通的,把滤清器接口堵上
接滤清器时,这地方不通。
这是我猜的。
回复
使用道具
举报
下一页 »
1
2
/ 2 页
下一页
返回列表
高级模式
B
Color
Image
Link
Quote
Code
Smilies
您需要登录后才可以回帖
登录
|
立即注册
本版积分规则
发表回复
回帖后跳转到最后一页
浏览过的版块
公告区
液压多路阀
插装阀
AMESim
资料下载
工程机械
测试技术
求职招聘
液压泵马达
快速回复
返回顶部
返回列表