搜索
金币充值液压资料下载官方微信群
查看: 628|回复: 6

多路阀测试台原理请教

[复制链接]
  • 打卡等级:常驻居民
  • 打卡总天数:331
  • 打卡总奖励:378
发表于 2025-12-5 16:09:14 | 显示全部楼层 |阅读模式
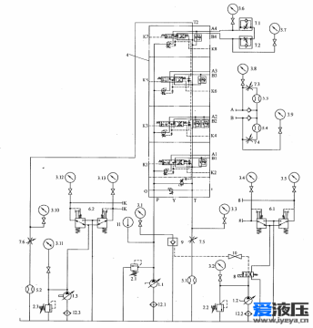
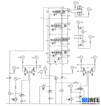
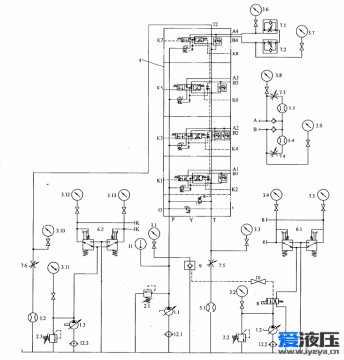
在论坛上看到这样一份原理图,想请教下多路阀出口A,B对应的,单向节流回路,和单向+流量计回路,是用来测多路阀的哪些参数的,看到不是很明白,麻烦各路大师给指点下。

原理图

原理图
回复

使用道具 举报

  • 打卡等级:论坛老炮
  • 打卡总天数:1263
  • 打卡总奖励:1800
发表于 2025-12-6 09:12:00 | 显示全部楼层
液压试验技术及应用(第二版)ISBN:9787122452177   出版社:化学工业出版社    作者:王起新,黄志坚
这本书可以参考一下。
回复

使用道具 举报

  • 打卡等级:初来乍到
  • 打卡总天数:37
  • 打卡总奖励:37
发表于 2025-12-6 13:20:59 | 显示全部楼层
你找一下多路阀的测试国标,上面应该有
回复

使用道具 举报

  • 打卡等级:常驻居民
  • 打卡总天数:331
  • 打卡总奖励:378
 楼主| 发表于 2025-12-8 08:39:35 | 显示全部楼层
液压/小白 发表于 2025-12-6 09:12
液压试验技术及应用(第二版)ISBN:9787122452177   出版社:化学工业出版社    作者:王起新,黄志坚
这 ...

收到,感谢
回复

使用道具 举报

  • 打卡等级:常驻居民
  • 打卡总天数:331
  • 打卡总奖励:378
 楼主| 发表于 2025-12-8 08:41:17 | 显示全部楼层
dirina 发表于 2025-12-6 13:20
你找一下多路阀的测试国标,上面应该有

刚查了下,确实有这个原理图,感谢
回复

使用道具 举报

  • 打卡等级:无名新人
  • 打卡总天数:2
  • 打卡总奖励:3
发表于 2025-12-11 15:29:08 | 显示全部楼层
我看,多路阀出口A,B对应的,单向节流回路,就是单纯模拟负载工况,AB口负载都可调节的。加上流量计可监测AB口实际输出流量
回复

使用道具 举报

  • 打卡等级:常驻居民
  • 打卡总天数:331
  • 打卡总奖励:378
 楼主| 发表于 2025-12-14 08:37:13 | 显示全部楼层
linzongchun 发表于 2025-12-11 15:29
我看,多路阀出口A,B对应的,单向节流回路,就是单纯模拟负载工况,AB口负载都可调节的。加上流量计可监测A ...

收到,感谢
回复

使用道具 举报

您需要登录后才可以回帖 登录 | 立即注册

本版积分规则