搜索
金币充值液压资料下载官方微信群
查看: 907|回复: 20

请教压辊油缸动作调试

  [复制链接]
  • 打卡等级:初来乍到
  • 打卡总天数:47
  • 打卡总奖励:124
发表于 2025-12-20 23:52:38 | 显示全部楼层 |阅读模式
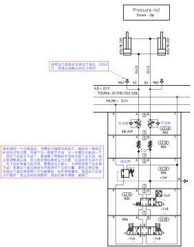
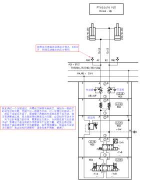
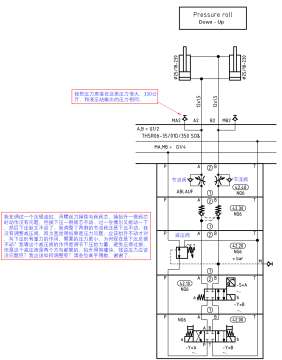
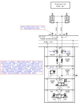
我在调试一个压辊油缸,用螺丝刀捅换向阀阀芯,捅抬升一侧阀芯时动作没有问题,但捅下压一侧阀芯不动,过一会偶尔又能动一下,然后下压就又不动了。我调整了两侧的节流阀还是下压不动。我没有调整减压阀,因为我觉得如果是压力问题,应该抬升不动才对,向下压时有重力的作用,需要的压力更小,为何现在是下压反倒不动?我猜这个减压阀的作用是调节下压的力量,避免压得过狠。但是这个减压阀是两个方向都管的,抬升得很痛快,按说压力应该没问题吧?我应该如何调整呢?请各位高手赐教,谢谢了。
压辊液压动作调整问题.jpg
回复

使用道具 举报

  • 打卡等级:论坛老炮
  • 打卡总天数:1341
  • 打卡总奖励:2112
发表于 2025-12-21 08:24:25 来自手机 | 显示全部楼层
压下杆端进油是B腔减压,抬起是无杆腔进油,系统压力。抬不起来就是减压阀设定压力小了。这个减压阀是B腔减压,不是P口减压。
回复

使用道具 举报

  • 打卡等级:以坛为家
  • 打卡总天数:850
  • 打卡总奖励:1340
发表于 2025-12-21 08:43:47 | 显示全部楼层
42.40节流阀可能有问题
回复

使用道具 举报

  • 打卡等级:以坛为家
  • 打卡总天数:899
  • 打卡总奖励:1360
发表于 2025-12-21 09:02:40 | 显示全部楼层
可能是A侧的液控单向阀没打开、或打开不利索,也不排除A侧单向节流阀孔堵塞的可能。
回复

使用道具 举报

  • 打卡等级:论坛老炮
  • 打卡总天数:1341
  • 打卡总奖励:2112
发表于 2025-12-21 10:45:26 来自手机 | 显示全部楼层
qqqqqqwwww 发表于 2025-12-21 08:24
压下杆端进油是B腔减压,抬起是无杆腔进油,系统压力。抬不起来就是减压阀设定压力小了。这个减压阀是B腔减 ...

压下的时候,把压力表接在MB2测压点,观察压力表压力,顺时针加大减压阀设定压力,直到压辊动作。
回复

使用道具 举报

  • 打卡等级:初来乍到
  • 打卡总天数:47
  • 打卡总奖励:124
 楼主| 发表于 2025-12-21 10:45:38 | 显示全部楼层
qqqqqqwwww 发表于 2025-12-21 08:24
压下杆端进油是B腔减压,抬起是无杆腔进油,系统压力。抬不起来就是减压阀设定压力小了。这个减压阀是B腔减 ...

谢谢您的解答,不过我您说的减压阀是 B 口减压还是不太明白,这个减压阀不是连接在进油口 P 之前吗?所以看上去无论哪个方向都得经过这个减压阀,所以还希望您再讲讲,谢谢了!
回复

使用道具 举报

  • 打卡等级:无名新人
  • 打卡总天数:16
  • 打卡总奖励:16
发表于 2025-12-21 11:16:52 | 显示全部楼层
机械卡阻的概率较大,或者42.10在左位(截止位,4位不通)
回复

使用道具 举报

  • 打卡等级:偶尔看看
  • 打卡总天数:78
  • 打卡总奖励:170
发表于 2025-12-21 14:34:47 | 显示全部楼层
与双液控单向阀配套的主换向阀(最下面那个)应该用中位Y机能的,否则就会发生这种不稳定的问题。
回复

使用道具 举报

  • 打卡等级:论坛老炮
  • 打卡总天数:1341
  • 打卡总奖励:2112
发表于 2025-12-21 14:39:32 来自手机 | 显示全部楼层
我心飞翔407 发表于 2025-12-21 10:45
谢谢您的解答,不过我您说的减压阀是 B 口减压还是不太明白,这个减压阀不是连接在进油口 P 之前吗?所以 ...

这是力士乐叠加减压阀工作原理,你对照下。
Screenshot_2025_1221_143738.jpg

点评

css
厉害了,看了一会儿才明白。  发表于 2025-12-23 13:51
回复

使用道具 举报

  • 打卡等级:论坛老炮
  • 打卡总天数:1037
  • 打卡总奖励:1751
发表于 2025-12-23 20:25:02 来自手机 | 显示全部楼层
去掉42.30双向锁试一试
回复

使用道具 举报

您需要登录后才可以回帖 登录 | 立即注册

本版积分规则