搜索
汉力达液压金币充值官方微信群液压资料下载
查看: 15735|回复: 30

挖掘机系统标的这几个流量什么意思

  [复制链接]
发表于 2013-11-8 15:42:24 | 显示全部楼层 |阅读模式
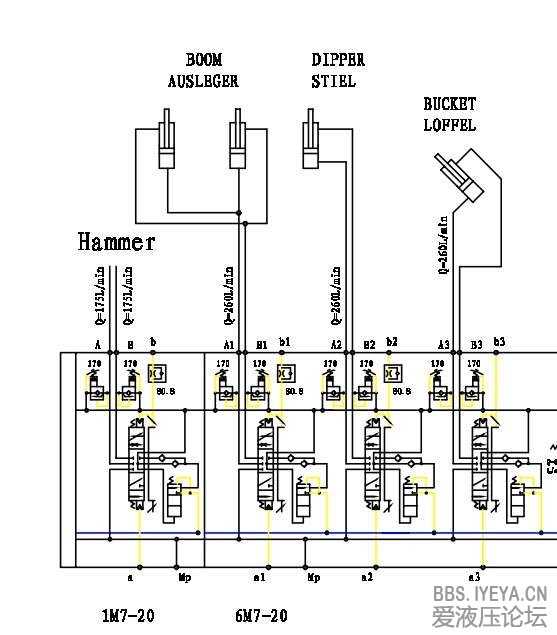
挖机是变量系统,流量是可调的啊,为什么还标着这几个流量?

挖机液压系统一部分

挖机液压系统一部分
发表于 2013-11-8 15:58:30 | 显示全部楼层
意思是这连阀片的设定的最大流量
回复

使用道具 举报

 楼主| 发表于 2013-11-8 16:02:41 | 显示全部楼层
那为什么其他几片多路阀的最大流量和他不同呢
回复

使用道具 举报

 楼主| 发表于 2013-11-8 16:11:54 | 显示全部楼层
为什么第一片多路阀的流量不一样
回复

使用道具 举报

发表于 2013-11-8 17:06:19 | 显示全部楼层
M7是LUDV系统,在系统流量未饱和的情况下,流入执行机构的油量只和阀片节流口面积有关
在本系统中虽然油源来自同一个泵,但是每个阀片节流口面积不同,所以输出的流量各不相同。
回复

使用道具 举报

发表于 2013-11-8 17:21:23 | 显示全部楼层
阀片不同位置的最大通过流量。
回复

使用道具 举报

  • 打卡等级:无名新人
  • 打卡总天数:9
  • 打卡总奖励:62
发表于 2013-11-9 08:21:40 | 显示全部楼层
楼主,能否把全图上传上来让大家学习一下吗?万分感谢!
回复

使用道具 举报

 楼主| 发表于 2013-11-9 10:56:35 | 显示全部楼层
从别人那下载的。。

LUDV挖掘机液压系统图纸.pdf

127.75 KB, 下载次数: 86

售价: 5 金钱  [记录]

回复

使用道具 举报

 楼主| 发表于 2013-11-9 10:57:03 | 显示全部楼层
yc87001 发表于 2013-11-9 08:21
楼主,能否把全图上传上来让大家学习一下吗?万分感谢!

传了,正在审核,看看吧
回复

使用道具 举报

 楼主| 发表于 2013-11-9 11:01:40 | 显示全部楼层
zhangrongji85 发表于 2013-11-8 17:06
M7是LUDV系统,在系统流量未饱和的情况下,流入执行机构的油量只和阀片节流口面积有关
在本系统中虽然油源来 ...

通过您的指点明白了许多,再多问点,挖掘机的泵怎么感知系统流量需求?也是根据阀口开度大小决定流量大小吗/
回复

使用道具 举报

您需要登录后才可以回帖 登录 | 立即注册

本版积分规则