搜索
汉力达液压金币充值官方微信群液压资料下载
查看: 9214|回复: 12

请问两位三通阀参数怎么设置?

[复制链接]
发表于 2014-1-21 14:35:26 | 显示全部楼层 |阅读模式
本帖最后由 li3067483 于 2014-1-21 14:43 编辑

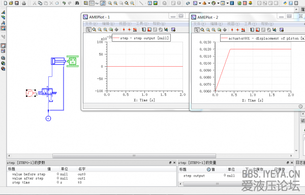
1.模型要求:输入信号控制油缸左右移动。
2.说明:      有信号,电磁阀左位,油缸左移;无信号,电磁阀右位,油缸右移。
3.问题 :       模型应该没错,但改变输入信号,无法实现油缸左右移动,不知问题出在哪里?怀疑两位三通阀参数      ............... 设置问题,请大神指导下,谢谢。

有信号

有信号

无信号

无信号

电磁阀参数设置

电磁阀参数设置

exercise_2.zip

317.46 KB, 下载次数: 12

售价: 5 金钱  [记录]

模型

 楼主| 发表于 2014-1-21 16:43:32 | 显示全部楼层
问题解决了,阶跃模型的值应该和比例阀的额定电流大小一致!
回复

使用道具 举报

  • 打卡等级:初来乍到
  • 打卡总天数:47
  • 打卡总奖励:199
发表于 2014-1-21 22:07:04 | 显示全部楼层
你说的是那个40mA吗楼主
回复

使用道具 举报

 楼主| 发表于 2014-1-21 22:20:39 | 显示全部楼层
许雷 发表于 2014-1-21 22:07
你说的是那个40mA吗楼主

是的,所以阶跃模型也应该是40
回复

使用道具 举报

发表于 2014-1-22 08:25:31 | 显示全部楼层
此油路是差动,无法完成往复运动!
回复

使用道具 举报

 楼主| 发表于 2014-1-22 09:05:31 | 显示全部楼层
sixue98 发表于 2014-1-22 08:25
此油路是差动,无法完成往复运动!

肯定可以的哦,你再仔细看看吧
回复

使用道具 举报

发表于 2014-1-22 11:45:41 | 显示全部楼层
电磁阀得电,形成差动。一个方向运动,对吗?
回复

使用道具 举报

发表于 2014-1-22 16:28:26 | 显示全部楼层
sixue98 发表于 2014-1-22 08:25
此油路是差动,无法完成往复运动!

电磁阀左位时,无杆腔卸荷,不是差动
回复

使用道具 举报

发表于 2014-1-22 17:51:23 | 显示全部楼层
哦,很好!差动带调速。应该可以了。
回复

使用道具 举报

  • 打卡等级:初来乍到
  • 打卡总天数:47
  • 打卡总奖励:199
发表于 2014-1-23 09:10:55 | 显示全部楼层
li3067483 发表于 2014-1-21 22:20
是的,所以阶跃模型也应该是40

哦  学习了  谢谢啦
回复

使用道具 举报

您需要登录后才可以回帖 登录 | 立即注册

本版积分规则