设为首页
收藏本站
所有帖子
关于我们
联系我们
微信群
开启辅助访问
搜索
搜索
用户
门户
Portal
资讯
液压资讯
观点
观点
产品
液压产品
技术
液压技术
合集
导读
Guide
下载
签到
金币
论坛
BBS
登录
立即注册
腾讯QQ
账号
自动登录
找回密码
密码
登录
立即注册
只需一步,快速开始
好友
动态
收藏
分享
帖子
日志
记录
相册
留言板
勋章
任务
道具
设置
退出
液压圈
›
门户
›
技术
技术
国产3D打印液压元件浅浅的展示
虽然一切还在路上 但值得期待3D打印伺服阀-海卓伺服Hydroservo3D打印换向阀/比例阀-上海商蔚科技Sunway
2023-10-5 16:10
追赶MOOG的国产伺服阀,目前都做了哪些
有网友之前留言,希望我谈谈国产伺服阀,今天的算是吧。中国航空工业集团609所中航工业南京伺服控制系统有限公司为中国航空工业集团公司金城南京机电液压工程研究中心的控股子公司,起源于中国航空附件研究所(609所) ...
2023-10-5 16:06
伊顿Hydrokraft柱塞泵产品应用指南
2023-10-5 16:02
伺服阀/比例阀的功耗问题
很多客户非常关心伺服阀/比例阀的功耗,这涉及到电源/控制器的功率问题。实际上,伺服阀的功耗和其应用状态关系非常大。静态工作时(或者低频),其功耗相对较小;高频工作时,功耗较大。以下是某型号伺服阀不同颤振频 ...
2023-9-13 20:11
阀的功耗问题
不管是电磁阀,还是比例阀或者伺服阀,在配备电源时,都会涉及到功耗问题,选多大功率的电源合适?这当然是需要考虑阀的功耗,根据阀的功耗来选择合适的电源。先来看看比例阀,比例阀电流通常比较大,功耗相对也大, ...
2023-9-13 20:09
力士乐工业阀原理、安装、调试与维护
2023-9-11 11:52
运动控制系统中,压力传感器用以提高精度和可靠性
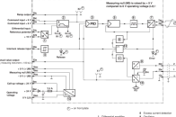
原文:Peter Nachtwey翻译整理:腾益登设备闭环控制是提高生产率和降低生命周期成本的关键。在需要施加精确压力的液压应用中,必须自动监测液压。液压溢流阀可以通过确保液压压力不会升至标称值以上来防止出现不安全 ...
2023-9-7 08:23
液压系统常用的基本回路介绍
液压系统的基本回路,包括动力源系统、减压阀回路、增压回路、保压回路、卸压回路、支撑回路、调速回路、增速回路、恒速回路、制动回路、同步回路、顺序回路、补油回路、滑阀机能回路、变量泵系统、压机同步控制、弯 ...
2023-9-7 08:19
1
2
3
4
5
6
7
8
9
10
... 30
/ 30 页
下一页
相关分类
资讯
产品
技术
观点
最新帖子
1
求助!液压马达串联并联确认
2
请教液压仿真学哪款软件好呢
3
液压缸聚氨酯东晟Y型密封圈
4
amesim防滑刹车
5
请教,AMESim2404版本中,使用plmbod2模型时,提示没
6
分流阀选型应用
7
风电变桨轴承密封东晟氟橡胶TC油封
8
关于液压马达空载扭矩的一些疑问
9
有大神知道液压图中的两个梭阀是什么作用吗
10
招聘液压工程师,工作地点福建
热门帖子
1
关于油缸缸头老是漏油,寻找大神解决方案
2
关于液压马达空载扭矩的一些疑问
3
有大神知道液压图中的两个梭阀是什么作用吗
4
求助高工,活塞杆杆子带油
5
请问插装式液控单向阀有没有阀芯是不锈钢的呀?
6
国产压力传感器
7
精密O形圈,液压密封,气压密封样本
8
电液伺服液压机与普通液压机技术性能对比研究
9
大神,跪求图纸
10
力士乐的电磁阀的3D模型去哪里下载呀
精华帖子
1
各品牌液压泵三维模型
2
阀控液压缸动态分析
3
力士乐A28VO130柱塞泵样本
4
斜轴式轴向柱塞泵三维模型
5
泵车液压系统培训
6
Bosch比例阀故障排除教材
7
SUN电磁阀及比例阀介绍
8
派克P3145油泵模型
9
PARKER派克接头大全 液压 气动 管接头 过渡接头3D模型
10
有关液压技术OLSS与CLSS的灵敏性
资料下载
1
Parker液压接头模型-全网最全的solidworks2016
2
请教液压仿真学哪款软件好呢
3
A4VSO全系列模型
4
力士乐行走机械液压产品样本--最新版
5
派克密封样本-新版本
6
PARKER派克接头大全 液压 气动 管接头 过渡接头3D模型
7
精密O形圈,液压密封,气压密封样本
8
宁波汉科思螺纹插装阀最新版样本
9
力士乐动力单元innocube产品手册-调试说明-操作说明
10
力士乐减速机安装图纸dwg格式
返回顶部