搜索
金币充值液压资料下载官方微信群
查看: 19077|回复: 40

压力流量控制泵or压力流量补偿泵

[复制链接]
发表于 2013-3-2 11:23:20 | 显示全部楼层 |阅读模式
本帖最后由 linco 于 2013-3-2 11:28 编辑

      这是我在一个资料上看到的图片,称之为压力、流量补偿可变高压柱塞 2351b.gif 有哪位高人能不能讲讲这个泵的工作原理?是不是通过控制流量阀和溢流阀就可以分别控制泵的输出流量和压力?
    另外,给我的感觉,很少看到有压力、流量补偿可变柱塞泵的说法,这种泵是不是和压力流量控制泵是一回事,我隐约记得有人是这么说过,如果是的话,为什么从工作原理图来看明显不一样呢?下图是力士乐的A10V压力和流量控制泵的原理图(来自力士乐的产品样本): A10V.jpg
发表于 2013-3-2 14:17:54 | 显示全部楼层
资料上的图片原理中的溢流阀实际安装在操作工跟前。操作工可根据实际情况,来调节溢流阀从而达到控制泵的流量目的
回复

使用道具 举报

  • 打卡等级:无名新人
  • 打卡总天数:1
  • 打卡总奖励:1
发表于 2013-3-2 17:58:40 | 显示全部楼层
一样的,那个溢流阀应该是外接的,主要是限制泵的最高输出压力,这样的话系统主溢流阀限压起个缓冲的作用,常态不会大流量溢流(当压力达到溢流阀压力的时候),X口流量很小,外接那个溢流阀就能限定最高压力,而不必用主溢流阀溢流实现限制最高压力,系统能耗低
回复

使用道具 举报

 楼主| 发表于 2013-3-2 18:49:38 | 显示全部楼层
冰是睡着的水 发表于 2013-3-2 14:17
资料上的图片原理中的溢流阀实际安装在操作工跟前。操作工可根据实际情况,来调节溢流阀从而达到控制泵的流 ...

泵的流量由流量控制阀来调节吧?
回复

使用道具 举报

 楼主| 发表于 2013-3-2 18:54:26 | 显示全部楼层
烤肉拌饭1988 发表于 2013-3-2 17:58
一样的,那个溢流阀应该是外接的,主要是限制泵的最高输出压力,这样的话系统主溢流阀限压起个缓冲的作用, ...

这样的泵是不是得买回来自己接溢流阀?自己接的话难度不小吧?还是厂家就生产?怎么没有见到力士乐有这样的产品呢?
回复

使用道具 举报

  • 打卡等级:论坛老炮
  • 打卡总天数:1256
  • 打卡总奖励:4603
发表于 2013-3-2 21:44:19 | 显示全部楼层
您好:
关于您的问题,我的认识如下,供您讨论参考:这是个在泵控(负载敏感)基础上增加了阀控溢流远程调压功能的泵源,这个泵源可以实现流量、压力两个变量的变化。
1、“补偿”的理解:有些柱塞泵样本对流量、压力滑阀的解释为流量、压力补偿器;
2、这个泵对可以实现对压力和流量(两个变量)的变化控制,等同于A10V--31系列的负载敏感泵;
3、综合1、2的理解,所以称为流量、压力补偿变量泵;
4、这个泵的工作原理理解,可以近似参考DRG,当然结构上有差异(可以参见DRG职能原理图中圆圈箭头指示部分)。结构差异具体表现为DRG职能的FR滑阀阀芯与DFR\DFR1的不一样即DRG职能的X口和变量缸有直通油路(此处不详述)。
(1)作用于FR滑阀弹簧的液压力为FR+Py,其中Py为溢流阀设定溢流压力范围。即在泵控(负载敏感职能)基础上增加了阀控溢流远程调压;
(2)当然Py的设定是有范围的FR<Py<DR;
(3)(个人意见)这个溢流阀的选型可以参考DRG职能X口外接溢流阀,推荐的类似DBDH6的直动式溢流阀。当然更具体的要看先导控制油量是多大,DRG职能的先导控制油量为1.5L/min。
(4)如果(3)成立的话,可以考虑用电比例溢流阀控制。
望老师赐教更正。
无标题.png
回复

使用道具 举报

 楼主| 发表于 2013-3-2 23:04:21 | 显示全部楼层
xwy@home 发表于 2013-3-2 21:44
您好:
关于您的问题,我的认识如下,供您讨论参考:这是个在泵控(负载敏感)基础上增加了阀控溢流远程调 ...

谢谢您的精彩讲解!我也不是什么老师,现在还是个学生,呵呵。
那我还想问,这样的泵,哪个厂商生产?我可不可以拿力士乐的A10V泵来接个溢流阀?形成对泵源输出的流量和压力双重控制。
回复

使用道具 举报

  • 打卡等级:初来乍到
  • 打卡总天数:31
  • 打卡总奖励:75
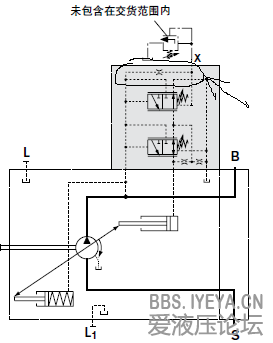
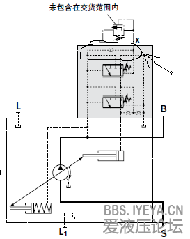
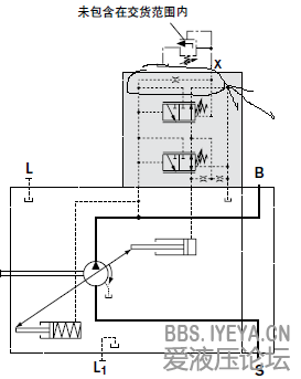
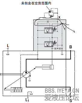
发表于 2013-3-3 11:19:10 | 显示全部楼层
有这样的应用。
DFR1 app.jpg
回复

使用道具 举报

 楼主| 发表于 2013-3-3 16:56:17 | 显示全部楼层
xwy@home 发表于 2013-3-2 21:44
您好:
关于您的问题,我的认识如下,供您讨论参考:这是个在泵控(负载敏感)基础上增加了阀控溢流远程调 ...

这样的泵哪些厂家生产?我看力士乐的样本里好像没有。可不可以用力士乐的A10V泵来外接一个溢流阀,从而达到控制泵源输出的压力和流量双重目的?
回复

使用道具 举报

 楼主| 发表于 2013-3-3 16:58:43 | 显示全部楼层
游勇 发表于 2013-3-3 11:19
有这样的应用。

最后一个图就是我从资料上看到的,而我在力士乐的样本中看到的DFR1并没有溢流阀,看来我那个力士乐的样本并不全啊。

点评

可参考 A10VSO..DFR控制原理的中文版 https://www.yeya.cn/forum.php?mod=viewthread&tid=5124&fromuid=10858  发表于 2013-3-3 22:48
回复

使用道具 举报

您需要登录后才可以回帖 登录 | 立即注册

本版积分规则