设为首页
收藏本站
所有帖子
关于我们
联系我们
微信群
开启辅助访问
搜索
搜索
本版
用户
门户
Portal
资讯
液压资讯
观点
观点
产品
液压产品
技术
液压技术
合集
导读
Guide
下载
签到
金币
论坛
BBS
登录
立即注册
腾讯QQ
账号
自动登录
找回密码
密码
登录
立即注册
只需一步,快速开始
好友
动态
收藏
分享
帖子
日志
记录
相册
留言板
勋章
任务
道具
设置
退出
液压圈
»
论坛
›
液压工程师
›
资料下载
›
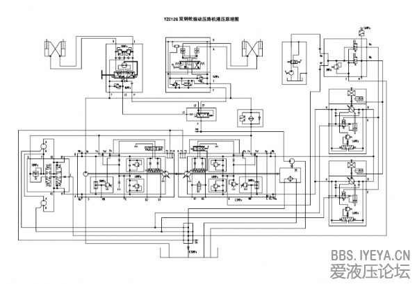
发个双钢轮压路机原理图供大家学习
负载敏感资料下载
|
液压培训资料下载
|
液压样本下载
|
AMESim资料下载
|
力士乐资料下载
|
挖掘机资料下载
|
标准资料下载
|
多路阀资料下载
返回列表
查看:
9800
|
回复:
8
[图纸]
发个双钢轮压路机原理图供大家学习
[复制链接]
xiaoshxin
xiaoshxin
当前离线
积分
1997
注册时间
2010-12-4
最后登录
1970-1-1
IP卡
狗仔卡
发表于 2013-7-28 13:18:27
|
显示全部楼层
|
阅读模式
ww.pdf
(183.67 KB, 下载次数: 207, 售价: 5 金钱)
2013-7-28 13:18 上传
点击文件名下载附件
压路机
相关帖子
.
徐工压路机制动阀 12V 24V 两位三通电磁阀
.
求助,急
.
戴纳派克压路机行走控制原理
.
压路机行走泵
.
压路机双阀芯震动阀
.
压路机震动阀组应用图片!
.
为什么钢轮压路机液压系统会出现回中位 制动不起作用的现象,在小坡道上就会溜车?
.
压路机振动泵求高手指导
.
柳工压路机液压系统故障问题汇总表
回复
使用道具
举报
提升卡
置顶卡
变色卡
一线牵
一线牵
当前离线
积分
116
注册时间
2013-6-30
最后登录
1970-1-1
IP卡
狗仔卡
发表于 2013-7-28 20:50:12
|
显示全部楼层
貌似很复杂,仔细看看再回复
回复
使用道具
举报
chenyueyun
chenyueyun
当前离线
积分
59
注册时间
2013-4-17
最后登录
1970-1-1
IP卡
狗仔卡
发表于 2013-7-29 12:38:39
|
显示全部楼层
系统很有特点,值得借鉴。
回复
使用道具
举报
wodegeming
wodegeming
当前离线
积分
7
注册时间
2015-11-26
最后登录
1970-1-1
IP卡
狗仔卡
发表于 2016-6-10 15:43:15
|
显示全部楼层
搞压路机的必须看,学习一下。
回复
使用道具
举报
陈康GHOST
陈康GHOST
当前离线
积分
1
注册时间
2016-6-11
最后登录
1970-1-1
IP卡
狗仔卡
发表于 2016-6-11 14:49:50
|
显示全部楼层
看着很复杂的样子
回复
使用道具
举报
烟波T天客
烟波T天客
当前离线
积分
2
注册时间
2016-5-12
最后登录
1970-1-1
IP卡
狗仔卡
打卡等级:无名新人
打卡总天数:1
打卡总奖励:3
发表于 2016-8-11 13:23:44
|
显示全部楼层
学习了 液压知识储备
回复
使用道具
举报
清水
清水
当前离线
积分
131
注册时间
2011-12-29
最后登录
1970-1-1
IP卡
狗仔卡
打卡等级:初来乍到
打卡总天数:51
打卡总奖励:52
发表于 2016-8-15 16:05:12
|
显示全部楼层
近几年很少关注压路机的技术了。但感觉国内的压路机同质化很严重,像国外比较先进的机型都是装有线检测压实系统,要做到这一功能除了钢轮振幅调节等技术外,还需智能软件系统的开发。
回复
使用道具
举报
GENGGUOZHI
GENGGUOZHI
当前离线
积分
338
注册时间
2010-2-23
最后登录
1970-1-1
IP卡
狗仔卡
打卡等级:无名新人
打卡总天数:27
打卡总奖励:72
发表于 2019-10-21 10:06:22
|
显示全部楼层
仔细看看再回复。。。
回复
使用道具
举报
yolag
yolag
当前离线
积分
834
注册时间
2021-11-10
最后登录
1970-1-1
IP卡
狗仔卡
打卡等级:论坛老炮
打卡总天数:949
打卡总奖励:1441
发表于 2023-9-14 16:04:18
|
显示全部楼层
正在搞压路机,学习一下
回复
使用道具
举报
返回列表
高级模式
B
Color
Image
Link
Quote
Code
Smilies
您需要登录后才可以回帖
登录
|
立即注册
本版积分规则
发表回复
回帖后跳转到最后一页
浏览过的版块
公告区
插装阀
液压技术
液压多路阀
快速回复
返回顶部
返回列表