搜索
汉力达液压金币充值官方微信群液压资料下载
查看: 5181|回复: 8

外行请教液控单向阀锁紧回路问题

[复制链接]
发表于 2013-8-8 00:43:29 | 显示全部楼层 |阅读模式
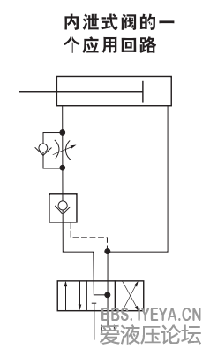
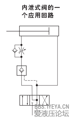
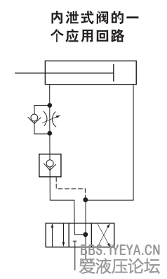
请高手分析下这个回路是怎么锁紧的,跟采用液压锁锁紧有什么区别呢?
液控单向阀锁紧回路.png
  • 打卡等级:论坛老炮
  • 打卡总天数:1170
  • 打卡总奖励:1820
发表于 2013-8-8 08:18:40 来自手机 | 显示全部楼层
单液控单向阀也是液压锁啊。
回复

使用道具 举报

  • 打卡等级:无名新人
  • 打卡总天数:4
  • 打卡总奖励:4
发表于 2013-8-8 08:24:52 | 显示全部楼层
就是采用液压锁锁紧,,
只是加了限速节流阀而已。
另外由于该回路液控单向阀出口无压,所以采用内泄式。
如若将节流阀与单向阀调换位置,则由于单向阀出口有压。则宜采用外泄式。
回复

使用道具 举报

  • 打卡等级:无名新人
  • 打卡总天数:3
  • 打卡总奖励:4
发表于 2013-8-8 08:31:21 | 显示全部楼层
三楼回答的很对
回复

使用道具 举报

  • 打卡等级:偶尔看看
  • 打卡总天数:66
  • 打卡总奖励:158
发表于 2013-8-8 09:42:52 | 显示全部楼层
经典的内泄式液控单向阀锁紧回路,一般双内泄式液控单向阀称为液压缩。
回复

使用道具 举报

 楼主| 发表于 2013-8-8 16:17:43 | 显示全部楼层
heripeng 发表于 2013-8-8 08:24
就是采用液压锁锁紧,,
只是加了限速节流阀而已。
另外由于该回路液控单向阀出口无压,所以采用内泄式。 ...

这种回路的油缸会因为外力作用发生移动么?
回复

使用道具 举报

  • 打卡等级:偶尔看看
  • 打卡总天数:66
  • 打卡总奖励:158
发表于 2013-8-8 16:29:17 | 显示全部楼层
quanyongzaixin 发表于 2013-8-8 16:17
这种回路的油缸会因为外力作用发生移动么?


外力作用活塞杆缩进会移动,外力作用活塞杆伸出不会移动。
回复

使用道具 举报

发表于 2013-8-8 20:13:33 | 显示全部楼层
只能在有杆枪起到保护作用,无杆枪是不能保压的!
回复

使用道具 举报

 楼主| 发表于 2013-8-8 23:38:58 | 显示全部楼层
多谢大家的热心指导
回复

使用道具 举报

您需要登录后才可以回帖 登录 | 立即注册

本版积分规则