搜索
汉力达液压金币充值官方微信群液压资料下载
查看: 17435|回复: 9

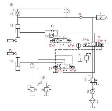
请教各位,图中2个溢流阀并联,中间加个节流阀,是想起什么作用?

  [复制链接]
  • 打卡等级:偶尔看看
  • 打卡总天数:95
  • 打卡总奖励:276
发表于 2017-3-14 14:42:57 | 显示全部楼层 |阅读模式
这个是一个压力机的液压系统图。图中左下角2个溢流阀并联,中间加个节流阀18,是想起什么作用? 还有,我觉得油缸工作一段时间,补油箱10是不是就满了,那是不是要把单向阀8(右上角)改成液控单向阀呢?

请教各位,图中2个溢流阀并联,中间加个节流阀,是想起什么作用?

请教各位,图中2个溢流阀并联,中间加个节流阀,是想起什么作用?


  • 打卡等级:偶尔看看
  • 打卡总天数:95
  • 打卡总奖励:276
 楼主| 发表于 2017-3-14 14:46:00 | 显示全部楼层
走过路过,请帮帮忙{:9_235:}
回复

使用道具 举报

  • 打卡等级:无名新人
  • 打卡总天数:3
  • 打卡总奖励:9
发表于 2017-3-14 16:51:31 | 显示全部楼层
一个设备应该只有一个液压油箱,所以应该不会出现油箱没有的情况,当然我也遇到过两个油箱的设备,确实要考虑两个油箱的配合;那个单向阀个人感觉是起到稳定流量的作用,期待高手回答
回复

使用道具 举报

  • 打卡等级:偶尔看看
  • 打卡总天数:95
  • 打卡总奖励:276
 楼主| 发表于 2017-3-14 16:53:33 | 显示全部楼层
金刚虎 发表于 2017-3-14 16:51
一个设备应该只有一个液压油箱,所以应该不会出现油箱没有的情况,当然我也遇到过两个油箱的设备,确实要考 ...

感谢您的回答,因为看资料里写的是高位油箱,用于补油的,才会有这个疑惑。感谢{:9_235:}
回复

使用道具 举报

  • 打卡等级:偶尔看看
  • 打卡总天数:66
  • 打卡总奖励:158
发表于 2017-3-14 18:36:19 | 显示全部楼层
高位油箱溢油是通过压力表9左边的管路经阀6通低位油箱的,所以不可能发生溢出问题。单向阀8用于防止换向阀5中位泄漏。
当压机用于压延(拉伸)工序时,上缸压力强制将下缸缩回以提供压边力,利用节流阀可以作压边力微调,左侧溢流阀是安全阀。
貌似虚线所示的控制管路与减压阀出口的系统压力管路缺个接点,否则无控制油来源。
回复

使用道具 举报

  • 打卡等级:偶尔看看
  • 打卡总天数:95
  • 打卡总奖励:276
 楼主| 发表于 2017-3-15 08:49:16 | 显示全部楼层
本帖最后由 guihuaxiang 于 2017-3-15 09:09 编辑
zzfjct 发表于 2017-3-14 18:36
高位油箱溢油是通过压力表9左边的管路经阀6通低位油箱的,所以不可能发生溢出问题。单向阀8用于防止换向阀5 ...

谢谢您的热心解惑,关于这两个溢流阀是明白了,我再理解一下。这个图我是从网上找的,有一些错误,控制油流的压力是从减压阀出口引来的缺个接点。  但是请教一下,您说的那个高位油箱的溢流油路应该是 液控单向阀的控制油路吧? 应该是虚线的控油油路,我觉得是画错了。您怎么看?  期待您的解答。这个是我改过的图,画的不好,见笑了{:9_242:}
filehelper_1489539246843_70.png


回复

使用道具 举报

  • 打卡等级:偶尔看看
  • 打卡总天数:66
  • 打卡总奖励:158
发表于 2017-3-15 11:40:13 | 显示全部楼层
本帖最后由 zzfjct 于 2017-3-15 12:01 编辑

1,阀6的B口接充液阀控制油口是改得对的,但阀6T口应该接油箱。
2,高位油箱的溢流管路(在高位油箱的一定高度)应该没有画出来,因为是直接通下位油箱不经过任何控制油路的,有的原理图不画。
3,阀8单向阀改液控单向阀是错误的。上缸的排油量很大经充液阀完成,不应该经过阀5的A→T和阀17的P→T排油的,你在液控单向阀并接了节流阀,这样上缸无杆腔会经节流阀、阀5中位的滑阀间隙泄漏,不能实现可靠保压。中位串联卸荷的缺点是后阀工作压力受前阀T口允许压力限制。
4,原图是利用阀5、阀17中位机能实现卸荷的,没有必要增加手动阀实现卸荷、加载。
回复

使用道具 举报

  • 打卡等级:偶尔看看
  • 打卡总天数:95
  • 打卡总奖励:276
 楼主| 发表于 2017-3-15 12:52:24 | 显示全部楼层
zzfjct 发表于 2017-3-15 11:40
1,阀6的B口接充液阀控制油口是改得对的,但阀6T口应该接油箱。
2,高位油箱的溢流管路(在高位油箱的一定 ...

实在感谢!1,回油给忘了,谢谢; 2,从高位油箱超过高度溢流回主油箱会引入气泡吧?因为存在虹吸现象;3、是我把保压功能本末倒置,只想着解决油箱问题了;4,手动卸荷是多余了。谢谢您的帮助。
回复

使用道具 举报

  • 打卡等级:无名新人
  • 打卡总天数:19
  • 打卡总奖励:121
发表于 2019-11-3 16:36:45 | 显示全部楼层
guihuaxiang 发表于 2017-3-15 08:49
谢谢您的热心解惑,关于这两个溢流阀是明白了,我再理解一下。这个图我是从网上找的,有一些错误,控制油 ...

这两个溢流阀什么作用
回复

使用道具 举报

发表于 2022-3-30 17:52:01 | 显示全部楼层
请教,阀3怎么会这个样子呀?!
回复

使用道具 举报

您需要登录后才可以回帖 登录 | 立即注册

本版积分规则