搜索
汉力达液压金币充值官方微信群液压资料下载
查看: 7417|回复: 8

改为不带预释功能的夜控单向阀,开启压力为10MP,是什么原理

[复制链接]
发表于 2017-2-19 18:09:58 | 显示全部楼层 |阅读模式
求教各位工程师。
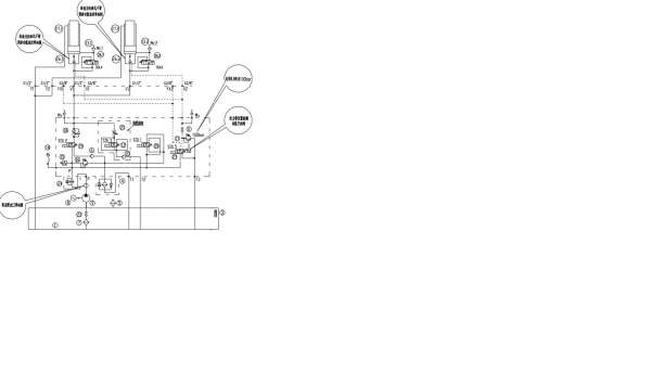
  公司设备的液压系统进行改造,图纸上有些地方不太懂。

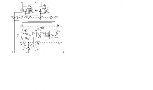
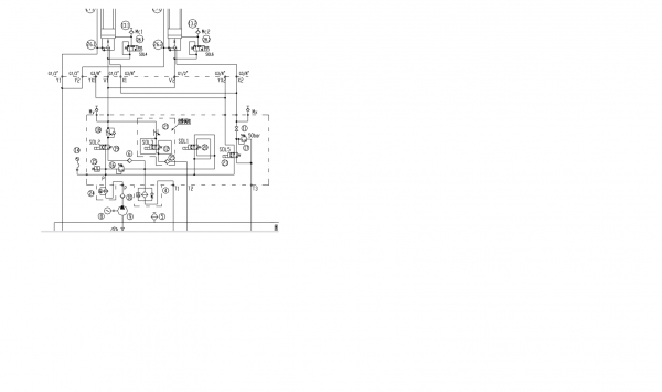
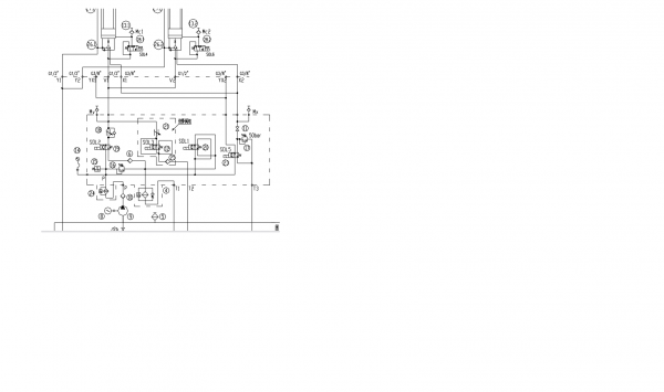
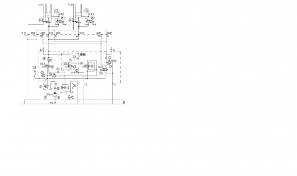
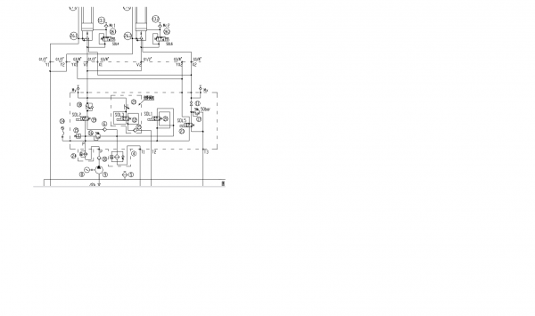
1、将外泄式夜控单向阀改为内泄式不带预释功能的夜控单向阀,不带预释功能的液控单向阀有哪些不一样的?查理下资料但是都不全,说的很零散。

2、改造前开启液控单向阀要5MP的压力,改造后要10MP压力,这是什么原理?

3、取消了出口的单向阀又是什么原理?

小弟我刚入行,求教各位工程师。谢谢。

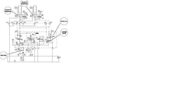
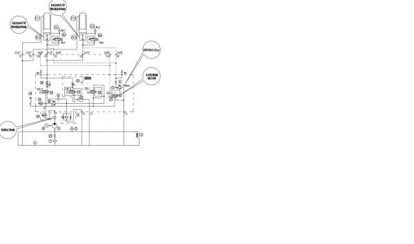
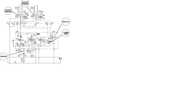
改造后

改造后

改造前

改造前

  • 打卡等级:即来则安
  • 打卡总天数:201
  • 打卡总奖励:668
发表于 2017-2-20 11:35:35 | 显示全部楼层
在往坏的方向改。内泄会使开启压力增加,看看液控单向阀的结构。
回复

使用道具 举报

  • 打卡等级:偶尔看看
  • 打卡总天数:66
  • 打卡总奖励:158
发表于 2017-2-20 14:18:26 | 显示全部楼层
1,如果是恒定重力负载或压力-行程曲线斜率小的弹性负载,没有必要采用预泄压功能的液控单向阀。
2,外泄式液控单向阀改为内泄式后控制压力增加是正常的,因为控制压力要加上下游单向节流阀⑱、背压阀⑥的压降。
3,图示系统泵⑨没有必要配置单向阀⑩,因为负载回路有液控单向阀防止反向冲击。
回复

使用道具 举报

  • 打卡等级:伴坛终老
  • 打卡总天数:2534
  • 打卡总奖励:6366
发表于 2017-2-20 16:53:40 | 显示全部楼层
一句话 这是胡乱改!
回复

使用道具 举报

发表于 2017-2-21 20:31:59 来自手机 | 显示全部楼层
laupong 发表于 2017-2-19 18:09
求教各位工程师。
  公司设备的液压系统进行改造,图纸上有些地方不太懂。


加硬弹簧 Y口內泄堵头拆掉
回复

使用道具 举报

 楼主| 发表于 2017-2-23 11:44:31 | 显示全部楼层
zzfjct 发表于 2017-2-20 14:18
1,如果是恒定重力负载或压力-行程曲线斜率小的弹性负载,没有必要采用预泄压功能的液控单向阀。
2,外泄 ...

您好,谢谢您的解释。因为这个系统曾经出现自动下降的事故,现在要进行改造避免再次出现自动下降的事故。

听各位这样一说,那这系统该怎么改好啊。谢谢。
回复

使用道具 举报

 楼主| 发表于 2017-2-23 16:08:37 | 显示全部楼层
zzfjct 发表于 2017-2-20 14:18
1,如果是恒定重力负载或压力-行程曲线斜率小的弹性负载,没有必要采用预泄压功能的液控单向阀。
2,外泄 ...

我查阅设计资料说取消泵出口的单向阀是当出现紧急情况(比如23和20都卡死没复位),急需紧急停泵进行停泵时,泵出口单向阀使管路泄压缓慢,造成液控单向阀关闭缓慢,严重影响系统安全。请问您这是原理所在?
回复

使用道具 举报

发表于 2017-2-25 09:24:18 | 显示全部楼层
laupong 发表于 2017-2-23 11:44
您好,谢谢您的解释。因为这个系统曾经出现自动下降的事故,现在要进行改造避免再次出现自动下降的事故。 ...

照理外泄式液控单向阀会比内泄式的更好防止自动下降事故
另外改为不带预释功能的液控单向阀,可以减少自动下降的隐患
原理上去分析的话,使用外泄式不带预释功能的液控单向阀,会更好

点评

改成不带预释功能的液控单向阀后,有效的开启控制压力提高很多是正常的,你可以稍稍去了解下液控单向阀结构原理,很简单浅显的  发表于 2017-2-25 09:28
回复

使用道具 举报

您需要登录后才可以回帖 登录 | 立即注册

本版积分规则