搜索
汉力达液压金币充值官方微信群液压资料下载
查看: 5815|回复: 3

[其他机械] 液压载重车如何限制打滑

  [复制链接]
发表于 2014-7-16 23:07:51 | 显示全部楼层 |阅读模式
限制打滑驱动轮马达的流量防滑因为所有马达都是并联在公共回路上,当某个车轮打滑时,系统压力下降引起的输出流量全都进人打滑马达导致车辆不能正常工作。如果能控制进入打滑马达的流量,就能控制马达的转速,解决马达打滑的间题。这种方法不论泵、马达排量能否调整均适用。限制打猾驱动轮马达的流量有以下三种方法。
    ①采用分流集流阀。分流集流阀也可以进行牵引控制,分流集流阀依据负载传感原理分配各支路的流量。液压油通过分流集流阀阀芯窗口流向马达时产生压力降。由于通过阀孔的流量不同,因而作用于尾部腔内所产生的压力也不同,从而使阀芯移动,并限制过高的流量通过。流量分流集流阀的设计不会由于精确度过高而导致因转向和地面不平所引起的车轮正常打滑。流量传感分流集流阀在液压油流向相反的情况下便如此工作。其缺点在于分流集流阀的有限工作流量范围较窄,在用于速度范围不大设备所需的速度范围较大,工作时低速运转,移动时高速,那么当液压油在闭式回路中通过阀孔时,压力下降十分明显,这样就会使驱动车轮的动力下降并产生热量。
    ②采用流量控制阀。采用流量控制阀控制系统打滑的原理如图所示,每个马达上均装有速度传感器和可调节流阀。当传感器检测到某个马达超速时,控制器发指令给相应的可调节流阀减小流向该马达的流量,这样就可以有效防止马达打滑,且系统压力仍能维持一个相对较高水平,整车仍能正常行驶。
     ③将打滑马达与泵断开。可以通过两种途径实现,一是采用旁通阀,一是迅速将马达排量调整为零。解决压力下降的方法是使用靠电磁驱动的旁通阀。这种类型的旁通阀在进行高速运输以及没有牵引问题的情况下,可以使液压油不经过分流阀流向马达,从而使液压油压力不受限制。旁通阀的这种性质可以在不影响系统的正常工作状态下改变车轮马达的排量,只有当设备在一定的速度范围内,所有的马达都达到同样的排量时,分流阀/阀组才能启动;也可以用一个换向阀将马达的进出口连通,并与主油路切断,将打滑马达变成一个从动轮;或者将马达排量直接调整到零变成从动轮。

    对发生打滑的驱动轮直接施加制动控制打滑马达打滑的原因就是该马达的驱动力大于附着力,要想通过对发生打滑的驱动轮直接施加制动控制打滑就要求系统对每一个驱动轮均装有独立的制动器。当传感器检测到某个马达打滑,控制器发出相应指令,对该马达实施制动控制,直至满足其驱动力小于附着力为止。
    TMZ系列载重车均采用变量泵一变量马达静液压驱动系统。根据液压传动原理,可考虑将打滑的车轮马达排量减小。减少驱动该车轮的马达排量,其所能产生的输出转矩相应减小。这样就不会因为某个车轮的行驶阻力较小,而导致整个系统的工作压力下降。其他正常行驶的车轮的马达仍然维持原先的排量,即维持正常行驶时的输出转矩。当打滑的驱动轮恢复至纯滚动时,则驱动该车轮的马达的排量又自动恢复到最大值。

  • 打卡等级:无名新人
  • 打卡总天数:3
  • 打卡总奖励:10
发表于 2014-7-17 07:50:06 | 显示全部楼层
减小马达排量,降低附着力,控制打滑。有时候是马达排量减小了,马达扭矩仍然大于附着力,马达转速会急速升高。
回复

使用道具 举报

 楼主| 发表于 2014-7-17 21:36:25 | 显示全部楼层
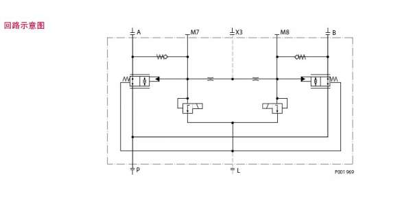
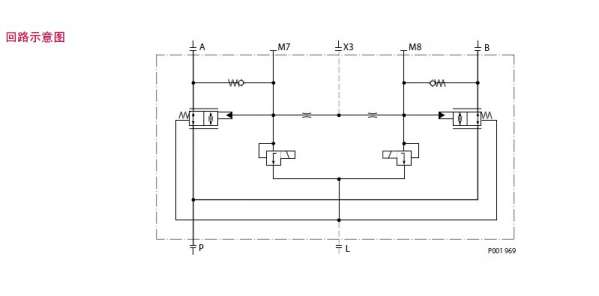
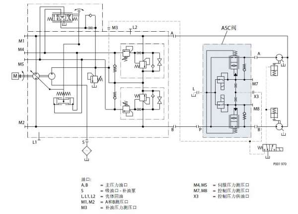
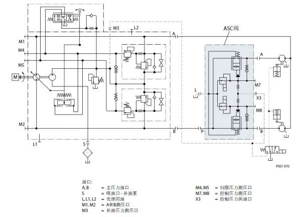
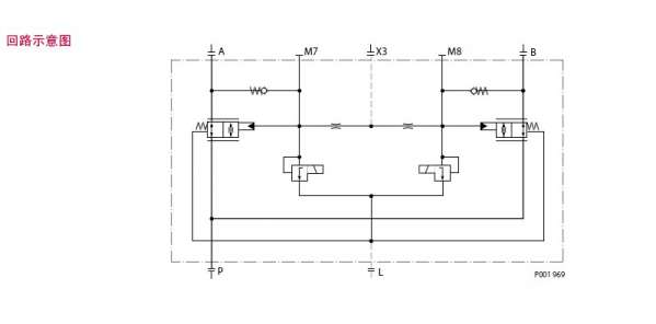
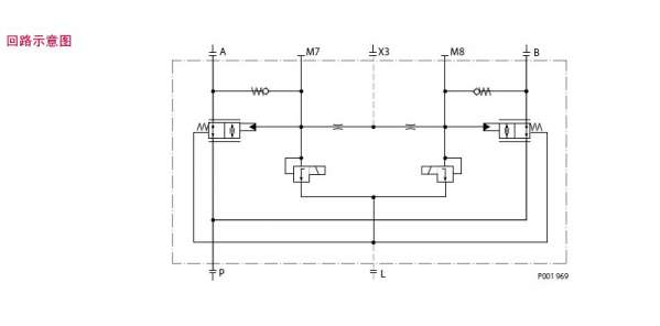
此图中的系统是萨澳ASC防打滑系统。灰色部分是ASC防打滑阀。

回复

使用道具 举报

 楼主| 发表于 2014-7-17 21:43:38 | 显示全部楼层
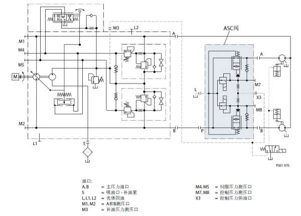
ASC阀工作原理

回复

使用道具 举报

您需要登录后才可以回帖 登录 | 立即注册

本版积分规则