搜索
汉力达液压金币充值官方微信群液压资料下载
查看: 6715|回复: 8

[挖掘机] 挖机的回转系统有没有平衡阀,还有阀的中位是不是O型

[复制链接]
  • 打卡等级:无名新人
  • 打卡总天数:5
  • 打卡总奖励:25
发表于 2015-3-31 14:37:40 | 显示全部楼层 |阅读模式
有没有高手搞挖掘机的,挖机的回转系统有没有平衡阀,还有阀的中位是不是O型?
  • 打卡等级:初来乍到
  • 打卡总天数:44
  • 打卡总奖励:323
发表于 2015-3-31 15:19:58 | 显示全部楼层
大多是O型中位机能。应说是缓冲阀,有。
回复

使用道具 举报

  • 打卡等级:无名新人
  • 打卡总天数:5
  • 打卡总奖励:25
 楼主| 发表于 2015-3-31 15:23:42 | 显示全部楼层
cqzyouxiang 发表于 2015-3-31 15:19
大多是O型中位机能。应说是缓冲阀,有。

缓冲阀用的是不是平衡阀?不是的话,用的是什么样子的?谢谢
回复

使用道具 举报

  • 打卡等级:初来乍到
  • 打卡总天数:44
  • 打卡总奖励:323
发表于 2015-3-31 15:34:18 | 显示全部楼层
我的理解,两者差不多。区别:一个静态带载,一个不带。
回复

使用道具 举报

  • 打卡等级:初来乍到
  • 打卡总天数:44
  • 打卡总奖励:323
发表于 2015-3-31 15:34:46 | 显示全部楼层
网上、坛中有那么多的资料,下载看一下就知道了。小菜一碟,何须高手。上次被你打得鼻青脸肿,很没面子。
回复

使用道具 举报

  • 打卡等级:无名新人
  • 打卡总天数:5
  • 打卡总奖励:25
 楼主| 发表于 2015-3-31 16:27:11 | 显示全部楼层
cqzyouxiang 发表于 2015-3-31 15:34
网上、坛中有那么多的资料,下载看一下就知道了。小菜一碟,何须高手。上次被你打得鼻青脸肿,很没面子。

哈哈,学术讨论,何必计较呢!
回复

使用道具 举报

  • 打卡等级:无名新人
  • 打卡总天数:5
  • 打卡总奖励:25
 楼主| 发表于 2015-3-31 16:28:11 | 显示全部楼层
cqzyouxiang 发表于 2015-3-31 15:34
网上、坛中有那么多的资料,下载看一下就知道了。小菜一碟,何须高手。上次被你打得鼻青脸肿,很没面子。

可能我没有想那么多,不好意思!
回复

使用道具 举报

  • 打卡等级:无名新人
  • 打卡总天数:4
  • 打卡总奖励:8
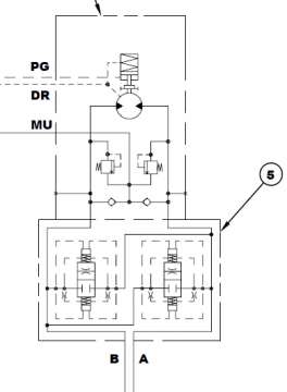
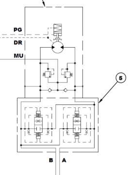
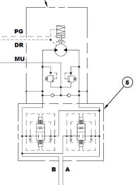
发表于 2015-3-31 20:12:52 | 显示全部楼层
24.jpg 52.jpg
卡特的,供你参考
回复

使用道具 举报

  • 打卡等级:无名新人
  • 打卡总天数:5
  • 打卡总奖励:25
 楼主| 发表于 2015-4-2 15:08:17 | 显示全部楼层
wawaadd 发表于 2015-3-31 20:12
卡特的,供你参考

谢谢你,你所给图中的防逆转阀有没有样本或者厂家(如果有大概型号是什么),最好是进口的?
回复

使用道具 举报

您需要登录后才可以回帖 登录 | 立即注册

本版积分规则