搜索
汉力达液压金币充值官方微信群液压资料下载
查看: 8746|回复: 13

液压混合动力汽车建模仿真

[复制链接]
  • 打卡等级:无名新人
  • 打卡总天数:8
  • 打卡总奖励:57
发表于 2015-5-27 22:23:12 | 显示全部楼层 |阅读模式
并联的液压部分没起到作用,蓄能器压力一下子降到0了,求朋友帮忙分析下,指教下是什么原因

液压混合动力汽车建模仿真

液压混合动力汽车建模仿真

液压混合动力汽车建模仿真

液压混合动力汽车建模仿真

  • 打卡等级:无名新人
  • 打卡总天数:8
  • 打卡总奖励:57
 楼主| 发表于 2015-5-27 22:29:18 | 显示全部楼层
问一下,有没有朋友有软件里包含的几种汽车循环工况的具体数据(从几秒到几秒加速,减速等,软件里的图看不到有仔细的时间)
回复

使用道具 举报

  • 打卡等级:常驻居民
  • 打卡总天数:365
  • 打卡总奖励:2062
发表于 2015-5-29 18:37:34 | 显示全部楼层
车辆这块你可以到群里问问大家
回复

使用道具 举报

  • 打卡等级:无名新人
  • 打卡总天数:8
  • 打卡总奖励:57
 楼主| 发表于 2015-5-29 21:06:36 | 显示全部楼层
醉乐清风 发表于 2015-5-29 18:37
车辆这块你可以到群里问问大家

谢谢版主!蓄能器出的问题我找到原因了,但想请教离合器到底是该怎么控制的啊?看帮助还是没看太明白,之前以为输入0能断开,但好像又不是?
回复

使用道具 举报

  • 打卡等级:无名新人
  • 打卡总天数:8
  • 打卡总奖励:57
 楼主| 发表于 2015-5-29 21:06:37 | 显示全部楼层
醉乐清风 发表于 2015-5-29 18:37
车辆这块你可以到群里问问大家

谢谢版主!蓄能器出的问题我找到原因了,但想请教离合器到底是该怎么控制的啊?看帮助还是没看太明白,之前以为输入0能断开,但好像又不是?
回复

使用道具 举报

发表于 2015-5-29 22:57:26 | 显示全部楼层
精诚所至 发表于 2015-5-27 22:29
问一下,有没有朋友有软件里包含的几种汽车循环工况的具体数据(从几秒到几秒加速,减速等,软件里的图看不 ...

advisor2002,开源软件,可以找到你想要的数据
回复

使用道具 举报

  • 打卡等级:常驻居民
  • 打卡总天数:365
  • 打卡总奖励:2062
发表于 2015-5-30 08:54:37 | 显示全部楼层
精诚所至 发表于 2015-5-29 21:06
谢谢版主!蓄能器出的问题我找到原因了,但想请教离合器到底是该怎么控制的啊?看帮助还是没看太明白,之 ...

离合器我还真不大懂,你可以把帮助截图贴出来,咱们一起分析分析
回复

使用道具 举报

  • 打卡等级:无名新人
  • 打卡总天数:8
  • 打卡总奖励:57
 楼主| 发表于 2015-5-30 09:29:06 | 显示全部楼层
lgz2868 发表于 2015-5-29 22:57
advisor2002,开源软件,可以找到你想要的数据

哦哦,谢谢!我在网上找到了一个欧洲工况的,具体到秒,自己整理,也能知道各个阶段开始时间,持续时间。高级车辆仿真器,我先记着,时间有点紧,想问下,我这个建的模型,并联的在理论上可行吗?通过那个转矩耦合器连接,还需要加别的吗?
回复

使用道具 举报

  • 打卡等级:无名新人
  • 打卡总天数:8
  • 打卡总奖励:57
 楼主| 发表于 2015-5-30 09:43:04 | 显示全部楼层
醉乐清风 发表于 2015-5-30 08:54
离合器我还真不大懂,你可以把帮助截图贴出来,咱们一起分析分析

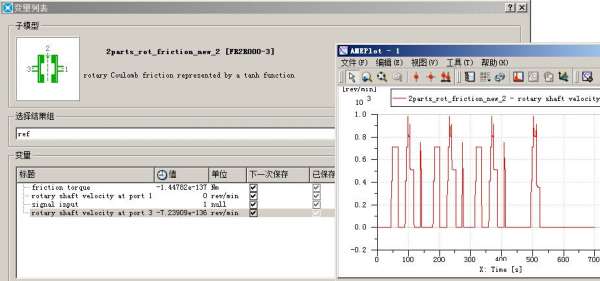
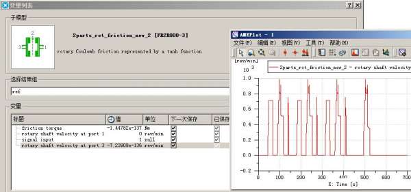
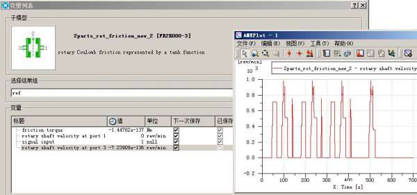
好的,但我英语不是很好,对离合器也做过一些尝试,感觉输入为1的时候能接通,为0断开,但最近做仿真时出现,左端口有转速,右端口没转速....
QQ图片20150530094223.png
QQ图片20150530094233.jpg

点评

0是断开,1是接通  详情 回复 发表于 2015-5-30 18:30
回复

使用道具 举报

  • 打卡等级:常驻居民
  • 打卡总天数:365
  • 打卡总奖励:2062
发表于 2015-5-30 18:30:34 | 显示全部楼层
精诚所至 发表于 2015-5-30 09:43
好的,但我英语不是很好,对离合器也做过一些尝试,感觉输入为1的时候能接通,为0断开,但最近做仿真时出 ...

0是断开,1是接通
回复

使用道具 举报

您需要登录后才可以回帖 登录 | 立即注册

本版积分规则