设为首页
收藏本站
所有帖子
关于我们
联系我们
微信群
开启辅助访问
搜索
搜索
本版
用户
门户
Portal
资讯
液压资讯
观点
观点
产品
液压产品
技术
液压技术
合集
导读
Guide
下载
签到
金币
论坛
BBS
登录
立即注册
腾讯QQ
账号
自动登录
找回密码
密码
登录
立即注册
只需一步,快速开始
我的
日志
记录
收藏
勋章
任务
道具
动态
设置
退出
液压圈
»
论坛
›
液压系统
›
液压技术
›
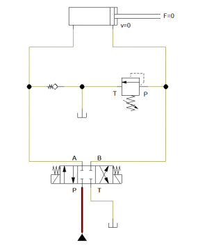
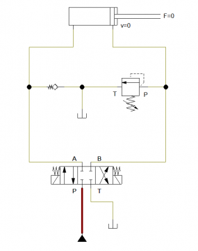
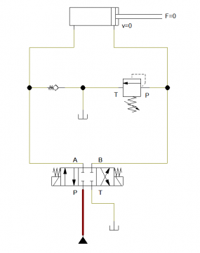
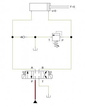
求问,这个缓冲回路是不是设计有问题? ...
负载敏感资料下载
|
液压培训资料下载
|
液压样本下载
|
AMESim资料下载
|
力士乐资料下载
|
挖掘机资料下载
|
标准资料下载
|
多路阀资料下载
返回列表
查看:
6962
|
回复:
2
求问,这个缓冲回路是不是设计有问题?
[复制链接]
钵钵鸡
钵钵鸡
当前离线
积分
18
注册时间
2017-6-25
最后登录
1970-1-1
IP卡
狗仔卡
发表于 2017-6-25 23:55:18
|
显示全部楼层
|
阅读模式
哪位大神解释一下啊
回复
使用道具
举报
提升卡
置顶卡
变色卡
zzfjct
zzfjct
当前离线
积分
1353
注册时间
2013-7-28
最后登录
1970-1-1
IP卡
狗仔卡
打卡等级:偶尔看看
打卡总天数:66
打卡总奖励:158
发表于 2017-6-27 11:06:30
|
显示全部楼层
从无杆腔需要设置吸入(单向)阀来看,活塞/杆可能存在超越负载导致的快速伸出或超速下落,有杆腔的溢流阀是用于限制快速停止时的瞬时高压,防止液压冲击和损坏系统。
回复
使用道具
举报
aidaxinzai
aidaxinzai
当前离线
积分
15
注册时间
2017-7-13
最后登录
1970-1-1
IP卡
狗仔卡
发表于 2017-7-18 15:21:38
|
显示全部楼层
C:\Users\zhaolixin\Desktop通过楼主的描述 ,刚入行的我表示看的有点懂,为了确信在FluidSIM测试了一下,果然如二楼所说,二楼大神啊
回复
使用道具
举报
返回列表
高级模式
B
Color
Image
Link
Quote
Code
Smilies
您需要登录后才可以回帖
登录
|
立即注册
本版积分规则
发表回复
回帖后跳转到最后一页
浏览过的版块
AMESim
插装阀
快速回复
返回顶部
返回列表