设为首页
收藏本站
所有帖子
关于我们
联系我们
微信群
开启辅助访问
搜索
搜索
本版
用户
门户
Portal
资讯
液压资讯
观点
观点
产品
液压产品
技术
液压技术
合集
导读
Guide
下载
签到
金币
论坛
BBS
登录
立即注册
腾讯QQ
账号
自动登录
找回密码
密码
登录
立即注册
只需一步,快速开始
好友
动态
收藏
分享
帖子
日志
记录
相册
留言板
勋章
任务
道具
设置
退出
液压圈
»
论坛
›
液压元件
›
插装阀
›
请教大师这个回转缓冲回路的工作原理! ...
负载敏感资料下载
|
液压培训资料下载
|
液压样本下载
|
AMESim资料下载
|
力士乐资料下载
|
挖掘机资料下载
|
标准资料下载
|
多路阀资料下载
1
2
/ 2 页
下一页
返回列表
查看:
12777
|
回复:
11
请教大师这个回转缓冲回路的工作原理!
[复制链接]
晕晕哈哈
晕晕哈哈
当前离线
积分
8
注册时间
2013-3-23
最后登录
1970-1-1
IP卡
狗仔卡
发表于 2013-3-28 09:31:08
|
显示全部楼层
|
阅读模式
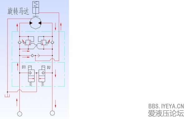
本人新手,刚接触液压这部分,请大师详细介绍下这个阀的作用,另这个是号称是回转缓冲阀,但是我怎么觉得这个阀跟我找到的
平衡阀
组不一样呢?
另一个问题,1DT2DT那两个的作用?
工作原理
,
缓冲阀
相关帖子
.
这是个什么油缸,工作原理
.
Hydraforce的减压溢流阀PRES50-30工作原理
.
AMESim 液压原件工作原理问题
.
可调式液压缓冲器的工作原理
.
A4CSG工作原理分析讨论
.
改为不带预释功能的夜控单向阀,开启压力为10MP,是什么原理
.
ETON伊顿培训教材—比例放大器工作原理
.
负载敏感泵流量阀工作原理
.
派瑞特:高压球阀
.
求助日本Pascal支撑油缸的工作原理
回复
使用道具
举报
提升卡
置顶卡
变色卡
liuyikun2007
liuyikun2007
当前离线
积分
49
注册时间
2010-9-4
最后登录
1970-1-1
IP卡
狗仔卡
发表于 2014-7-22 22:04:46
|
显示全部楼层
马达自由回转?
回复
使用道具
举报
wangshangfei
wangshangfei
当前离线
积分
348
注册时间
2011-5-16
最后登录
1970-1-1
IP卡
狗仔卡
打卡等级:伴坛终老
打卡总天数:2166
打卡总奖励:7684
发表于 2014-7-26 07:18:36
|
显示全部楼层
1DT、2DT应该是控制卸荷用,图示状态两个二位二通电磁换向阀应该是用来给马达吸空补油的。该系统图似乎未画完整,马达转向是用换向阀控制吗?
回复
使用道具
举报
bgfly
bgfly
当前离线
积分
94
注册时间
2014-3-26
最后登录
1970-1-1
IP卡
狗仔卡
打卡等级:即来则安
打卡总天数:287
打卡总奖励:1945
发表于 2014-8-3 18:19:02
|
显示全部楼层
这个缓冲阀就是类似平衡阀的原理
来自:Android客户端
回复
使用道具
举报
bgfly
bgfly
当前离线
积分
94
注册时间
2014-3-26
最后登录
1970-1-1
IP卡
狗仔卡
打卡等级:即来则安
打卡总天数:287
打卡总奖励:1945
发表于 2014-8-3 18:19:07
|
显示全部楼层
这个缓冲阀就是类似平衡阀的原理
来自:Android客户端
回复
使用道具
举报
bgfly
bgfly
当前离线
积分
94
注册时间
2014-3-26
最后登录
1970-1-1
IP卡
狗仔卡
打卡等级:即来则安
打卡总天数:287
打卡总奖励:1945
发表于 2014-8-3 18:19:11
|
显示全部楼层
这个缓冲阀就是类似平衡阀的原理
来自:Android客户端
回复
使用道具
举报
静静等待
静静等待
当前离线
积分
513
注册时间
2012-3-13
最后登录
1970-1-1
IP卡
狗仔卡
发表于 2014-8-4 19:39:36
|
显示全部楼层
其实这个就是个双平衡阀嘛,其实对于大回转转动惯量的来说起不了好的缓冲效果的
回复
使用道具
举报
holley110
holley110
当前离线
积分
110
注册时间
2013-7-20
最后登录
1970-1-1
IP卡
狗仔卡
打卡等级:偶尔看看
打卡总天数:147
打卡总奖励:239
发表于 2014-8-4 22:55:58
|
显示全部楼层
双平衡阀 梭阀 安全卸荷电磁阀
回复
使用道具
举报
钵钵鸡
钵钵鸡
当前离线
积分
18
注册时间
2017-6-25
最后登录
1970-1-1
IP卡
狗仔卡
发表于 2017-6-25 23:52:05
|
显示全部楼层
最上面两组顺序阀和单向阀控制液压马达的正反转;下面的梭阀是控制马达制动解除的;两个两位两通的阀,应该是由电磁铁控制补回油的
回复
使用道具
举报
hljzx666
hljzx666
当前离线
积分
4
注册时间
2017-9-7
最后登录
1970-1-1
IP卡
狗仔卡
发表于 2017-9-7 10:38:57
|
显示全部楼层
这是带制动、平衡、补油功能的马达可正反转的回来。
回复
使用道具
举报
下一页 »
1
2
/ 2 页
下一页
返回列表
高级模式
B
Color
Image
Link
Quote
Code
Smilies
您需要登录后才可以回帖
登录
|
立即注册
本版积分规则
发表回复
回帖后跳转到最后一页
浏览过的版块
液压泵马达
快速回复
返回顶部
返回列表