搜索
汉力达液压金币充值官方微信群液压资料下载
查看: 5628|回复: 0

A4CSG工作原理分析讨论

[复制链接]
  • 打卡等级:以坛为家
  • 打卡总天数:764
  • 打卡总奖励:2260
发表于 2017-2-20 13:09:56 | 显示全部楼层 |阅读模式

A4CSG工作原理分析讨论

A4CSG工作原理分析讨论
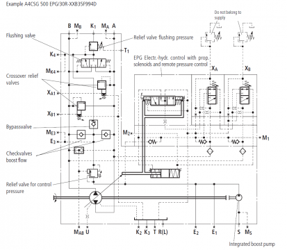
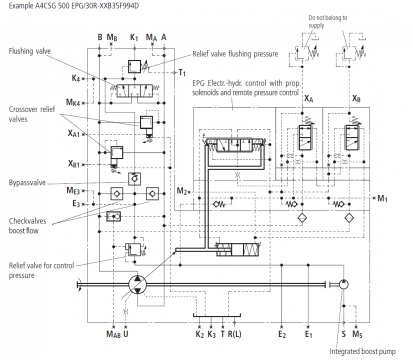
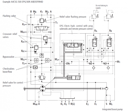
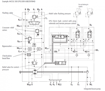
1、  控制溢流阀(Controlpressure relief valve)的作用是:当主变量活塞在中位(零排量)时,系统建立不起压力,此时副泵工作压力为控制溢流阀设定压力和冲洗溢流阀设定压力之和,一般这个压力为30~40bar,此压力能够为变量活塞提供足够压力,实现变量,一旦系统建立起压力,通过梭阀选择的压力把控制溢流阀全开,此时副泵的工作压力为冲洗溢流阀的设定压力。
2、  以右旋泵为例,当比例方向阀左端得电时,变量活塞的无杆腔压力升高,在压力差的作用下,变量活塞向左移动,此时主泵的A口进油,B口出油。当B口的压力升高到XB处溢流阀的设定压力时,主泵XB处的方向控制阀上移,变量活塞无杆腔与油箱连通,则变量活塞右移回中位,主泵排量接近为零,压力不再继续升高。
3、  以右旋泵为例,当比例方向阀右端得电时,变量活塞的无杆腔与油箱连通,无杆腔压力降低,在压力差的作用下,变量活塞向右移动,此时主泵的B口进油,A口出油。当A口的压力升高到XA处溢流阀的设定压力时,主泵XA处的方向控制阀上移,变量活塞无杆腔连通A口的高压油,则变量活塞左移回中位,主泵排量接近为零,压力不再继续升高。



页面提取自-Compact_unit_A4CSG_data_sheet.pdf

52.99 KB, 下载次数: 33

售价: 5 金钱  [记录]

A4CSG工作原理分析讨论

您需要登录后才可以回帖 登录 | 立即注册

本版积分规则