搜索
汉力达液压金币充值官方微信群液压资料下载
查看: 7138|回复: 6

关于油压机充液阀的问题

[复制链接]
  • 打卡等级:无名新人
  • 打卡总天数:4
  • 打卡总奖励:13
发表于 2013-12-17 18:49:58 | 显示全部楼层 |阅读模式
1、油压机在快速下行的时候,是不是完全由于重力的作用而打开的充液阀,使高架油箱中的油进入无杆腔。
2、如果1成立的话,那么怎么样来控制下行的速度呢,不是越跑越快了么??
请指教!谢谢!
发表于 2013-12-17 20:30:18 | 显示全部楼层
1、充液阀是由于油缸上腔快速下行时产生真空,从而与高架油箱产生压差而打开的
2、速度不会越来越快,重力被背压阀平衡掉了,快进速度取决于油泵的流量和油泵的油作用  在油缸上的面积。

点评

同意你的观点:重力与背压抵消,但是没理解快进速度…… 速度取决于流量,无杆腔进油包括泵供油和充液阀打开的流量,充液阀打开的前提是存在真空,即泵供油不足。我只能想到这,不会速度计算,还请高人详细指点。  发表于 2013-12-18 09:20
这个楼主比较厉害,讲得很清楚啊  发表于 2013-12-18 07:56
回复

使用道具 举报

  • 打卡等级:无名新人
  • 打卡总天数:1
  • 打卡总奖励:8
发表于 2013-12-17 20:36:44 | 显示全部楼层
不了解油压机的工况,可以上图,这样便于分析。
回复

使用道具 举报

  • 打卡等级:初来乍到
  • 打卡总天数:30
  • 打卡总奖励:74
发表于 2013-12-17 22:33:06 | 显示全部楼层
速度是有可能愈来愈快,但因为行程短及有节流阀,最高速度不会超速500mm/s。但由于惯量大,所以在有缸腔要加上直控溢流阀作保险。
回复

使用道具 举报

  • 打卡等级:无名新人
  • 打卡总天数:4
  • 打卡总奖励:13
 楼主| 发表于 2013-12-18 10:23:10 | 显示全部楼层
本帖最后由 风沙满天 于 2013-12-18 10:26 编辑
游勇 发表于 2013-12-17 22:33
速度是有可能愈来愈快,但因为行程短及有节流阀,最高速度不会超速500mm/s。但由于惯量大,所以在有缸腔要加 ...


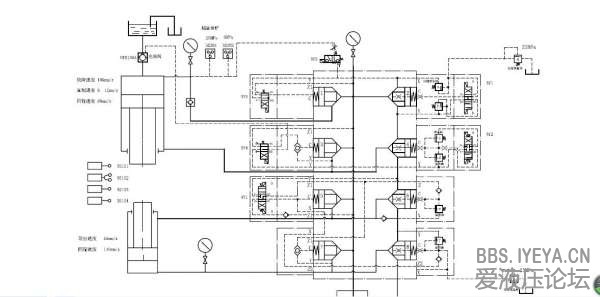
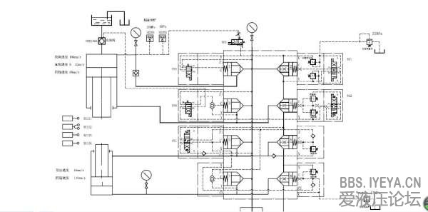
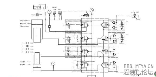
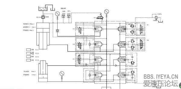
未命名.JPG
游老师你好,感谢你给我的回复!
      此图是咱们论坛原来的系统图片,如果系统没有错误的话,你能帮我解释一下,主缸在快进 工进 保压 和快退的时候,各先导阀得失电情况。谢谢!
回复

使用道具 举报

  • 打卡等级:偶尔看看
  • 打卡总天数:66
  • 打卡总奖励:158
发表于 2013-12-18 13:28:12 | 显示全部楼层
3Y3的b通电时快进,a通电时工进,都不通电时溢流功能保护有杆腔不超压。
回复

使用道具 举报

  • 打卡等级:以坛为家
  • 打卡总天数:695
  • 打卡总奖励:1110
发表于 2013-12-18 14:16:51 | 显示全部楼层
油缸下腔(有杆腔)回油油路一般有2个泄油阀,快下时2个阀打开快速泄油。
到一定位置接近开关(一般如此)发信号,其中1个阀完全关闭,回油通过另外一个泄油阀泄油,此泄油阀带有节流控制,开口小,因此油缸低速下降。
回复

使用道具 举报

您需要登录后才可以回帖 登录 | 立即注册

本版积分规则