设为首页
收藏本站
所有帖子
关于我们
联系我们
微信群
开启辅助访问
搜索
搜索
本版
用户
门户
Portal
资讯
液压资讯
观点
观点
产品
液压产品
技术
液压技术
合集
导读
Guide
下载
签到
金币
论坛
BBS
登录
立即注册
腾讯QQ
账号
自动登录
找回密码
密码
登录
立即注册
只需一步,快速开始
好友
动态
收藏
分享
帖子
日志
记录
相册
留言板
勋章
任务
道具
设置
退出
液压圈
»
论坛
›
液压系统
›
AMESim
›
请教节流阀调节油缸速度仿真
负载敏感资料下载
|
液压培训资料下载
|
液压样本下载
|
AMESim资料下载
|
力士乐资料下载
|
挖掘机资料下载
|
标准资料下载
|
多路阀资料下载
返回列表
查看:
3401
|
回复:
1
请教节流阀调节油缸速度仿真
[复制链接]
raumzeit
raumzeit
当前离线
积分
101
注册时间
2013-10-25
最后登录
1970-1-1
IP卡
狗仔卡
打卡等级:无名新人
打卡总天数:1
打卡总奖励:9
发表于 2015-12-30 13:01:13
|
显示全部楼层
|
阅读模式
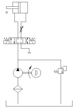
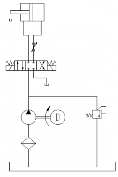
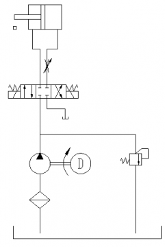
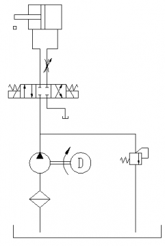
请教,想通过控制节流阀面积实现对系统流量的控制,如下图,节流阀选择哪一个型号,里面控制哪一个参数。
节流阀
请教节流阀调节油缸速度仿真
相关帖子
.
双向节流阀,新人求教!!
.
学生请教大神们设计一液压脉动控制节流阀
.
请教各位,图中2个溢流阀并联,中间加个节流阀,是想起什么作用?
.
节流阀公式推导
.
并联节流阀建模
.
两个双单向节流阀叠加使用
.
单向节流阀是否能解决我的疑惑
.
平衡阀与单向节流阀
.
减压阀和节流阀工作原理的区别
.
节流阀出口压力的问题
回复
使用道具
举报
提升卡
置顶卡
变色卡
411217994
411217994
当前离线
积分
50
注册时间
2015-11-25
最后登录
1970-1-1
IP卡
狗仔卡
打卡等级:无名新人
打卡总天数:1
打卡总奖励:2
发表于 2015-12-31 12:31:46
|
显示全部楼层
一个方向进油节流,另一个方向回油节流,系统配置不好,具体应该根据流量大小来选择。
回复
使用道具
举报
返回列表
高级模式
B
Color
Image
Link
Quote
Code
Smilies
您需要登录后才可以回帖
登录
|
立即注册
本版积分规则
发表回复
回帖后跳转到最后一页
浏览过的版块
液压技术
液压多路阀
快速回复
返回顶部
返回列表