设为首页
收藏本站
所有帖子
关于我们
联系我们
微信群
开启辅助访问
搜索
搜索
本版
用户
门户
Portal
资讯
液压资讯
观点
观点
产品
液压产品
技术
液压技术
合集
导读
Guide
下载
签到
金币
论坛
BBS
登录
立即注册
腾讯QQ
账号
自动登录
找回密码
密码
登录
立即注册
只需一步,快速开始
好友
动态
收藏
分享
帖子
日志
记录
相册
留言板
勋章
任务
道具
设置
退出
液压圈
»
论坛
›
液压元件
›
液压泵马达
›
这个图泵的工作原理
负载敏感资料下载
|
液压培训资料下载
|
液压样本下载
|
AMESim资料下载
|
力士乐资料下载
|
挖掘机资料下载
|
标准资料下载
|
多路阀资料下载
返回列表
查看:
3247
|
回复:
1
这个图泵的工作原理
[复制链接]
zw521
zw521
当前离线
积分
249
注册时间
2014-1-6
最后登录
1970-1-1
IP卡
狗仔卡
打卡等级:常驻居民
打卡总天数:331
打卡总奖励:421
发表于 2014-1-9 18:23:00
|
显示全部楼层
|
阅读模式
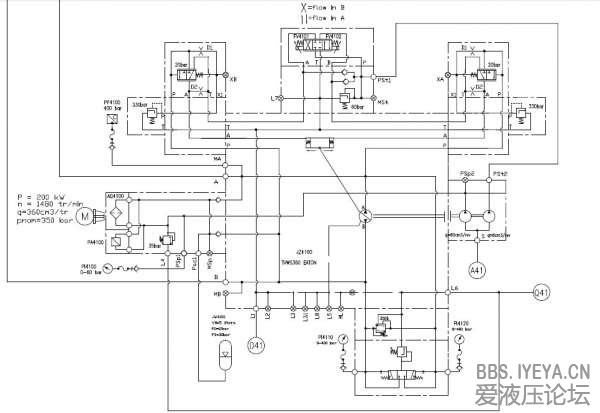
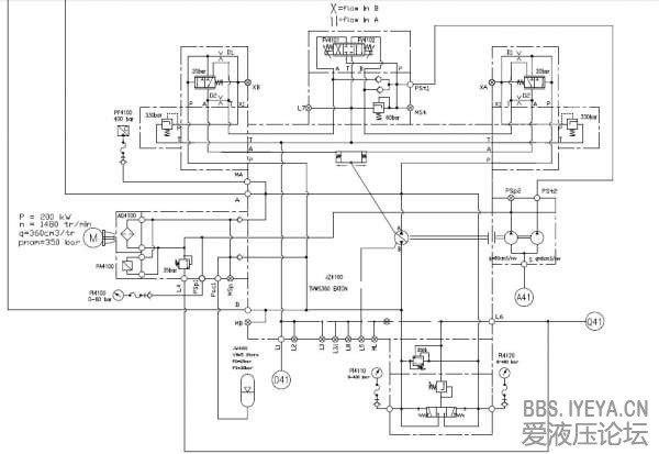
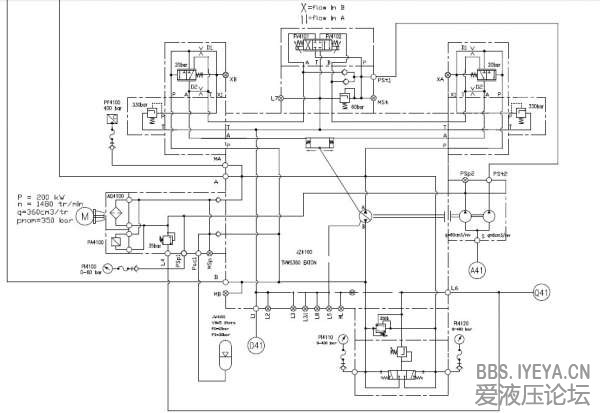
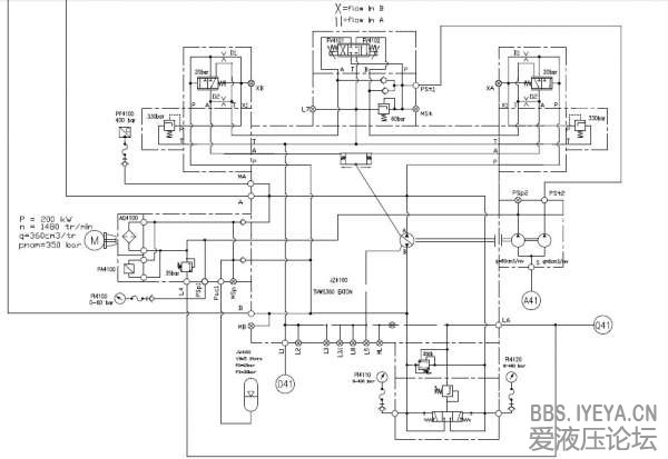
大虾帮帮忙,维格斯的TWVS的,图片喘不上去
工作原理
相关帖子
.
这是个什么油缸,工作原理
.
Hydraforce的减压溢流阀PRES50-30工作原理
.
AMESim 液压原件工作原理问题
.
可调式液压缓冲器的工作原理
.
A4CSG工作原理分析讨论
.
改为不带预释功能的夜控单向阀,开启压力为10MP,是什么原理
.
ETON伊顿培训教材—比例放大器工作原理
.
负载敏感泵流量阀工作原理
.
派瑞特:高压球阀
.
求助日本Pascal支撑油缸的工作原理
回复
使用道具
举报
提升卡
置顶卡
变色卡
zw521
zw521
当前离线
积分
249
注册时间
2014-1-6
最后登录
1970-1-1
IP卡
狗仔卡
打卡等级:常驻居民
打卡总天数:331
打卡总奖励:421
楼主
|
发表于 2014-1-10 13:03:52
|
显示全部楼层
回复
使用道具
举报
返回列表
高级模式
B
Color
Image
Link
Quote
Code
Smilies
您需要登录后才可以回帖
登录
|
立即注册
本版积分规则
发表回复
回帖后跳转到最后一页
浏览过的版块
伺服控制
供求信息
液压技术
工程机械
快速回复
返回顶部
返回列表