设为首页
收藏本站
所有帖子
关于我们
联系我们
微信群
开启辅助访问
搜索
搜索
本版
用户
门户
Portal
资讯
液压资讯
观点
观点
产品
液压产品
技术
液压技术
合集
导读
Guide
下载
签到
金币
论坛
BBS
登录
立即注册
腾讯QQ
账号
自动登录
找回密码
密码
登录
立即注册
只需一步,快速开始
好友
动态
收藏
分享
帖子
日志
记录
相册
留言板
勋章
任务
道具
设置
退出
液压圈
»
论坛
›
液压元件
›
液压泵马达
›
这个图泵的工作原理
负载敏感资料下载
|
液压培训资料下载
|
液压样本下载
|
AMESim资料下载
|
力士乐资料下载
|
挖掘机资料下载
|
标准资料下载
|
多路阀资料下载
返回列表
查看:
4636
|
回复:
6
这个图泵的工作原理
[复制链接]
zw521
zw521
当前离线
积分
249
注册时间
2014-1-6
最后登录
1970-1-1
IP卡
狗仔卡
打卡等级:常驻居民
打卡总天数:331
打卡总奖励:421
发表于 2014-1-9 18:40:59
|
显示全部楼层
|
阅读模式
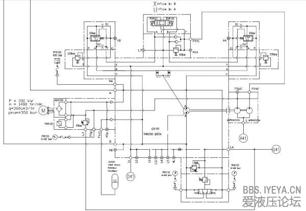
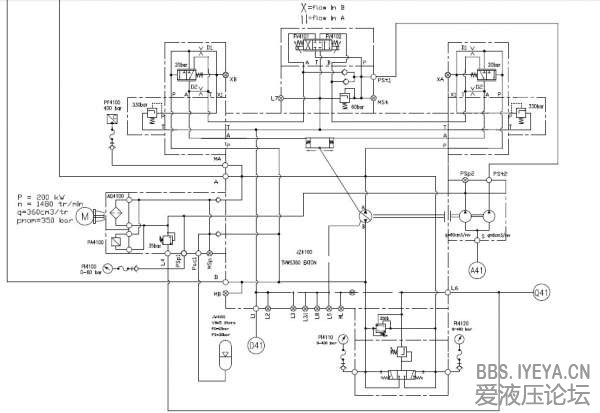
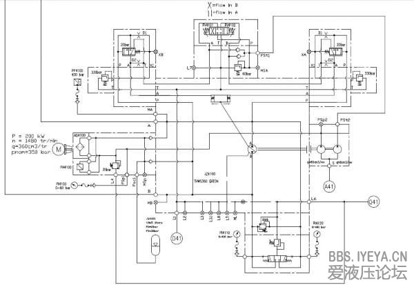
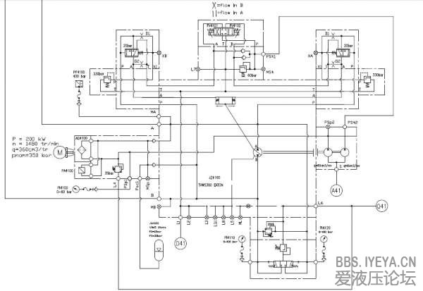
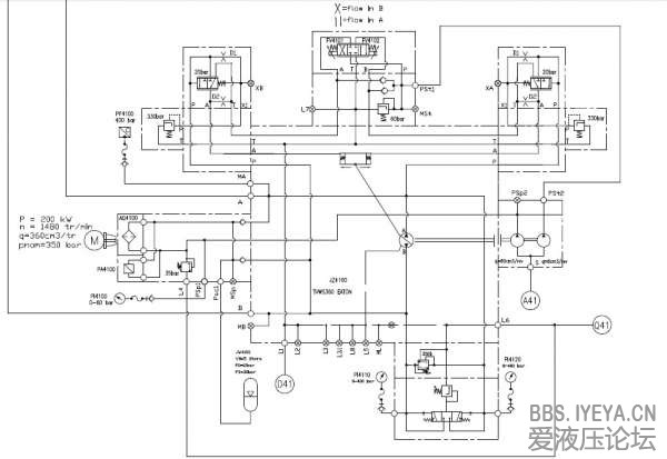
大虾帮帮忙,维格斯的TWVS的,图片喘不上去
工作原理
相关帖子
.
这是个什么油缸,工作原理
.
Hydraforce的减压溢流阀PRES50-30工作原理
.
AMESim 液压原件工作原理问题
.
可调式液压缓冲器的工作原理
.
A4CSG工作原理分析讨论
.
改为不带预释功能的夜控单向阀,开启压力为10MP,是什么原理
.
ETON伊顿培训教材—比例放大器工作原理
.
负载敏感泵流量阀工作原理
.
派瑞特:高压球阀
.
求助日本Pascal支撑油缸的工作原理
回复
使用道具
举报
提升卡
置顶卡
变色卡
sdh1818
sdh1818
当前离线
积分
112
注册时间
2012-8-26
最后登录
1970-1-1
IP卡
狗仔卡
打卡等级:无名新人
打卡总天数:20
打卡总奖励:46
发表于 2014-1-9 20:11:23
|
显示全部楼层
没有图咋办?凉拌!
回复
使用道具
举报
linwowotou
linwowotou
当前离线
积分
142
注册时间
2013-5-2
最后登录
1970-1-1
IP卡
狗仔卡
发表于 2014-1-10 08:26:49
|
显示全部楼层
无图无真相
回复
使用道具
举报
wanghao0201
wanghao0201
当前离线
积分
154
注册时间
2012-8-25
最后登录
1970-1-1
IP卡
狗仔卡
打卡等级:无名新人
打卡总天数:1
打卡总奖励:1
发表于 2014-1-10 10:08:31
|
显示全部楼层
貌似叫威格士 不是维格斯
回复
使用道具
举报
zw521
zw521
当前离线
积分
249
注册时间
2014-1-6
最后登录
1970-1-1
IP卡
狗仔卡
打卡等级:常驻居民
打卡总天数:331
打卡总奖励:421
楼主
|
发表于 2014-1-10 13:02:16
|
显示全部楼层
上图了
回复
使用道具
举报
今夕何夕
今夕何夕
当前离线
积分
405
注册时间
2012-9-19
最后登录
1970-1-1
IP卡
狗仔卡
打卡等级:以坛为家
打卡总天数:871
打卡总奖励:2951
发表于 2014-1-10 18:15:49
|
显示全部楼层
谁来讲解下
回复
使用道具
举报
邹东旭
邹东旭
当前离线
积分
59
注册时间
2013-5-2
最后登录
1970-1-1
IP卡
狗仔卡
发表于 2014-1-16 14:06:44
|
显示全部楼层
图看不清楚,给弄个清楚点的,PDF之类的
回复
使用道具
举报
返回列表
高级模式
B
Color
Image
Link
Quote
Code
Smilies
您需要登录后才可以回帖
登录
|
立即注册
本版积分规则
发表回复
回帖后跳转到最后一页
浏览过的版块
供求信息
伺服控制
快速回复
返回顶部
返回列表