搜索
汉力达液压金币充值官方微信群液压资料下载
查看: 7701|回复: 10

关于一种螺旋机的工作原理

[复制链接]
发表于 2014-8-9 22:14:44 | 显示全部楼层 |阅读模式
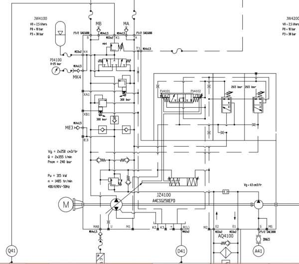
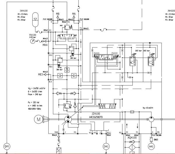
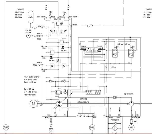
请教各位大神此工作原理,尤其是右下角那个定量泵的作用,还有MK4右边换向阀的作用,以及比例阀右边两个换向阀的作用@zhangrongji85 @胡子

关于一种螺旋机的工作原理

关于一种螺旋机的工作原理
发表于 2014-8-10 07:58:20 来自手机 | 显示全部楼层
应该是双向闭式系统补油泵、冲洗阀、双向限压阀。
回复

使用道具 举报

  • 打卡等级:无名新人
  • 打卡总天数:1
  • 打卡总奖励:8
发表于 2014-8-10 08:15:43 | 显示全部楼层
双联泵
回复

使用道具 举报

  • 打卡等级:无名新人
  • 打卡总天数:23
  • 打卡总奖励:122
发表于 2014-8-10 09:24:20 | 显示全部楼层
这是个闭式系统,能给个全图吗
回复

使用道具 举报

  • 打卡等级:无名新人
  • 打卡总天数:23
  • 打卡总奖励:122
发表于 2014-8-10 10:39:45 | 显示全部楼层
这泵是力士乐的A4VG180EP泵吗,右侧比例电磁阀可以调节泵的流量和输出方向,再右侧两三通换向阀分别调节两个方向的流量,并限制两个方向的压力为265bar,上面的三位三通是冲洗阀,再往下有先导溢流阀,补油阀,定量泵为低压补油泵,同时为变量调节(电磁阀和两三通流量阀)供油
回复

使用道具 举报

 楼主| 发表于 2014-8-10 20:22:17 | 显示全部楼层
胡子 发表于 2014-8-10 09:24
这是个闭式系统,能给个全图吗

这是图纸,胡专家请问4300泵也是补油泵么,那个ev4101为啥得电之后这个马达就有高速模式了

1052SHCZ006-B Screw conveyor motorisation.pdf

258.2 KB, 下载次数: 38

售价: 5 金钱  [记录]

回复

使用道具 举报

 楼主| 发表于 2014-8-10 20:23:52 | 显示全部楼层
凡夫范 发表于 2014-8-10 07:58
应该是双向闭式系统补油泵、冲洗阀、双向限压阀。

谢谢了,我查了那个闭式系统了,现在终于明白多了
回复

使用道具 举报

 楼主| 发表于 2014-8-10 20:24:00 | 显示全部楼层
回复

使用道具 举报

  • 打卡等级:无名新人
  • 打卡总天数:23
  • 打卡总奖励:122
发表于 2014-8-10 20:54:28 | 显示全部楼层
gyn048 发表于 2014-8-10 20:22
这是图纸,胡专家请问4300泵也是补油泵么,那个ev4101为啥得电之后这个马达就有高速模式了

4300是给马达冷却用的,跟冲洗阀的功能差不多,那个ec3101比例电磁阀就是控制变量泵调节机构的,换向不仅可以改变马达速度,应该还能改转向
回复

使用道具 举报

发表于 2014-8-10 21:53:55 | 显示全部楼层
不错
回复

使用道具 举报

您需要登录后才可以回帖 登录 | 立即注册

本版积分规则