- 积分
- 87
- 注册时间
- 2014-6-4
- 最后登录
- 1970-1-1
- 打卡等级:无名新人
- 打卡总天数:2
- 打卡总奖励:3
|

楼主 |
发表于 2014-11-1 08:59:41
|
显示全部楼层
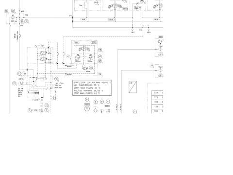
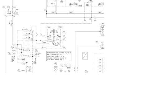
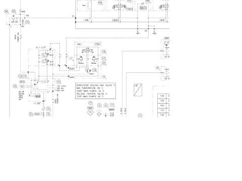
我想是不是起到的作用就是流量控制系统中泵出口的流量控制阀的作用,麻烦看我下面的分析哪里有问题:当18#换向阀处于中位时,系统最高压力可达只有40Bar,而泵出口的最高压力还需要克服流量控制阀的弹簧,总压力54Bar;当左位工作时,系统可达的最大压力为40Bar,但是泵出口的压力最大可达到194Bar;当右位工作时,泵出口的压力只能达到19设定的40Bar压力,但是泵的最高压力可以达到264Bar。请问这样的分析对吗?赐教! |
|