- 积分
- 347
- 注册时间
- 2011-6-16
- 最后登录
- 1970-1-1
- 打卡等级:无名新人
- 打卡总天数:3
- 打卡总奖励:4
|
发表于 2013-5-9 09:42:58
|
显示全部楼层
ambulance 发表于 2013-5-8 17:14 
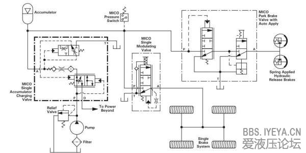
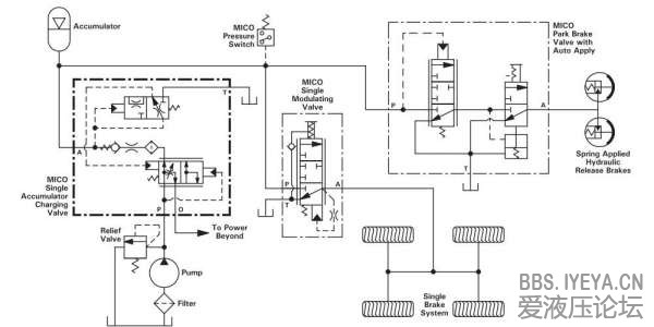
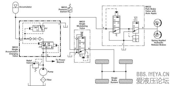
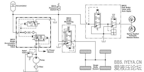
谢谢你的回答,能解释一下单路充液阀中,MICO单路充液阀 06-463-064 159/128 BAR ,2.8LPM,能解释一下159 ...
如图,所谓上限压力就是到了充液回路到了这个压力,就不充液了,即X阀推向左位,Y阀左位先导油回油箱,Y阀处右位,泵给别路供油;下限压力就是充液回路开始充液压力;2.8LPM是蓄能器的充液速度是2.8L/min |
|